gs-500.de

gs-500.de (https://forum.gs-500.de/index.php)
-   Elektrik, Elektronik und Beleuchtung (https://forum.gs-500.de/forumdisplay.php?f=39)
-   -   automatisch Fahrlicht an, wenn Motor läuft!? (https://forum.gs-500.de/showthread.php?t=32797)

geko4711 20.05.2014 07:54:23

Ich werde eine Relais-Lösung favorisieren.

der schwarze Apt 20.05.2014 13:58:12

Das ist glaube ich ne sehr gute Idee
Theoretisch bräuchte man ja nur ein Öffnerrelais zwischen das Kabel in der Lampe bauen und mit der z.B. Ölkontrollleuchte verbinden
Sprich wenn die leuchtet geht das ABL aus und wenn se aus geht das ABL an!
Blöd nur wenn mal der Öldruck fällt geht das ABL aus :(
Also was gibt es noch für Versorger die an sind wenn der Motor lauft
Ein Schaltplan wäre auch vorteilhaft

DonArcturus 20.05.2014 14:25:20

Zitat:

Zitat von der schwarze Apt (Beitrag 538850)
Blöd nur wenn mal der Öldruck fällt geht das ABL aus :(

In der Nacht kannst du dir dann sicher sein, dass du die Warnmeldung nicht übersehen wirst :lol:

John 21.05.2014 19:38:39

Wäre es nicht am Einfachsten, ein Öffner-Relais in die Leitung des Schalters des E-Starters (an der Armatur) zu hängen? Wäre ja dann unabhängig vom normalen Lichtschalter, geht aber genau dann aus wenn man startet, um danach wieder anzugehen sobald die Kiste läuft (man lässt den Schalter ja wieder los)?
Wäre mit nur einem einzigen Relais zu (Achtung, Wortwitz!) "relaiisieren" :D

dreamer 24.05.2014 14:55:12

Zitat:

Zitat von der schwarze Apt (Beitrag 538850)
Das ist glaube ich ne sehr gute Idee
Theoretisch bräuchte man ja nur ein Öffnerrelais zwischen das Kabel in der Lampe bauen und mit der z.B. Ölkontrollleuchte verbinden
Sprich wenn die leuchtet geht das ABL aus und wenn se aus geht das ABL an!
Blöd nur wenn mal der Öldruck fällt geht das ABL aus :(
Also was gibt es noch für Versorger die an sind wenn der Motor lauft
Ein Schaltplan wäre auch vorteilhaft

Das Ausgehen des ABL bei Angehen der Öldrucklampe während der Fahrt, kann man durch eine Selbsthalteschaltung umgehen. Sprich, die Öldrucklampe wird nur zum einschalten benötigt. Danach "hält" das Relais sich selbst bis ein in Reihe geschalteter Schalter die Stromzufuhr unterbricht.
http://www.google.de/imgres?imgurl=h...QEwAA&dur=6359

Nimmt man die Schaltung als Grundlage, müsste T1 durch die Öldruckleuchte geschaltet werden (über ein Relais). T2 ist dann der Killschalter, der die Schaltung zurücksetzt.

der schwarze Apt 24.05.2014 15:49:18

Das würde aber bedeuten das das ABL ausbleibt
Grundlage bei mir ist ja das das ABL mit einschalten der Zündung an ist
Geht die Ölkontrolle an soll der Stromkreis zum ABL unterbrochen werden und wenn der Öldruck anliegt geht die Kontrollleuchte aus und das ABL wieder an, betätigt man am Fahrtende denn Killer geht der Motor aus, der Öldruck fällt und die Kontrollleuchte geht an und öffnet das Relais was wiederum das ABL unterbricht!
Wenn sich das Relais auf offen hält, bleibt das ABL aus!
MfG Apt

irgendwer92 24.05.2014 16:17:00

Wie wärs denn mit einem Kabel, das man um ein Zündkabel wickelt und einem Transistor, der durch die Induktionsspannung von dem Kabel bei laufendem Motor aufmacht. Ich halte das für einfach, billig und zuverlässig.

dreamer 24.05.2014 16:22:47

Evtl. verstehe ich das falsch.
Zündung an, Öldrucklampe ist an->Licht aus
Motor an, Öldrucklampe geht aus->Licht ein
Motor mit Killschalter aus-> Licht aus
Motor ohne Killschalter aus (z.B. Abwürgen, zu geringer Öldruck)-> Licht bleibt an


Oder möchtest du eine andere Funktion?

der schwarze Apt 24.05.2014 16:56:42

Motor an -> Licht an
Motor aus -> Licht aus (bzw Standlicht)
Im Moment ist Zündung an -> alles an
Aber so wie ich das mitbekommen habe ist bei älteren GS ein extra Lichtschalter verbaut
Dann müsste man ne andere Lösung finden
Gruß der Apt

dreamer 24.05.2014 19:34:27

Eigentlich macht die Schaltung exakt das. Das Relais von der Öldrucklampe muss natürlich dann bei brennender Lampe als "Öffner" geschaltet sein. Die 230V-Leitung in der Skizze wäre dann die Leitung des Abblendlichts, die jetzt bei dir Spannung hat, sobald die Zündung an ist. Bei dieser Schaltung wäre diese Leitung aber unterbrochen, bis T1 einmalig geschaltet hat. Danach kommt erst die "Selbsthaltung" des Relais "R" zum tragen unabhängig davon was die Öldrucklampe danach macht.

Problematisch sehe ich nur bei dieser Schaltung, dass das "Öffner"-Relais welches "T1" trennt bei Einschalten der Zündung schneller sein muß, als das Relais "R". Evtl lässt sich das durch einen Kondensator oder durch ein träges Relais lösen.

Keine Elektriker/Elektroniker hier? :kopfkratz2:

Thom 24.05.2014 20:47:05

Da der Öldruckschalter nach Masse durchschaltet, muss die Schaltung anders herum aufgebaut werden. Das Relais R wird direkt über Sicherung an Plus angeschlossen und dann durch den Öldruckschalter gegen Masse geschaltet. Dadurch zieht es an. Der Selbsthaltekontakt schaltet dann hinter dem Relais gegen Masse. Dadurch bleibt das Relais auch angezogen, wenn der Öldruck wieder zusammenbricht. Der zweite Kontakt kann dann das Licht schalten. Der Öffnerkontakt T 2 kann entfallen. Sobald die Zündung ausgeschaltet wird, fällt das Relais sowieso ab.

CivicDeejay91 24.05.2014 20:58:35

Mal ne andere Idee:
Gibt es bei der GS eine D+ Leitung? eventuell am Regler?
Dynamo+ ist eine Leitung, auf der nur dann Saft anliegt, wenn der Generator rennt - auch wenn nur sehr wenig Spannung induziert wird!

Bei PKW/LKW legt man D+ oft auf ein Relais und damit wird dann die Startsperre geschalten, der Kraftstoffpumpen - Weiterlauf und Tagfahrlicht etc.!

mfg

dreamer 24.05.2014 21:50:24

Liste der Anhänge anzeigen (Anzahl: 1)
@Thom: so stelle ich mir die Schaltung vor (siehe Anhang).

Bitte alle Fehler in der Darstellung zu entschuldigen, bin nix Elektrischer ;)

Thom 24.05.2014 23:13:29

Von der Idee nicht schlecht, aber du muss R1 oberhalb der Lampe abgreifen und anstelle des R1 im 1. Strompfad muss du einen Öffnerkontakt von Öldruckschalter einzeichnen. Bei zwei Verbrauchern in Reihe steht nur die halbe Spannung an.
Achtung, Bild steht auf dem Kopf!

der schwarze Apt 25.05.2014 07:11:21

Hallo Leute
Das mit der Öldrucklampe war nur eine Idee und als Beispiel gedacht
Man kann auch jedes andere Stromsignal z.B. den Ladestrom für die Batterie nehmen, oder jedes andere Signal von der Lichtmaschiene das nur anliegt wenn die sich dreht ergo der Motor an ist, das vereinfacht das ganze immens!
Allerdings weiß ich nicht ob davon ein Draht im Scheinwerfer ankommt den man nutzen kann? Und da kommen so einige an in dem Scheinwerfer
Deswegen der fred hier
Wollt hier keine Zeichenstunde einberufen über technische Zeichnungen, wie ein Relais funktioniert ist mir auch bewusst ebenso wie eine Selbsthaltung geht!
Ich wollt einfach nur wissen welchen Draht ich nehmen kann
Gruß der Apt

Thom 25.05.2014 09:27:41

Wenn wir DIE Idee hätten, hätten wir sie schon präsentiert. Der Öldruckschalter war schon eine gute Idee.

Was mit gerade einfällt, du kannst die Spannung direkt vom Regler nehmen, noch vor der Batterie. Dann musst du aber eine Diode zur Batterie dazwischen setzen, damit du kein Plus von der Batterie bekommst. Dann hast du nur Spannung, wenn der Motor auch läuft.

v3ltins 25.05.2014 10:51:02

Hat hier jemand nach einem Elektriker gerufen? :au:

Zu der Zeichnung von dreamer, in der Regel ist es so, dass ein öffner, öffnet bevor der schließer, schließst.

Ich halte die Idee von Thom für sehr viel versprechend.

Sobald die Maschine läuft, bekommt man eine Steuerspannung für das Relais.
Die Diode ist aber dementsprechend groß zu wählen.
Darüber schaltet man dann die Spannung der Batterie für das ABL.

Nun ist aber die Frage, was passiert in den Moment, wo der Anlasser dreht ?
Gibt die Lima dann auch schon eine Spannung heraus und damit auch der Regler?

Falls ja, ist das nicht schlimm.
Nur geht ja dann das ABL schon beim Startvorgang an, wäre imo ja besser wenn es solange aus bleiben würde.

Dies könnte man dann ja über ein 2. Relais als Öffner, welches vom Anlasser gesteuert wird machen.

Sprich zündung an, Licht aus.

Wir Starten das Moped und das 2. Relais öffnet erstmal unseren Stromkreis, sodass das ABL ausbleibt solange der Startknopf gedrückt bleibt.

Ist das Motorrad nun an lassen wir den Schalter los und das Relais fällt ab.

Der Öffner schließt wieder.
Nun Leuchtet auch das ABL, da der Schließer des ersten Relais ja inzwischen geschlossen ist.

Das würde nun allerdings bedeuten das ABL geht aus, wenn wir während der Fahrt den Startknopf betätigen.

Macht man zwar nicht, aber überdenken sollte man das ganze ja schon.

Ich denke Versicherungstechnisch bewegt man sich da ja schon ein wenig gewagt.
Solange nichts passiert alles gut, aber was ist, wenn man im dunkeln einen Unfall baut?

dreamer 25.05.2014 12:40:28

Wenn der Öffner öffnet, bevor der Schließer schließt und man noch die Korrekturen von Thom einfließen lässt, kann man diese Schaltung schonmal als eine Möglichkeit in Betracht ziehen.
Denn wer fährt schon mit leuchtender Öldruckleuchte los? Und alle ungewollten Abwürger oder Defekte während der Fahrt lassen weiterhin das ABL brennen. Ein + für die Sicherheit ;)

der schwarze Apt 25.05.2014 12:50:02

Dazu kommt ja das alles bis auf das ABL an bleibt.
Standlicht, Rücklicht, Tachobeleuchtung, sogar Fernlicht funktioniert noch da ja nur das ABL beeinflusst wird

Thom 25.05.2014 16:54:58

Meine Batterie ist etwas schwächlich. Ich habe mir angewöhnt, das Licht vorm Starten auszuschalten und wenn der Motor läuft wieder einzuschalten. Geht auch. :grinser2:

AmigaHarry 25.05.2014 20:20:33

Hallo ihr Helden!
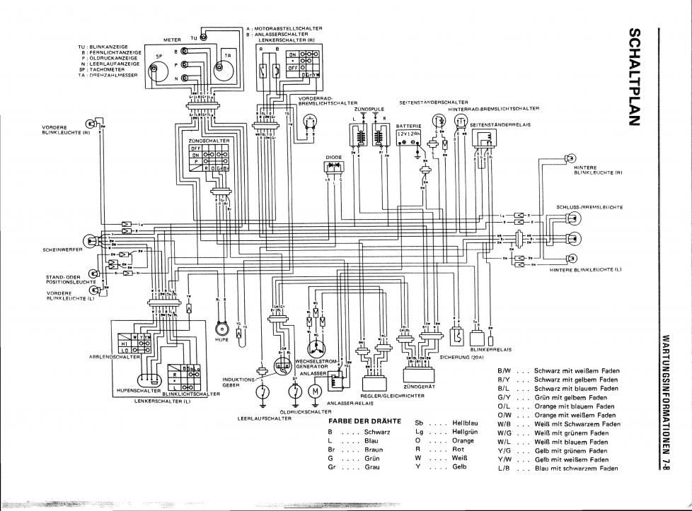
Schaut einer von euch eigendlich auch einmal auf den Schaltplan der GS?

Ihr braucht doch nur in die + Leitung des Reglers (rot) eine Diode einbauen (Sperrichtung von Batterie zu Regler) und DAVOR euch das Signal für das Relais abgreifen! Läuft der Motor, liefert der Regler Saft - das Relais zieht an. Steht der Motor lässt die Sperrdiode nichts von der Batterie zurück und das Licht ist aus.
Statt einem Relais täte es auch ein Transistor....
Und das Kabel geht nicht durch die ganze GS zum Scheinwerfer - es geht nur vom Regler zur Batterie......
Natürlich hat das den Nachteil, das das Relais auch anziehen könnte, wenn der Motor nicht anspringt und man lange orgelt. Da aber beim Orgeln die Spannung deutlich unter 10V abfällt, genügt es ein entsprechendes Relais zu verwenden, das wirklich erst bei über 10V schaltet (oder man baut sich eine kleine Schaltung mit Zenerdiode, etc.....)

Rocky 25.05.2014 20:41:14

warum hast du das nicht gleich gesagt ...

:grinser2:

AmigaHarry 25.05.2014 20:48:59

Liste der Anhänge anzeigen (Anzahl: 1)
Weil ich sehen wollte, was ihr da eigentlich vorhabt........? :grinser2:

Grundsätzlich bin ich ja eher ein Fan von einem ganz ordinären Lichtschalter mit Verlagerung dieser "komplizierten" Regelung ins menschliche Gehirn......aber was soll's.....
Für eine K4 würde ein Schalter etwa so zu realisieren sein:

CivicDeejay91 25.05.2014 20:49:28

Zitat:

Zitat von Rocky (Beitrag 539521)
warum hast du das nicht gleich gesagt ...

:grinser2:

Hier. Gehören nur 30 Sekunden Nachdenken mehr dazu.

Thom 25.05.2014 20:59:59

Zitat:

Zitat von AmigaHarry (Beitrag 539518)
Hallo ihr Helden!
Schaut einer von euch eigendlich auch einmal auf den Schaltplan der GS?

Ihr braucht doch nur in die + Leitung des Reglers (rot) eine Diode einbauen (Sperrichtung von Batterie zu Regler) und DAVOR euch das Signal für das Relais abgreifen! Läuft der Motor, liefert der Regler Saft - das Relais zieht an. Steht der Motor lässt die Sperrdiode nichts von der Batterie zurück und das Licht ist aus.
Statt einem Relais täte es auch ein Transistor....
Und das Kabel geht nicht durch die ganze GS zum Scheinwerfer - es geht nur vom Regler zur Batterie......
Natürlich hat das den Nachteil, das das Relais auch anziehen könnte, wenn der Motor nicht anspringt und man lange orgelt. Da aber beim Orgeln die Spannung deutlich unter 10V abfällt, genügt es ein entsprechendes Relais zu verwenden, das wirklich erst bei über 10V schaltet (oder man baut sich eine kleine Schaltung mit Zenerdiode, etc.....)

Zitat:

Zitat von Thom (Beitrag 539433)
Was mit gerade einfällt, du kannst die Spannung direkt vom Regler nehmen, noch vor der Batterie. Dann musst du aber eine Diode zur Batterie dazwischen setzen, damit du kein Plus von der Batterie bekommst. Dann hast du nur Spannung, wenn der Motor auch läuft.

Habe ich weiter oben schon geschrieben.

AmigaHarry 25.05.2014 21:04:15

Zitat:

Zitat von CivicDeejay91 (Beitrag 539413)
Mal ne andere Idee:
Gibt es bei der GS eine D+ Leitung? eventuell am Regler?
Dynamo+ ist eine Leitung, auf der nur dann Saft anliegt, wenn der Generator rennt - auch wenn nur sehr wenig Spannung induziert wird!

Bei PKW/LKW legt man D+ oft auf ein Relais und damit wird dann die Startsperre geschalten, der Kraftstoffpumpen - Weiterlauf und Tagfahrlicht etc.!

mfg

In der Form gibts das nicht.
An der GS liegt immer Saft auf dieser Leitung - entweder von der Lima oder von der Batterie - für die Generator-aus-Situation muss man schon selber eine kleine Schaltung machen......

AmigaHarry 25.05.2014 21:06:31

@Tom: Sorry - Ich habe nicht alle Beiträge gelesen. Umso erstaunlicher das niemand sonst das gleich aufgegriffen hat - ist ja die logischeste Lösung.....

CivicDeejay91 25.05.2014 21:09:31

Zitat:

Zitat von AmigaHarry (Beitrag 539536)
In der Form gibts das nicht.
An der GS liegt immer Saft auf dieser Leitung - entweder von der Lima oder von der Batterie - für die Generator-aus-Situation muss man schon selber eine kleine Schaltung machen......

Zitat:

Zitat von CivicDeejay91 (Beitrag 539529)
Gehören nur 30 Sekunden Nachdenken mehr dazu.

Eine Diode einzulöten empfinde ich nicht als komplizierte Schaltung... Daher die 30 Sekunden. :hammer:

AmigaHarry 25.05.2014 21:16:30

Das meinte ich auch nicht - sondern die Schwellspannungsschaltung! Ist aber auch nicht kompliziert - 120 Sekunden......:grinser2:

CivicDeejay91 26.05.2014 06:22:18

Zitat:

Zitat von AmigaHarry (Beitrag 539542)
Das meinte ich auch nicht - sondern die Schwellspannungsschaltung! Ist aber auch nicht kompliziert - 120 Sekunden......:grinser2:

Es reicht ein Relais, das erst ab 10V sicher zuschaltet. Dafür braucht man keine Elektronik und keine 120 Sekunden. ;)

John 23.03.2015 12:36:13

Liste der Anhänge anzeigen (Anzahl: 1)
Also ich hab's jetzt mal versucht, das Licht beim Starten mittels Relais auszuschalten und bin leider nur halb erfolgreich gewesen. Dazu zuerst mal ein Bild davon:

Anhang 22091

Ich habe hierfür ein 5-poliges Relais genommen (bistabil). Die Verkabelung dachte ich mir folgendermaßen: Masse und Standlicht sind auf Pol 30 vom Relais, das Kabel vom Abblend-/Fernlicht sind auf 87a (die 3 Kabel waren vormals im rechten Lenkerschalter, nur habe ich in meinen neuen Armaturen keinen Schalter drin).
Das heißt, dass das Licht permanent angeschaltet ist, wenn das Relais in Ruhestellung ist. Zieht das Relais dann an, schaltet es auf Pol 87 um, wo aber nichts dranhängt; heißt Licht geht aus (bis auf das Standlicht, das ist zu jeder Zeit bei aktiver Zündung an, weil es mit Masse zusammen auf Pol 30 hängt).
Um das Relais jetzt zu schalten dachte ich mir, dass das Licht ja nur zu genau einem Zeitpunkt aus sein sollte, nämlich wenn man startet. Praktischerweise ist die eine Leitung vom Starterschalter frei zugänglich und hängt in keiner Buchse im Lampentopf drin (gelb-grünes Kabel).
Ergo habe ich statt der vorhandenen Japanstecker normale Flachstecker draufgequetscht und an die Steuerleitungen des Relais gehangen (Pol 85 und 86).
Beim Test kam dann allerdings die Ernüchterung: Bei aktiver Zündung geht das Licht wunderbar an, Umschalten auf Fernlicht klappt logischerweise auch und wenn ich den Starterknopf drücke geht das Licht (bis auf das Standlicht) aus. Funktioniert also wie es soll. Nur springt die Maschine dann nicht an; nichtmal ein Klackern vom Starterrelais ist zu hören.
Ziehe ich die Kabel des Starterknopfs vom Relais ab und verbinde sie miteinander springt die Maschine einwandfrei an; nur das Licht wird eben nicht mehr ausgeschaltet...
Jetzt ist die Frage: woran scheitert es, dass am Starterrelais anscheinend kein Saft mehr ankommt? :kopfkratz2:

AmigaHarry 23.03.2015 14:26:56

Was hast du da genau gemacht? Du hast die Starterleitung vom Startknopf zum Startrelais auf 86 (oder 85?) angeschlossen? Damit hast du die Leitung zum Anlasserrelais unterbrochen! Du musst dein Relais parallel dazu schalten! Also in die Leitung vom Startknopf zum Anlasserrelais einen Abzweiger auf 85 einbauen und von 86 auf Masse gehen (bzw. weis ich jetzt nicht genau ob der Anlasserknopf auf Masse durchschaltet - wenn ja, dann mit 86 auf Pluspol gehen - habe momentan keinen Schaltplan hier....)

geko4711 23.03.2015 14:55:57

Zitat:

Zitat von AmigaHarry (Beitrag 554098)
::: und von 86 auf Masse gehen (bzw. weis ich jetzt nicht genau ob der Anlasserknopf auf Masse durchschaltet - wenn ja, dann mit 86 auf Pluspol gehen - habe momentan keinen Schaltplan hier....)

Der Anlasserknopf schaltet nicht auf Masse, sondern zur Zündbox, also Plus.

John 23.03.2015 16:00:00

Ja das Starterrelais schaltet auf Masse durch; der Starterknopf bekommt orange-weiß rein und führt gelb-grün raus, was dann einmal einen Umweg über den Lampentopf nimmt und dort original einen Rundstecker (Japanstecker) hat. Laut Schaltplan geht das gelb-grüne Kabel dann ins Starterrelais rein und kommt schwarz-weiß (Masse) wieder raus.
Ich hab also ins grün-gelbe Kabel im Lampentopf das Relais in Reihe eingehangen, ist ja aber dadurch so gesehen nicht unterbrochen, da der innere Aufbau des Relais nur ne Spule ist; unterbrochen ist das Kabel ja nur am Starterschalter...
Wenn ich den Starterknopf drücke funktionierts ja auch, mir scheint nur irgendwie, dass nicht mehr genug Saft fürs "zweite" Starterrelais ankommt und es deswegen nicht anzieht...
Ich kanns aber natürlich mal mit Parallelschaltung probieren, mal gucken ob's klappt...

AmigaHarry 23.03.2015 16:13:55

Wenn ich am Abend zu Hause bin schaue ich mir mal den Schaltplan an....

AmigaHarry 23.03.2015 22:00:51

Liste der Anhänge anzeigen (Anzahl: 1)
Sieh dir mal das Anlasser-Schemaschaltbild an und sag uns was du genau wo angehängt hast......
Wie man sieht schaltet das Relais auf Masse durch - über den Starterknopf kommt daher +12V......mit einem Öffner-Relais, dessen Steuerspannung (85) nach dem Starterknopf (+) abgegriffen wird, und mit 86 auf Masse geht, sollte das laufen.....
Öffner/Schließer: http://www.ebay.de/itm/Kfz-Relais-12...-/310704395304 -> Last auf 30 und 87a = genauso wie du es oben beschrieben hast.
Was ich nicht nachvollziehen kann ist das in deinem Scheinwerfertopf ein fliegender Anschluss vom Startschalter (Kabel Y/Gr) sein soll.....? - Lt. Schaltplan gibts sowas nicht......

John 23.03.2015 22:33:57

Liste der Anhänge anzeigen (Anzahl: 2)
Ich hab mal deinen Anhang editiert:

Anhang 22107

Ich hab das Relais wie gesagt genau in die Leitung in Reihe gehängt, weil da praktischerweise der fliegende Anschluss im Topf war.
Auf dem Schaltplan im Handbuch ist der Stecker/fliegende Anschluss neben der Hupe zu sehen:

Anhang 22108

Hab nochmal durchgemessen; auf dem Anschluss liegen die 12V auch wirklich an (sonst würde das nachgerüstete Relais ja auch nicht anziehen wenn ich den Starterknopf drücke).

John 24.03.2015 10:51:37

Ich hab den Fehler bzw die Lösung dazu gefunden...
Ich merke mal wieder, dass ich mich in diesem Fall für die falsche Studiengangsrichtung entschieden habe (Energie und Antriebe statt Elektronik und Kommunikation), dann wäre mir das sicher gleich aufgefallen :-D
Also es scheitert an der Reihenschaltung der beiden Relais; wenn ich beide einfach in Reihe zusammenschließe, dann teilt sich die Spannung an beiden Relais auf. Dies führt dazu, dass das zweite Relais nur 6V abbekommt (in meinem Fall das Starterrelais) und daher nicht anzieht.
Ich hab das Ganze mal nochmal am Schreibtisch mit 2 Relais gleicher Art getestet, und - Oh Wunder- bei Reihenschaltung zieht nur das erste Relais an; wenn ich beide aber auf gemeinsame Masse lege und dann die Steuerleitung (in dem kleinen Test eben das +12V Kabel) auf beide aufteile ziehen beide an...
Jetzt muss ich nur mal gucken, wie ich das jetzt am Motorrad umsetze...

AmigaHarry 24.03.2015 11:56:14

Das habe ich dir ja geschrieben: Parallel schalten!
Lass den 86 wo er ist und häng den 85 irgendwo an Masse (oder umgekehrt - ist egal)!
Solange du orgelst zieht das Relais dann an......
Sowas in Serie kann niemals laufen.......

John 26.03.2015 11:17:10

Habs jetzt an die Masse der Hupe gehangen; funktioniert wie zu erwarten einwandfrei :)
@ Harry: Ich hätte natürlich früher auf dich hören sollen, aber ein erster Test mit loser Verkabelung funktionierte erst nicht richtig (hatte dabei den Rahmen als Masse genutzt, war wohl keine gute Kontaktierung an der Stelle).

Also nochmal zum Mitschreiben für alle, die es nachbauen wollen:
Bei einem 5-poligen KFZ-Relais sind Masse und Standlicht auf Pol 30, dadurch ist das Standlicht permanent an, auch beim Starten; das Kabel vom Abblend-/Fernlicht sind auf 87a und somit in Ruheposition des Relais angeschaltet. Zieht das Relais dann an, schaltet es auf Pol 87 um, wo aber nichts dranhängt; heißt Licht geht aus. Zum Schalten des Relais habe ich den Schalter vom Starter angezapft (grün-gelbes Kabel) und auf Pol 85 gesteckt und auf Pol 86 das Massekabel der Hupe (somit Parallelschaltung des Relais zum Starterrelais).
Funktioniert super und wie erhofft! ;-)

Thom 26.03.2015 13:17:10

Warum nast du das nicht vernüftig gemacht und so geschaltet, dass das Licht nur bei laufendem Motor angeht?

John 26.03.2015 13:22:18

Wieso? Ist doch vernünftig? Das wäre höchstens dann interessant, wenn ich die Zündung ewig an hätte, aber den Motor nicht starte; aber wozu soll ich die Zündung anschalten, wenn ich den Motor nicht starte?

Saugwurmmensch 26.03.2015 16:54:00

Das Standlicht ist davon aber nicht betroffen, oder?

John 26.03.2015 16:57:38

Na das Standlich ist immer an, sobald die Zündung an ist. Oder meinst du das Parklicht?

towe 28.05.2015 08:13:01

Anderer Ansatz: Ölkontrollleuchte zündet über Relais einen Thrystor, sobald sie ausgeht. Dann wär das ABL allerdings an, bis das ganze Moped ausgeschalten ist.

John 28.05.2015 08:48:33

Wenn du schon ein Relais verbaust, dann kannst du dir den ganzen anderen Kram wie Thyristoren etc sparen...
Wenns danach geht, dann kannste dir auch gleich nen Raspberry/Arduino einbauen und das Licht per App oder übers Web an und auszuschalten -.-
So ein Schmarrn...!

towe 28.05.2015 08:49:55

Zitat:

Zitat von John (Beitrag 557949)
Wenn du schon ein Relais verbaust, dann kannst du dir den ganzen anderen Kram wie Thyristoren etc sparen...
Wenns danach geht, dann kannste dir auch gleich nen Raspberry/Arduino einbauen und das Licht per App oder übers Web an und auszuschalten -.-
So ein Schmarrn...!

Mit Thrystor bleibt aber das Licht an, auch wenn man Öldruck verliert...

John 28.05.2015 10:11:18

Wenn du dir durchgelesen hast wie ich das gelöst habe, dann wirst du sehen, dass bei mir das Licht auch permanent an ist, ohne das mit dem Öldruck zu koppeln, spare mir damit also mindestens den Thyristor...
Gelöst habe ich das auch nur mit einem einzigen Relais (Licht geht nur während des Startens aus - worum es ja im Endeffekt geht um die LiMa zu entlasten - und ist nur bei aktiver Zündung an) und ist damit deutlich eleganter.
Perfektion ist nicht dann erreicht, wenn man nichts mehr hinzufügen kann sondern wenn man nichts mehr wegnehmen kann...

AmigaHarry 28.05.2015 14:43:11

Ähm...entlasten tust du da die Batterie, nicht die Lima! Die tut bei der Drehzahl sowieso noch nichts......

John 28.05.2015 16:16:35

Ach siehste Harry, ja natürlich meine ich die Batterie :-D


Alle Zeitangaben in WEZ +1. Es ist jetzt 04:18:15 Uhr.

Powered by vBulletin® Version 3.8.9 (Deutsch)
Copyright ©2000 - 2026, vBulletin Solutions, Inc.