Einzelnen Beitrag anzeigen
Alt 03.05.2024, 16:09:36   #2
AmigaHarry
Erfahrener Benutzer
 
Benutzerbild von AmigaHarry
 
Registriert seit: 13.11.2005
Ort: Perchtoldsdorf
Alter: 64
Beiträge: 5.317
Kilometer: 1.1mio
Standard

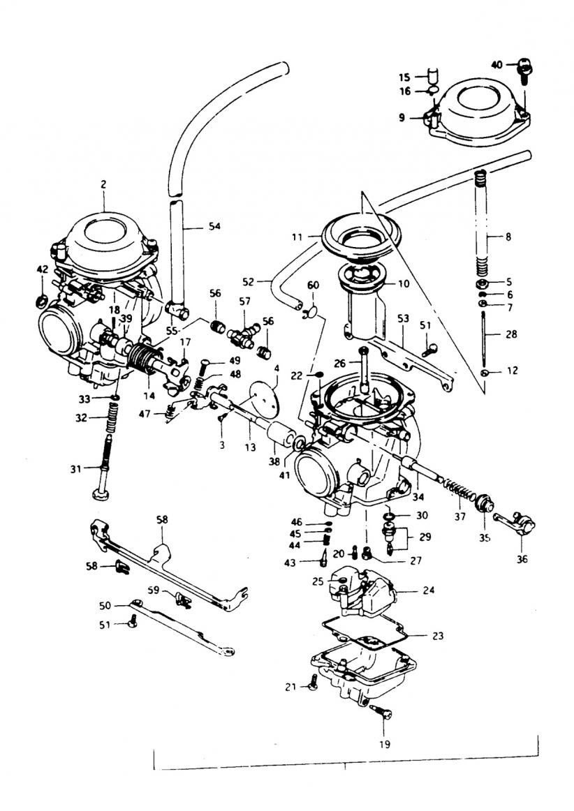
Natürlich kann die fehlende Dichtung das verursachen. Mikuni baut die ja nicht zum Spaß ein. Setze die einmal ein und probiere es dann. Wenn die da munter Luft zieht, wird sie abmagern, bzw. wird sie an Unterdruck verlieren. Fehlt das bei beiden Vergasern?

Anbei noch eine Zeichnung des Vergasers, damit du nachsehen kannst, was vielleicht sonst noch nicht passt:
Miniaturansicht angehängter Grafiken
Klicke auf die Grafik für eine größere Ansicht

Name:	Carburator.jpg
Hits:	1469
Größe:	105,1 KB
ID:	32065  
AmigaHarry ist offline   Mit Zitat antworten