gs-500.de  

Zurück   gs-500.de > GS500(E/F) > Elektrik, Elektronik und Beleuchtung

Hinweise

Antwort
 
Themen-Optionen
Alt 03.03.2009, 20:59:16   #1
Honzuki
Benutzer
 
Registriert seit: 15.02.2009
Beiträge: 83
Standard Lichtschalter Nachrüsten !?

Alos,
stören tut mich folgendes....der GS Anlasser ist meiner Meinung nach nicht der beste....
und wenn die Baterie jetzt nicht bei 100% ist springt sie einfach nicht Sofort an....
grade bei längern standzeiten nervt mich das total !!!!

Nun ist es ja so das das Licht an geht sobald ich den Zündschlüssel rumdrehe und das zieht ne ganze Menge Strom.
Von meinen anderen Motorrädern kenn ich es das Lichtausschalten vor dem Zünden wunder hilft....kann die GS ja leider nicht !! Zumindest meine ( Amerikanische)!

Nachrustbar ?
Schon jemand gemacht ?
Honzuki ist offline   Mit Zitat antworten
Alt 03.03.2009, 21:05:35   #2
Knallbirne
Erfahrener Benutzer
 
Registriert seit: 28.02.2009
Ort: Bremerhaven
Alter: 36
Beiträge: 153
Baujahr: 2004
Kilometer: 40.000
Standard Re: Lichtschalter Nachrüsten !?

Ich weiß ja nicht ob dir das weiterhilft aber bei meiner GS gibt es eine "licht aus" stellung am schalter (Bj 2004).
Knallbirne ist offline   Mit Zitat antworten
Alt 03.03.2009, 21:13:31   #3
Honzuki
Benutzer
 
Registriert seit: 15.02.2009
Beiträge: 83
Standard Re: Lichtschalter Nachrüsten !?

Nö Hilft nciht so direkt
Naja zumindest weiss ich jetzt auch das die Leute von Suzuki lernfähig sind....

Ich hab echt nur einen schalten mit dem ich wechseln kann zwischen Fehrnlicht und Abblendlicht.....beim ersten mal dachte ich auch das gibts doch nicht......

Liegts am US Modell oder am Baujahr ?
Honzuki ist offline   Mit Zitat antworten
Alt 03.03.2009, 21:17:26   #4
cha0s
Gast
 
Beiträge: n/a
Standard Re: Lichtschalter Nachrüsten !?

wird am us- modell liegen, im schaltplan ist kein lichtschalter an der rechten amatur eingezeichnet. die sauberste lösung ist imho die amatur gegen eine europäische zu ersetzen und den kabelbaum anzupassen.

Geändert von cha0s (27.01.2011 um 21:40:16 Uhr)
  Mit Zitat antworten
Alt 03.03.2009, 21:20:11   #5
Honzuki
Benutzer
 
Registriert seit: 15.02.2009
Beiträge: 83
Standard Re: Lichtschalter Nachrüsten !?

Würd gerne einfach eine Zusatzschalter haben...aber hab nciht so richtig Plan wie das am einfachsten zu realiesieren wäre....
Honzuki ist offline   Mit Zitat antworten
Alt 03.03.2009, 21:22:34   #6
Saugwurmmensch
Public-Relations-Manager
 
Benutzerbild von Saugwurmmensch
 
Registriert seit: 19.07.2004
Ort: Strausberg
Alter: 42
Beiträge: 24.180
Baujahr: 1998
Kilometer: 22000
Standard Re: Lichtschalter Nachrüsten !?

Kauf dir einfach ne gebrauchte rechte Lenkerarmatur mit dem Lichtschalter.
Ist relativ einfach "umzubauen", da bei der US-Version im Lampentopf nur ein, zwei Kabel auffällig unüblich quer gezogen sind um den nicht vorhandenen Schalter zu umgehen.

Hab ich beim letzten Aufbau auch gemacht, da der Käufer gern nen Lichtschalter wollte.
__________________
Wer hat noch keinen Organspendeausweis ?

Warning: may contain Verballhornung.
Suzuki - ride the wings of stain !
Saugwurmmensch ist offline   Mit Zitat antworten
Alt 03.03.2009, 21:22:49   #7
cha0s
Gast
 
Beiträge: n/a
Standard Re: Lichtschalter Nachrüsten !?

nehm die amatur mal auseinander und schau ob dort noch ein schalter reinpassen würde. oder ein schalter zwischen dzm und tacho.

Geändert von cha0s (27.01.2011 um 21:40:24 Uhr)
  Mit Zitat antworten
Alt 03.03.2009, 21:26:03   #8
Honzuki
Benutzer
 
Registriert seit: 15.02.2009
Beiträge: 83
Standard Re: Lichtschalter Nachrüsten !?

In der Amatur ist kein Platz die hatte ich heute noch auf !
Extern wäre schon gut !
Wo ich sunterbringe ist ja Ansich egal ....bin nur nicht ganz sicher wie es zu schalten wäre und vor allem WO am besten !
Honzuki ist offline   Mit Zitat antworten
Alt 03.03.2009, 21:29:42   #9
Saugwurmmensch
Public-Relations-Manager
 
Benutzerbild von Saugwurmmensch
 
Registriert seit: 19.07.2004
Ort: Strausberg
Alter: 42
Beiträge: 24.180
Baujahr: 1998
Kilometer: 22000
Standard Re: Lichtschalter Nachrüsten !?

Siehe mein Post...
Da sparst du dir nen neuen Schalter der auch irgendwo untergebracht werden will und extra strippenziehen und den ganzen Aufwand.
In der Zeit, die du mit der Schalterplanung schon verbracht hast, hättest du die GS-Armatur schon getauscht
__________________
Wer hat noch keinen Organspendeausweis ?

Warning: may contain Verballhornung.
Suzuki - ride the wings of stain !
Saugwurmmensch ist offline   Mit Zitat antworten
Alt 03.03.2009, 21:34:29   #10
Honzuki
Benutzer
 
Registriert seit: 15.02.2009
Beiträge: 83
Standard Re: Lichtschalter Nachrüsten !?

Den hab ich [bersehen.....dann werd ich das bei gelegenheit machen </(

Mal wieder Danke !
Schon mal daran gedacht ein Buch [ber die GS zu schreiben
Honzuki ist offline   Mit Zitat antworten
Alt 03.03.2009, 21:38:54   #11
Saugwurmmensch
Public-Relations-Manager
 
Benutzerbild von Saugwurmmensch
 
Registriert seit: 19.07.2004
Ort: Strausberg
Alter: 42
Beiträge: 24.180
Baujahr: 1998
Kilometer: 22000
Standard Re: Lichtschalter Nachrüsten !?

Schau auch mal nach, ob du überhaupt ein Standlicht hast.
Der Scheinwerfer, der beim letzten Aufbau montiert war hatte keins. Dem hab ich dann einen Scheinwerfer mit Standlicht spendiert.

Zum Buch:
Hab schon angefangen das Forum Seite für Seite auszudrücken
__________________
Wer hat noch keinen Organspendeausweis ?

Warning: may contain Verballhornung.
Suzuki - ride the wings of stain !
Saugwurmmensch ist offline   Mit Zitat antworten
Alt 03.03.2009, 21:42:34   #12
cha0s
Gast
 
Beiträge: n/a
Standard Re: Lichtschalter Nachrüsten !?

egal ist das nicht. er muß in der nähe des scheinwerfers untergebracht werden. bei dem stromfluß wird die leitungslänge schnell kritisch. ein einfacher schließer würde reichen wenn die masse geschaltet wird, ein doppelter wenn fernlicht und abblendlicht separat an + geschaltet werden soll.

Geändert von cha0s (27.01.2011 um 21:40:35 Uhr)
  Mit Zitat antworten
Alt 03.03.2009, 21:46:45   #13
Saugwurmmensch
Public-Relations-Manager
 
Benutzerbild von Saugwurmmensch
 
Registriert seit: 19.07.2004
Ort: Strausberg
Alter: 42
Beiträge: 24.180
Baujahr: 1998
Kilometer: 22000
Standard Re: Lichtschalter Nachrüsten !?

Haben moderne Maschinen nicht sogar ein Relais, dass den Strom für den Scheinwerfer erst freischaltet, wenn eine gewisse LiMa-Leistung erbracht wird?
Da man eh immer mit Licht fahren muss wäre das eine elegante Lösung bei der man sich den Lichtschalter komplett spart.
Standlicht kann bei Zündung ja immer an sein...die Funzel wird kaum über Gedeih und Verderb des Startvorgangs entscheiden.
__________________
Wer hat noch keinen Organspendeausweis ?

Warning: may contain Verballhornung.
Suzuki - ride the wings of stain !
Saugwurmmensch ist offline   Mit Zitat antworten
Alt 03.03.2009, 21:51:42   #14
cha0s
Gast
 
Beiträge: n/a
Standard Re: Lichtschalter Nachrüsten !?

Zitat:
Zitat von Saugwurmmensch
.... dass den Strom für den Scheinwerfer erst freischaltet, wenn eine gewisse LiMa-Leistung erbracht wird?.
die lima der gs arbeitet doch erst richtig ab 2k u/min. es wär zwar relativ einfach eine schaltung zu basteln, die anhand der "brummspannung" ein relais über ein verzögerungsglied freischaltet, aber ich denke nicht, daß die graukittel da ohne weiteres ihren segen zu geben.

Geändert von cha0s (27.01.2011 um 21:40:47 Uhr)
  Mit Zitat antworten
Alt 03.03.2009, 22:01:42   #15
Saugwurmmensch
Public-Relations-Manager
 
Benutzerbild von Saugwurmmensch
 
Registriert seit: 19.07.2004
Ort: Strausberg
Alter: 42
Beiträge: 24.180
Baujahr: 1998
Kilometer: 22000
Standard Re: Lichtschalter Nachrüsten !?

Naja, irgend ein schlaues Bauteil scheint das ja TÜVkonform bei den aktuellen Supersportlern hinzukriegen.
Welcher Art das genau ist, weiß ich leider nicht.
__________________
Wer hat noch keinen Organspendeausweis ?

Warning: may contain Verballhornung.
Suzuki - ride the wings of stain !
Saugwurmmensch ist offline   Mit Zitat antworten
Alt 03.03.2009, 22:05:31   #16
cha0s
Gast
 
Beiträge: n/a
Standard Re: Lichtschalter Nachrüsten !?

ja bei den aktuellen. ich meine eine eigenbaulösung auf die gs bezogen.
  Mit Zitat antworten
Alt 03.03.2009, 22:16:38   #17
Saugwurmmensch
Public-Relations-Manager
 
Benutzerbild von Saugwurmmensch
 
Registriert seit: 19.07.2004
Ort: Strausberg
Alter: 42
Beiträge: 24.180
Baujahr: 1998
Kilometer: 22000
Standard Re: Lichtschalter Nachrüsten !?

Bestenfalls ist es eine kleine externe Zauberkiste die man plug&play übernehmen kann...aber die Erfahrung lehrt, dass das zu einfach wäre

Aber is ja auch wurscht...wenn er eh die hässliche Originalarmatur spazieren fährt kann er auch einfach eine andere nachrüsten und auf die Spielerei verzichten.
__________________
Wer hat noch keinen Organspendeausweis ?

Warning: may contain Verballhornung.
Suzuki - ride the wings of stain !
Saugwurmmensch ist offline   Mit Zitat antworten
Alt 03.03.2009, 22:18:41   #18
Honzuki
Benutzer
 
Registriert seit: 15.02.2009
Beiträge: 83
Standard Re: Lichtschalter Nachrüsten !?

Das wäre wirklich ne schöne Lösung
Aber das Geld und die Zeit steck ich lieber ins Fahrwerk !!!

Also Standlicht habsch net in meinem.....
Wie ist das mit dem Kabelbaum der US ? Ist es der selbe und sie haben einfach nur die Schalter/Birnchen weggelassen sodass ich einfach nachrüsten kann.....
oder ist mal wieder löten angesagt ?!
Honzuki ist offline   Mit Zitat antworten
Alt 03.03.2009, 22:21:28   #19
cha0s
Gast
 
Beiträge: n/a
Standard Re: Lichtschalter Nachrüsten !?

löten würd ich garnicht, nur klemmen. pn' mir mal deine mailaddi, ich hab da infos die dir weiterhelfen.
  Mit Zitat antworten
Alt 03.03.2009, 22:24:34   #20
Saugwurmmensch
Public-Relations-Manager
 
Benutzerbild von Saugwurmmensch
 
Registriert seit: 19.07.2004
Ort: Strausberg
Alter: 42
Beiträge: 24.180
Baujahr: 1998
Kilometer: 22000
Standard Re: Lichtschalter Nachrüsten !?

ich hab 2 oder 4x gecrimpt.
War eigentlich nicht schwer...aber frag nicht was genau ich da gemacht hab...hab ne ganze Weile mit dem Schaltplan vor der Kiste gesessen bis es irgendwann funktioniert hat.
Aber Standlicht nachrüsten ist nicht so einfach...da müsstest du ein Loch in den Scheinwerfer bohren. Oder einfacher: einen gebrauchten Lampentopf hier im Forum kaufen.

Mach doch mal den Lampentopf auf und schau, ob bei dir auch so auffällig Kabel diagonal verbunden sind oder blind enden.
Mit nem schönen Foto kann dir hier im Forum bei der Neuverkabelung bestimmt geholfen werden
__________________
Wer hat noch keinen Organspendeausweis ?

Warning: may contain Verballhornung.
Suzuki - ride the wings of stain !
Saugwurmmensch ist offline   Mit Zitat antworten
Alt 03.03.2009, 22:25:19   #21
Honzuki
Benutzer
 
Registriert seit: 15.02.2009
Beiträge: 83
Standard Re: Lichtschalter Nachrüsten !?

Wird gemacht (mit der PN)


Ich klemme + löte die klemmung.....einfach nur weil ich schon zu viel ärger hatte mit schlechten Kontakten.....
in dem fall hält DOPPELT BESSER !!!
Honzuki ist offline   Mit Zitat antworten
Alt 04.03.2009, 12:41:13   #22
AmigaHarry
Erfahrener Benutzer
 
Benutzerbild von AmigaHarry
 
Registriert seit: 13.11.2005
Ort: Perchtoldsdorf
Alter: 64
Beiträge: 5.313
Kilometer: 1.1mio
Standard Re: Lichtschalter Nachrüsten !?

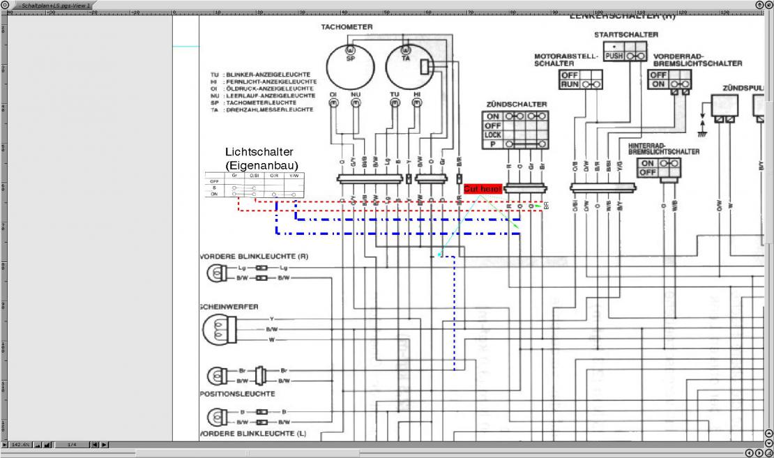
Habe an meiner F 2004 auch den Lichtschalter nachgerüstet. Habe dazu einen gebrauchten original-Schalter von SUZUKI verwendet. Der Stecker passt genau auf den Stecker des Hauptkabelbaumes. Allerdimgs müssen zwei Kabel gekappt und neu verbunden werden (Am Hauptkabelbaum) da Suzuki die Stromversorgung für Abblend und Standlicht nicht mehr an den Stecker geführt hat (Schaltplan kannst du von mir am Wochenende haben -> PN).
Solltest du keinen Schalter finden sieh mal bei der ital. Fa. DOMINO nach - die machen alle Schalter (auch für die Japsen....)

http://www.moroteile.de/assets/s2dmain. ... oschalter/
AmigaHarry ist offline   Mit Zitat antworten
Alt 10.03.2009, 20:15:10   #23
Honzuki
Benutzer
 
Registriert seit: 15.02.2009
Beiträge: 83
Standard Re: Lichtschalter Nachrüsten !?

So die GS ist eigentlich wieder fertig
jetzt aber zum Lichtschalter :

An die die es schonmal gemacht haben beim US-Modell :
Bevor ich mich mit dem Schhaltplan auseinadersetze
welche Kabel(farben) habt ihr abgetrennt und wo neu angeschlossen ?
Die seltsam Quer verlaufenden Kabel wie ihr beschrieben habt sind bei mir vorhanden !
Und eine Amatur mit Schalter ist heute angekommen.....
Honzuki ist offline   Mit Zitat antworten
Alt 10.03.2009, 20:51:03   #24
Saugwurmmensch
Public-Relations-Manager
 
Benutzerbild von Saugwurmmensch
 
Registriert seit: 19.07.2004
Ort: Strausberg
Alter: 42
Beiträge: 24.180
Baujahr: 1998
Kilometer: 22000
Standard Re: Lichtschalter Nachrüsten !?

Wenn mein Kumpel am Samstag mit der GS zum Schrauberstammtisch kommt, können wir ein Bild von der Verkabelung machen.
__________________
Wer hat noch keinen Organspendeausweis ?

Warning: may contain Verballhornung.
Suzuki - ride the wings of stain !
Saugwurmmensch ist offline   Mit Zitat antworten
Alt 12.03.2009, 13:46:03   #25
Cosmo
Erfahrener Benutzer
 
Benutzerbild von Cosmo
 
Registriert seit: 08.07.2008
Ort: Flensburg
Alter: 43
Beiträge: 671
Baujahr: 1993
Kilometer: 35000
Standard Re: Lichtschalter Nachrüsten !?

Also ich glaube ich habe noch zuhause den rechten stummel samt schalter rumliegen. Falls ich den finde kann ich ihn dir sehr günstig übergeben.
__________________
Sinn des Lebens: etwas, das keiner genau weiß. Jedenfalls hat es wenig Sinn, der reichste Mann auf dem Friedhof zu sein.

<- verdächtig viel
Cosmo ist offline   Mit Zitat antworten
Alt 12.03.2009, 13:47:18   #26
Reinki
Stammtisch Hamburg
 
Benutzerbild von Reinki
 
Registriert seit: 08.06.2005
Ort: Hamburg - Eilbek
Alter: 42
Beiträge: 2.427
Standard Re: Lichtschalter Nachrüsten !?

Zitat:
Zitat von Honzuki
Und eine Amatur mit Schalter ist heute angekommen.....
Reinki ist offline   Mit Zitat antworten
Alt 12.03.2009, 13:51:00   #27
Cosmo
Erfahrener Benutzer
 
Benutzerbild von Cosmo
 
Registriert seit: 08.07.2008
Ort: Flensburg
Alter: 43
Beiträge: 671
Baujahr: 1993
Kilometer: 35000
Standard Re: Lichtschalter Nachrüsten !?

ich sollte sorgfältiger lesen statt nur zu überfliegen
__________________
Sinn des Lebens: etwas, das keiner genau weiß. Jedenfalls hat es wenig Sinn, der reichste Mann auf dem Friedhof zu sein.

<- verdächtig viel
Cosmo ist offline   Mit Zitat antworten
Alt 10.03.2011, 18:14:35   #28
XL-Twin
Neuer Benutzer
 
Registriert seit: 19.09.2010
Beiträge: 14
Standard Alter Kram ?

Hab den Thread hier zufällig gefunden,
aber die Infos sind mir noch ein wenig zu wage um drauf los zu schibbeln.

Eine Amatur für den rechten Lenkerschalter hab ich schon da;
jetzt wüsste ich gerne, falls es jemand weiss welche Kabel ich wirklich neu verbinden muss.
Das fehlt mir etwas im Thread.....
XL-Twin ist offline   Mit Zitat antworten
Alt 11.03.2011, 12:38:46   #29
AmigaHarry
Erfahrener Benutzer
 
Benutzerbild von AmigaHarry
 
Registriert seit: 13.11.2005
Ort: Perchtoldsdorf
Alter: 64
Beiträge: 5.313
Kilometer: 1.1mio
Standard

Das sollte dir helfen (Schaltplan K4+)......Das zweite Bild ist die interne Beschaltung des originalen Lichtschalters.......
Mit dem Umbau leuchtet zwar die Amaturenbleuchtung nach wie vor immer, aber das Licht lässt sich komplett in 2 Stufen schalten (off-standlicht-on).
Miniaturansicht angehängter Grafiken
Klicke auf die Grafik für eine größere Ansicht

Name:	b1.jpg
Hits:	1077
Größe:	107,9 KB
ID:	9529   Klicke auf die Grafik für eine größere Ansicht

Name:	Lichtschalter.jpg
Hits:	1055
Größe:	13,7 KB
ID:	9530  
AmigaHarry ist offline   Mit Zitat antworten
Alt 17.03.2011, 19:48:07   #30
XL-Twin
Neuer Benutzer
 
Registriert seit: 19.09.2010
Beiträge: 14
Standard

Erstmal danke !
Sofern ich meine anderen Projekte VTR 1000 SP1 und VFR 400 beendet habe werd ich mich in wenigen Tagen an die GS machen !
Hab da noch das ein oder ander Vergaser und Geräuschproblem mit der GS aber dazu später andere Threads ....
XL-Twin ist offline   Mit Zitat antworten
Alt 22.03.2011, 22:40:32   #31
XL-Twin
Neuer Benutzer
 
Registriert seit: 19.09.2010
Beiträge: 14
Standard

Dazu wird es nicht mehr kommen !!!
GS = Totalschaden dank 80-jährigem der das mit der Vorfahrt nicht so hatte !
Genauso wie mit den Augen....tolle Kombi !!
XL-Twin ist offline   Mit Zitat antworten
Antwort

Lesezeichen


Forumregeln
Es ist dir nicht erlaubt, neue Themen zu verfassen.
Es ist dir nicht erlaubt, auf Beiträge zu antworten.
Es ist dir nicht erlaubt, Anhänge hochzuladen.
Es ist dir nicht erlaubt, deine Beiträge zu bearbeiten.

BB-Code ist an.
Smileys sind an.
[IMG] Code ist aus.
HTML-Code ist aus.

Gehe zu

Ähnliche Themen
Thema Autor Forum Antworten Letzter Beitrag
Lichtschalter AmigaHarry Elektrik, Elektronik und Beleuchtung 1 27.02.2006 18:42:05
Tempomat nachrüsten Verkleidungen, Anbauteile und Zubehör 21 02.06.2003 22:27:34
Wie eine Temperaturanzeige nachrüsten? Verkleidungen, Anbauteile und Zubehör 4 27.08.2002 15:56:02


Alle Zeitangaben in WEZ +1. Es ist jetzt 16:43:29 Uhr.


Powered by vBulletin® Version 3.8.9 (Deutsch)
Copyright ©2000 - 2026, vBulletin Solutions, Inc.