gs-500.de  

Zurück   gs-500.de > GS500(E/F) > Vergaser - Kraftstoff - Drosseln - Tuning

Hinweise

Thema geschlossen
 
Themen-Optionen
Alt 01.10.2011, 17:30:15   #1
Adept
Gast
 
Beiträge: n/a
Standard Reihenfolge Gemischregulierschraube

Hallo zusammen,

eine kurze Frage weil ich gerade auf dem Schlauch steh :

Due Reihenfolge bei der Gemischregulierschraube ist schon
Feder -> Scheibe -> O-Ring
(Und nicht Feder -> O-Ring -> Scheibe.) ?
Erscheint mir sinnvoller

Thread kann dann auch gleich geclosed werden wenn jemand geantwortet hat.

Daaaanke und einen schönen Abend allerseits,

Basti
 
Alt 01.10.2011, 17:40:30   #2
berndy
Super-Moderator
 
Benutzerbild von berndy
 
Registriert seit: 16.08.2006
Ort: Schifferstadt/Pfalz
Alter: 63
Beiträge: 10.720
Baujahr: 1995
Kilometer: 66666
Standard

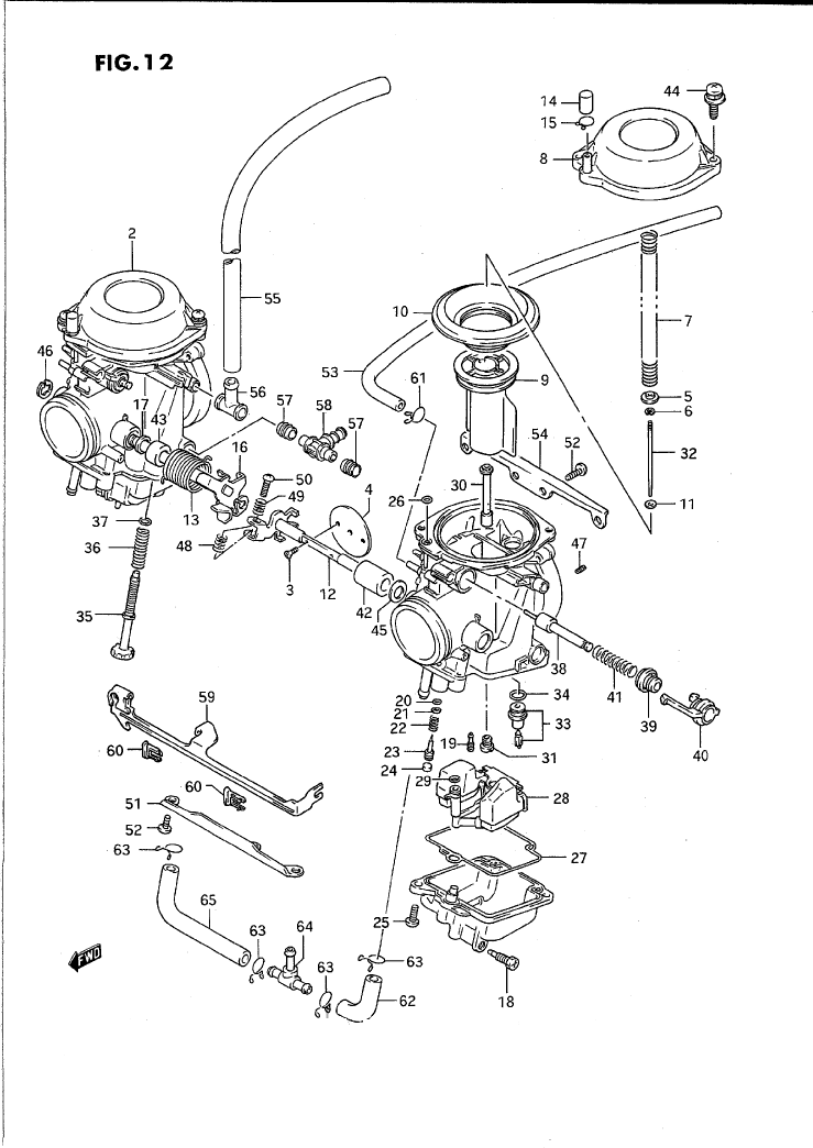
Auf dem Bild # 23-22-21-20. 24 ist ein Stopfen, der nicht immer verbaut ist.

Also Nadel-Feder-Scheibe-O-Ring.
Miniaturansicht angehängter Grafiken
Klicke auf die Grafik für eine größere Ansicht

Name:	06a.GIF
Hits:	550
Größe:	55,8 KB
ID:	11713  
__________________

Man sollte es so oder so nicht übertreiben.
berndy ist offline  
Thema geschlossen

Lesezeichen


Forumregeln
Es ist dir nicht erlaubt, neue Themen zu verfassen.
Es ist dir nicht erlaubt, auf Beiträge zu antworten.
Es ist dir nicht erlaubt, Anhänge hochzuladen.
Es ist dir nicht erlaubt, deine Beiträge zu bearbeiten.

BB-Code ist an.
Smileys sind an.
[IMG] Code ist aus.
HTML-Code ist aus.

Gehe zu

Ähnliche Themen
Thema Autor Forum Antworten Letzter Beitrag
wo ist die Gemischregulierschraube? corema Vergaser - Kraftstoff - Drosseln - Tuning 8 28.06.2011 22:31:08
Gemischregulierschraube Funktion Kev018 Vergaser - Kraftstoff - Drosseln - Tuning 4 16.08.2010 15:13:42
Gemischregulierschraube oder HDs ? BIKEPART Vergaser - Kraftstoff - Drosseln - Tuning 13 13.07.2007 10:53:24
Gabel-Einbau - Welche Reihenfolge? Eleven7 Fahrwerk 4 01.09.2006 12:46:46


Alle Zeitangaben in WEZ +1. Es ist jetzt 16:54:38 Uhr.


Powered by vBulletin® Version 3.8.9 (Deutsch)
Copyright ©2000 - 2026, vBulletin Solutions, Inc.