gs-500.de  

Zurück   gs-500.de > GS500(E/F) > Elektrik, Elektronik und Beleuchtung

Hinweise

Antwort
 
Themen-Optionen
Alt 08.04.2012, 18:50:25   #1
Scirocco
Erfahrener Benutzer
 
Benutzerbild von Scirocco
 
Registriert seit: 06.09.2011
Ort: Osnabrück
Beiträge: 708
Baujahr: 1993
Kilometer: unfest
Standard Blinkfrequenz Phänomen

Habe seit kurzem an meiner GS neue Blinker, bei denen die Lampen jeweils nur 10W haben.
Musste deswegen auch ein anderes Blinkrelais kaufen, habe bei Ebay eins für 8,89€ gekauft und funktioniert auch alles einwandfrei.

Heute viel mir ein kleines Phänomen auf.

Wenn ich bei Leerlaufdrehzahl mit eingelegtem Gang blinke, blinken die Blinker sehr schnell.
Sobald ich Gas gebe und und über ca 3000 Umdrehungen komme stimmt die Frequenz wieder.
Bei ausgeschaltetem Motor funktioniert alles ganz normal.

Viel mir auf als ich links abbiegen wollte und wegen Gegenverkehr warten musste, ich stand kurz da im Leerlauf mit eingeschaltetem Blinker, dann hab ich den ersten Gang eingelegt und da fingen die Blinker an zu spinnen.
Aber da ich dann gleich losgefahren bin und die Motordrehzahl somit anstieg, blinkten die Blinker wieder normal.

Dachte zuerst mir wäre ne Lampe kaputt gegangen aber das wäre ja egal, das Relaise schaltet von 0,02 - 20 A alles in der passenden Frequenz


Normal ist doch das Gang-einlegen ja nur von Bedeutung für den Seitenständerschalter, weil dadurch dann der Motor ausgeht.
Mit den Blinkern hat das doch garnichts zu tun.

Hatte vielleicht jemand anderes schon so ein Problem?

Wenns sich einfach beheben ließe würd ichs machen aber ansonsten stört es mich eigentlich nicht großartig
Schließlich steht man ja nicht Ewigkeiten blinkend mit eingelegtem Gang rum.
Scirocco ist offline   Mit Zitat antworten
Alt 09.04.2012, 08:58:48   #2
AmigaHarry
Erfahrener Benutzer
 
Benutzerbild von AmigaHarry
 
Registriert seit: 13.11.2005
Ort: Perchtoldsdorf
Alter: 64
Beiträge: 5.318
Kilometer: 1.1mio
Standard

Miss mal bei eingelegtem 1. Gang und Standgas deine Lagespannung und vergleiche sie wenn kein Gang eingelegt ist. Dasselbe sieh dir bei 3000rpm an. Bitte poste die Werte hier. (Siehe auch FAQ - Ladesystem)

Hintergrund: Wenn du den 1. Gang einlegst schaltet der Gangsensor weg (neutral aus) und die Spannung nimmt zu. Normalerweise hat dieses Lämpchen so wenig Leistung das dies gar nicht spürbar sein sollte. Gibt man Gas beginnt der Motor selbst (Zündung) ordentlich Leistung zu ziehen und die Spannung sinkt wieder. Normalerweise sollte das der Regler ausgleichen, aber da vor allem die älteren Regler/Gleichrichtereinheiten sehr einfach aufgebaut sind (ohne jegliche Glättung) und sie auch kein lineares Regelverhalten haben, kann es, je nach Drehzahl (Frequenz) zu Überspannungsspitzen kommen.....

Auch wenn alle Ladewerte innerhalb der Toleranz sind, könnte dein Relais zu empfindlich auf durchschlagende Schwingungen oder Spannungsspitzen sein und sich deswegen so verhalten......

Eine weitere (hoffentlich nicht zutreffende) Möglichkeit ist, das die Lima bereits was ab hat und die 3 Phasen bereits unterschiedliche Spannungen liefern, was den Regler auch ausser Tritt bringen kann..... Das kannst du aber nur mittels der Leerlaufspannungsmessung der einzelnen LiMa-Spulen herausmessen (siehe FAQ).
AmigaHarry ist offline   Mit Zitat antworten
Alt 09.04.2012, 18:00:00   #3
Scirocco
Erfahrener Benutzer
 
Benutzerbild von Scirocco
 
Registriert seit: 06.09.2011
Ort: Osnabrück
Beiträge: 708
Baujahr: 1993
Kilometer: unfest
Standard

Bin leider doch nicht zum messen gekommen wegen den üblichen Osterbesuchen in der Verwandschaft

Die kleine Lampe die signalisiert dass kein Gang eingelegt ist hat ja nur 3,4 W.

Aber ich weiß was du meinst, vielleicht reicht es ja tatsächlich schon aus.

Wenn es daran liegt, könnte ich doch auch einfach einen Widerstand nehmen der den gleichen Strom wie die 3,4W Lampe aufnimmt. (mit genau 12V gerechnet 283,3 mA, also ca 42Ohm)
Der müsste dann halt nur immer an Spannung anliegen, oder besser noch immer dann wenn die Leerlauflampe nicht leuchtet.

Mal sehen, wie gesagt so schlimm ist es ja nicht


Habe übrigens dieses Blinkrelais:
http://www.ebay.de/itm/Blinker-Relai...item45f615f5fe

Du meinst ja dass also in diesem speziellen Fall die Spannung etwas zu hoch ist und das Relais deshalb nicht sauber schaltet.
Habe leider keine detaillierten Infos zu dem Ding, steht nur bei dass es für "12V" ist.
Da könnte ich auch entweder einen kleinen Vorwiderstand vors Relais setzen oder ein anderes Relais nehmen.

Naja ich werde vielleicht morgen mal beigehen und alles messen was es zu messen gibt
Scirocco ist offline   Mit Zitat antworten
Alt 09.04.2012, 18:39:24   #4
AmigaHarry
Erfahrener Benutzer
 
Benutzerbild von AmigaHarry
 
Registriert seit: 13.11.2005
Ort: Perchtoldsdorf
Alter: 64
Beiträge: 5.318
Kilometer: 1.1mio
Standard

Ja, die Lampe sollte man eigentlich gar nicht spüren.....deswegen wäre es wichtig die Spannungen zu messen, um auszuschließen das da was im Busch ist.....

Das Relais kenne ich nicht, aber ein Bereich von 0,2A-20A(!!) ist für ein LED-Relais schon heftig......
AmigaHarry ist offline   Mit Zitat antworten
Alt 09.04.2012, 18:48:47   #5
Scirocco
Erfahrener Benutzer
 
Benutzerbild von Scirocco
 
Registriert seit: 06.09.2011
Ort: Osnabrück
Beiträge: 708
Baujahr: 1993
Kilometer: unfest
Standard

Ja 20 A sind schon heftig, ich würde mich nicht drauf verlassen
Scirocco ist offline   Mit Zitat antworten
Alt 11.04.2012, 15:33:08   #6
Scirocco
Erfahrener Benutzer
 
Benutzerbild von Scirocco
 
Registriert seit: 06.09.2011
Ort: Osnabrück
Beiträge: 708
Baujahr: 1993
Kilometer: unfest
Standard

Habe gestern die Ladespannung gemessen, es ist ziemlich egal ob ich blinke oder ob ein Gang eingelegt ist oder nicht, die Spannung beträgt bei laufendem Motor immer ca 13-14V(Abblendlicht stets eingeschaltet) je nach Drehzahl
(zwischen Standgas ~1300 Umdrehungen und 5000 Umdrehungen)

100 % Genau kann ichs schlecht messen aber ich denke wenn die Ladespannung immer zwischen 13 und 14V ist kann das nicht verkehrt sein.

Habe mit zwei Messgeräten gemessen, beide analog, also wenn es irgendwo kurzzeitig enorm viel mehr Spannung gegeben hätte, hätte ja der Zeiger mal ausschlagen müssen.
Scirocco ist offline   Mit Zitat antworten
Alt 11.04.2012, 19:30:21   #7
AmigaHarry
Erfahrener Benutzer
 
Benutzerbild von AmigaHarry
 
Registriert seit: 13.11.2005
Ort: Perchtoldsdorf
Alter: 64
Beiträge: 5.318
Kilometer: 1.1mio
Standard

Die Spannung muss zwischen 13,5 und 15,5V liegen - du bist also an der unteren Grenze. Um etwaige Probleme des Ladesystems auszuschließen, miss bitte zur Sicherheit noch die Leerlaufwechselspannung der einzelnen Lichtmaschinenphasen zueinander. Diese müssen jeweils mindestens 70V bei 5000rpm betragen. Bitte poste die genauen Werte hier.
Sollten die Spulen asysnchron laden, bekommst du zwar annähernd auch noch genug Ladespannung, aber der Gleichrichter/Regler gerät bereits ausser Tritt und lässt möglicherweise Oberschwingungen durch, auf die dein merkwürdiges Relais reagiert......alle anderen Verbraucher sind viel zu träge um das zu bemerken, und die CDI ist dagegen sehr gut abgesichert (die frisst sowieso fast alles)......
AmigaHarry ist offline   Mit Zitat antworten
Alt 12.04.2012, 20:28:57   #8
Scirocco
Erfahrener Benutzer
 
Benutzerbild von Scirocco
 
Registriert seit: 06.09.2011
Ort: Osnabrück
Beiträge: 708
Baujahr: 1993
Kilometer: unfest
Standard

Ok, morgen ist ja Wochenende, wenn das Wetter nicht zu verlockend ist, (soll ja schön werden) dass ich durch die Gegend fahren muss, werde ich mal nachmessen
Scirocco ist offline   Mit Zitat antworten
Alt 13.04.2012, 19:53:17   #9
Scirocco
Erfahrener Benutzer
 
Benutzerbild von Scirocco
 
Registriert seit: 06.09.2011
Ort: Osnabrück
Beiträge: 708
Baujahr: 1993
Kilometer: unfest
Standard

Habe heute eine Lösung für das Problem gefunden.

Zuerst habe ich die einzelnen Spannungen zwischen den LiMa Spulen gemessen, bei 5000 Umdrehungen haben alle 3 Spulen zueinander ca 65V. (Mit "normalem" Multimeter gemessen, also kein TRMS)

Im Wiki steht dass bei 5000 Umdrehungen die Spannung ca 250 Hz hat und ein "normalo" Messgerät (nicht TRMS) zeigt bei der Frequenz bis zu 6% zu wenig an.
6% von 65 sind 3,9 V

Da es ein analoges Messgerät war und die Skala bis 150 Ging sagen wir mal ich habe mich um ein paar Volt verguckt und rechne jetzt noch 6% drauf also ~4V mehr wegen dem Messgerät sinds dann ziemlich genau 70V.

Also alles im grünen Bereich



Habe dann mit einem digitalen Multimeter die Spannung direkt an der Batterie mit der Spannung am Blinkrelais vergleichen.
Ist natürlich kein großer Unterschied, glaube waren 0,3 oder 0,4V differenz.

Probehalber habe ich aber dann mal das Blinkrelais direkt mit der Batterie versorgt, also + nicht von dem orangen Kabel sondern direkt am Pluspol der Batterie.
Dadurch kann man die Blinker natürlich immer einschalten, auch bei ausgeschalteter Zündung.

Allerdings ist das Problem jetzt nicht mehr da!

Die Blinker blinken normal so wie sie sollen, in allen Kombinationen also mit und ohne eingelegtem Gang, Abblendlicht an oder aus, bremslicht an oder aus.

Blinkt alles ganz normal.
Nochmal die Gegenprobe und wieder an das normale orangene Kabel angeklemmt, und schon sind die Blinker wieder "unruhig" und blinken unregelmäßig und viel zu schnell. (bei dem Besagtem Fall, also Standgas und eingelegtem Gang)

Weil so aber ja die Blinker immer funktionieren, auch ohne den Zündschlüssel, habe ich noch ein weiteres einfaches Relais genommen, welches von dem originalen orangen Leiter der eigentlich ans Blinkrelais gehört gesteuert wird.
Das Relais schaltet jetzt also sobald ich blinke das Blinkrelais direkt an die Batterie.

Letztendlich ist es irgendwie eine Schildbürgerlösung, anstatt einem vernünftigem Relais habe ich jetzt 2 Relais da sitzen

Aber ich hab halt verbaut was gerade da war und damit klappts jetzt

Hätte einfach ein anderes (teureres) Blinkrelais kaufen sollen dann wäre dieses seltsame Problem nie aufgetaucht.
Scirocco ist offline   Mit Zitat antworten
Alt 13.04.2012, 20:35:18   #10
AmigaHarry
Erfahrener Benutzer
 
Benutzerbild von AmigaHarry
 
Registriert seit: 13.11.2005
Ort: Perchtoldsdorf
Alter: 64
Beiträge: 5.318
Kilometer: 1.1mio
Standard

Gut das*es nichts am Ladesystem hat! Wäre teuer..... Ist deine villeicht ein Importmodell? Dann würden die 65V möglicherweise richtig gemessen sein und perfekt passen.....

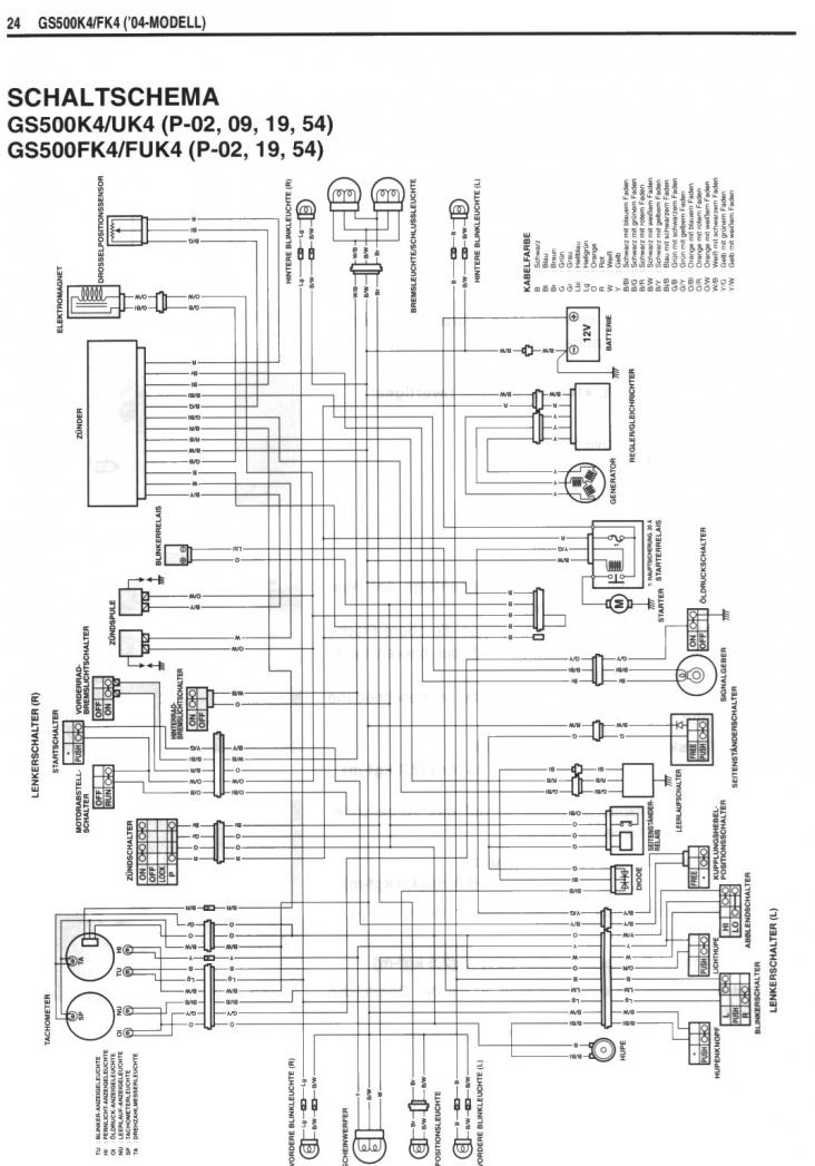
Interessant das es direkt an der Batterie geht - es muss daher irgendwo einen Verbraucher an der Leitung geben, der dein Relais stört - und den würde ich gerne wissen! Kannst du am Schaltplan zeigen, von wo dein Relais ursprünglich gespeist wurde? Bitte gib mir auch das BJ der GS bekannt (steht glaube ich nirgends).....(Anbei 2 Schaltpläne - weis nicht welcher auf dich zutrifft...). Dieses Phänomen war mir bis dato nämlich noch nicht bekannt.....

Edit: Habe gerade gesehen das deine GS BJ95 ist -> SchaltPlan98 benutzen.
Miniaturansicht angehängter Grafiken
Klicke auf die Grafik für eine größere Ansicht

Name:	AN26.jpg
Hits:	1110
Größe:	113,8 KB
ID:	13173   Klicke auf die Grafik für eine größere Ansicht

Name:	Schaltplan98.jpg
Hits:	889
Größe:	121,6 KB
ID:	13174  
AmigaHarry ist offline   Mit Zitat antworten
Alt 13.04.2012, 21:49:39   #11
Scirocco
Erfahrener Benutzer
 
Benutzerbild von Scirocco
 
Registriert seit: 06.09.2011
Ort: Osnabrück
Beiträge: 708
Baujahr: 1993
Kilometer: unfest
Standard

Ja die GS ist Bj 1995, aber ganz normales Inlandsmodell, denke ich?

Im Fahrzeugschein steht
Erstzulassung 03.08.1995
Typ: GM 51 B
Handelsbezeichnung: GS 500 EU
(glaube das U ist da weil sie auf 34 PS gedrosselt ist)

Das Relais hing vorher wie üblich an dem orangenen Kabel, habe auch noch einen bunten Stromlaufplan.

Hatte übrigens zuerst versucht das Relais mit ans Rücklicht zu hängen, der Stecker liegt ja nicht weit (etwa da wo die beiden Blinkerstecker sitzen)
Dann funktionierts auch einwandfrei, aber eben nur wenn das Licht eingeschaltet ist
(Man muss ja eh immer mit Licht fahren aber ich wollte das es auch so geht)

Ich habe vor dem eigentliche Blinkerrelais jetzt einfach nur noch ein weiteres normales Relais sitzen.

Da gibts eigentlich keinen Verbraucher noch dazwischen, keine Ahnung warum es a eine minimale Spannungsdifferenz gibt und noch schleierhafter ist mir wieso eine kleine Differenz sich so auf das Blinkrelais auswirkt.

In rot geht es vom Laderegler zum Zündschloss/Zündschalter, wird da wenn das Schloss eingeschaltet ist an den orangenen angeschlossen und verteilt sich zu den Verbrauchern.

Meinem bunten Plan zufolge geht der orangene erst zum Hinterradbremsschalter, von da gebrückt zum Seitendständerrelais und da nochmal gebrückt gehts erst zum Blinkrelais.
Der Plan ist so irgendwie nicht ganz richtig, direkt am Bremslichtschalter ist nichts weiter gebrückt, dass Kabel muss schon irgendwo früher abgehen.

Auf deinem Plan ist es glaube ich richtig dargestellt.
Miniaturansicht angehängter Grafiken
Klicke auf die Grafik für eine größere Ansicht

Name:	Haynes_WiringDiagram_US_90-96.jpg
Hits:	2730
Größe:	119,3 KB
ID:	13175  
Scirocco ist offline   Mit Zitat antworten
Alt 13.04.2012, 22:37:24   #12
AmigaHarry
Erfahrener Benutzer
 
Benutzerbild von AmigaHarry
 
Registriert seit: 13.11.2005
Ort: Perchtoldsdorf
Alter: 64
Beiträge: 5.318
Kilometer: 1.1mio
Standard

Der Blinker muss auch ohne Licht gehen - sonst kommst du nicht durch den TÜV. Somit hast du es richtig gemacht.
Ich finde es auch merkwürdig, daß dein Relais so reagiert - aber das kann bei elektronischen Relais schon mal passieren - vor allem wenn die Gleichspannung durch hochfrequente Oberschwingungen "verschmutzt" ist....und genau diese Verschmutzungsquelle interessiert mich. Es gibt deren nämlich nur 3: Die Regler/Gleichrichtereinheit und die CDI mit den Züngebern und Spulen - alles andere sind normale ohmsche Verbraucher.
Da dein BJ auch noch keine Beeinflussung der CDI über den Gangsensor hat und sie auch sonst gegenüber dem Bordnetz passiv ist, ist diese Quelle eher unwarscheinlich. Bleibt noch die theoretische Möglichkeit das die Glättung des Regler/Gleichrichters bei ca. 1000Hz an einem labilen Arbeitspunkt ist, der durch kleinste Änderungen in der Last driftet, oder das die Zündspulen Schwingungen ins Bordnetz reflektieren....
Das es direkt von der Batterie weg besser geht ist auch erklärbar - die Batterie wirkt wie ein Dämpfer für höherfrequente Schwingungen, bzw. ist in erster Linie auch der Spannungsabfall durch andere Verbraucher entlang des Bordnetzes dort noch nicht voll wirksam....
Wie gesagt - ziemlich theoretisch bei der Primitivität der GS-Elektronik, aber nicht unmöglich, wie man das bei komplexeren Systemen, wie etwa den neuen GSX-R oder auch BMWs gut sehen kann (von Busgesteuerten modernen PKW-Systemen ganz zu schweigen) - aber die treiben einen enormen Aufwand um genau diese Störungen zu verhindern....
Um dein Phänomen genau zu verstehen müsste man da mal mit dem Oszi ran.....naja, villeicht kommt mir sowas mal in der Nähe unter......
AmigaHarry ist offline   Mit Zitat antworten
Antwort

Lesezeichen


Forumregeln
Es ist dir nicht erlaubt, neue Themen zu verfassen.
Es ist dir nicht erlaubt, auf Beiträge zu antworten.
Es ist dir nicht erlaubt, Anhänge hochzuladen.
Es ist dir nicht erlaubt, deine Beiträge zu bearbeiten.

BB-Code ist an.
Smileys sind an.
[IMG] Code ist aus.
HTML-Code ist aus.

Gehe zu

Ähnliche Themen
Thema Autor Forum Antworten Letzter Beitrag
Blinkgeschwindigkeit/Blinkfrequenz In Flames Allgemeines 17 09.07.2007 18:46:37
drehzahlabhängige Blinkfrequenz. Warum ??? Drunken Master Elektrik, Elektronik und Beleuchtung 43 16.10.2005 18:40:54
Phänomen Tacho-/Drehzahlmesseranzeige Verkleidungen, Anbauteile und Zubehör 20 24.06.2004 16:04:25
Miniblinker - Blinkfrequenz Allgemeines 10 20.08.2003 16:31:58
Blinkfrequenz Elektrik, Elektronik und Beleuchtung 13 31.10.2002 14:25:22


Alle Zeitangaben in WEZ +1. Es ist jetzt 13:58:13 Uhr.


Powered by vBulletin® Version 3.8.9 (Deutsch)
Copyright ©2000 - 2026, vBulletin Solutions, Inc.