gs-500.de  

Zurück   gs-500.de > GS500(E/F) > Vergaser - Kraftstoff - Drosseln - Tuning

Hinweise

Antwort
 
Themen-Optionen
Alt 03.07.2011, 20:26:42   #1
Jasmin
Neuer Benutzer
 
Registriert seit: 01.07.2011
Ort: Worms
Beiträge: 7
Baujahr: 1994
Standard Meine GS frist regelmäsig die Vergasernadeln

Hallo meine Suzi, hat jetzt schon nach kurzer zeit das zweite mal die Vergaserenadeln gefressen. Wir haben die Vergaser Zerlegt und festgestellt das die Schieber und Schieberführung sehr abgenutzt sind. Wir habe jetzt eine Anfrage bei einem Händler gestelt dieser meint das die Teile im einzelnen zu teuer sind und mir gleich einen gebrauchten Vergaser angedreht.

Jetzt meine Frage an Euch: wo bestelt ihr sowas?

MFG Jasmin
Jasmin ist offline   Mit Zitat antworten
Alt 03.07.2011, 20:33:12   #2
_Newbie_
Gast
 
Beiträge: n/a
Standard

Es gab mal irgendwo im Forum einen Lösungsansatz dafür, da wurde die Bohrung für die Nadel aufgebohrt und ein passenden Metallröhrchen eingeklebt, super Idee wie ich finde.

Solltest dich mal mit der SUFU bedienen, dann wirste bestimmt fündig.
  Mit Zitat antworten
Alt 03.07.2011, 20:44:27   #3
berndy
Super-Moderator
 
Benutzerbild von berndy
 
Registriert seit: 16.08.2006
Ort: Schifferstadt/Pfalz
Alter: 63
Beiträge: 10.721
Baujahr: 1995
Kilometer: 66666
Standard

Ein Schieber kostet ca. 60 €. Was verlangt der Händler denn für einen kompletten Vergaser? ca. 300 €? Das ist natürlich viel günstiger.

Such dir einen seriösen Händler.
__________________

Man sollte es so oder so nicht übertreiben.
berndy ist offline   Mit Zitat antworten
Alt 03.07.2011, 21:10:31   #4
Herby1991
Erfahrener Benutzer
 
Registriert seit: 07.05.2011
Ort: Marburg
Beiträge: 231
Baujahr: 1999
Kilometer: 46000
Standard

http://forum.gs-500.de/showthread.php?t=20748

Hier ist der passende Link dafür.
Kann die Methode nur empfehlen, hab sie selbst letztens umgesetzt und hält seit ca. 1500 km
Herby1991 ist offline   Mit Zitat antworten
Alt 03.07.2011, 21:42:50   #5
Jasmin
Neuer Benutzer
 
Registriert seit: 01.07.2011
Ort: Worms
Beiträge: 7
Baujahr: 1994
Standard

Nun der Händler hat mit für den gebrauchten Vergaser 125€ geboten. Jetzt weiss ich aber nicht da er gebraucht ist ob er nicht das gleiche Ptoblem hat! Wir haben bei meinem Vergaser die schieberführung mal ausbebaut und haben festgestelt das die im linken Vergaser sehr abgehobeld ist, man kann schon an manchen stellen durch schauen!
Jasmin ist offline   Mit Zitat antworten
Alt 03.07.2011, 23:20:12   #6
Herby1991
Erfahrener Benutzer
 
Registriert seit: 07.05.2011
Ort: Marburg
Beiträge: 231
Baujahr: 1999
Kilometer: 46000
Standard

Lass dir auf keinen Fall teure Ersatzteile andrehen!
Das Messingrohr bekommst du für nen paar Euro im Internet oder Modellbaufachhandel und die Arbeiten erfordern wirklich keine besonderes Geschick.
Herby1991 ist offline   Mit Zitat antworten
Alt 03.07.2011, 23:46:14   #7
_Newbie_
Gast
 
Beiträge: n/a
Standard

Du brauchst ja nur eine Nadel, die gibt es auch überall im Internet zu bestellen oder mit Glück auch hier im Forum.

Dann reparierst du deinen alten Schieber und kannst glücklich sein, hast viel gespart und der Vergaser wird lange laufen.
  Mit Zitat antworten
Alt 05.07.2011, 08:15:36   #8
Jasmin
Neuer Benutzer
 
Registriert seit: 01.07.2011
Ort: Worms
Beiträge: 7
Baujahr: 1994
Standard

Und mit was?

Die schiebenr fühnung ist ja kaputt und wie mache ich die wieder ganz?
Jasmin ist offline   Mit Zitat antworten
Alt 05.07.2011, 09:13:37   #9
berndy
Super-Moderator
 
Benutzerbild von berndy
 
Registriert seit: 16.08.2006
Ort: Schifferstadt/Pfalz
Alter: 63
Beiträge: 10.721
Baujahr: 1995
Kilometer: 66666
Standard

Herby1991 hat das doch verlinkt.

Mit einem passenden Missingröhrchen, so wie es in der Beschreibung steht.
__________________

Man sollte es so oder so nicht übertreiben.
berndy ist offline   Mit Zitat antworten
Alt 05.07.2011, 09:29:57   #10
berndy
Super-Moderator
 
Benutzerbild von berndy
 
Registriert seit: 16.08.2006
Ort: Schifferstadt/Pfalz
Alter: 63
Beiträge: 10.721
Baujahr: 1995
Kilometer: 66666
Standard

Noch mal gelesen.

Achso die Schieberführung, das ist was anderes.

Da braucht man dann vll. doch einen anderen Vergaser.

Musst mal gucken, ob du was gebrauchtes bekommst.
__________________

Man sollte es so oder so nicht übertreiben.
berndy ist offline   Mit Zitat antworten
Alt 05.07.2011, 10:15:56   #11
Jasmin
Neuer Benutzer
 
Registriert seit: 01.07.2011
Ort: Worms
Beiträge: 7
Baujahr: 1994
Standard

Haben bei dem herstelle von dem Vergasen "Mikuni" nach gefaragt da kann man welche bestellen kosten weis ich jetzt grade nicht schau aber noch mal nach!
Jasmin ist offline   Mit Zitat antworten
Alt 05.07.2011, 11:40:57   #12
Herby1991
Erfahrener Benutzer
 
Registriert seit: 07.05.2011
Ort: Marburg
Beiträge: 231
Baujahr: 1999
Kilometer: 46000
Standard

Nur um sicherzugehen, dass wir hier nicht aneinander vorbeireden:
Mit der Führung meine ich das eigentlich runde Loch im Plastikgasschieber, welches im ausgeleierten Zustand oval ist und der Nadel somit sehr viel Spiel gibt. Diese ist, wie im Link beschrieben, sehr leicht zu reparieren und kostet vllt 5-10 Euro, statt 50 oder 60 pro Gasschieber.
Herby1991 ist offline   Mit Zitat antworten
Alt 08.07.2011, 07:54:02   #13
Jasmin
Neuer Benutzer
 
Registriert seit: 01.07.2011
Ort: Worms
Beiträge: 7
Baujahr: 1994
Standard

Ich meine die weißen teile. wenn man den Vergaser aufschraubt und die Menbran mit der Vergaser Nadel raus holt ort drunter sitzen die.
Jasmin ist offline   Mit Zitat antworten
Alt 08.07.2011, 10:02:47   #14
berndy
Super-Moderator
 
Benutzerbild von berndy
 
Registriert seit: 16.08.2006
Ort: Schifferstadt/Pfalz
Alter: 63
Beiträge: 10.721
Baujahr: 1995
Kilometer: 66666
Standard

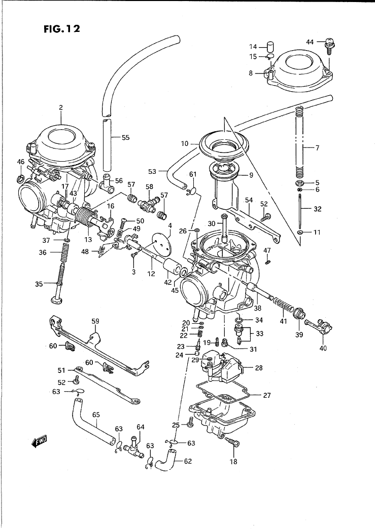
Ein Bild sagt mehr als 1000 Worte.

Welches Teil meinst du?
Miniaturansicht angehängter Grafiken
Klicke auf die Grafik für eine größere Ansicht

Name:	06a.GIF
Hits:	555
Größe:	55,8 KB
ID:	10983  
__________________

Man sollte es so oder so nicht übertreiben.
berndy ist offline   Mit Zitat antworten
Alt 08.07.2011, 12:29:51   #15
gsmattis
Stammtisch Hamburg
 
Benutzerbild von gsmattis
 
Registriert seit: 16.03.2008
Ort: Extertal
Alter: 37
Beiträge: 8.813
Baujahr: 1999
Kilometer: 158000
Standard

Ich glaube dass das gemeinte Teil unter der 30 ist. Dieses weiße Teil, die Führung der Gasschieber.
__________________
Bandit 1200
TL1000S
weil nur 6 Zylinder Sinn ergeben
gsmattis ist gerade online   Mit Zitat antworten
Alt 08.07.2011, 13:07:21   #16
berndy
Super-Moderator
 
Benutzerbild von berndy
 
Registriert seit: 16.08.2006
Ort: Schifferstadt/Pfalz
Alter: 63
Beiträge: 10.721
Baujahr: 1995
Kilometer: 66666
Standard

Mh, keine eigene Teilenummer. Das könnte bedeuten, dass es das nicht einzeln gibt.
__________________

Man sollte es so oder so nicht übertreiben.
berndy ist offline   Mit Zitat antworten
Alt 08.07.2011, 13:32:09   #17
gsmattis
Stammtisch Hamburg
 
Benutzerbild von gsmattis
 
Registriert seit: 16.03.2008
Ort: Extertal
Alter: 37
Beiträge: 8.813
Baujahr: 1999
Kilometer: 158000
Standard

Ich hab meine Versager gestern auch zerlegt. Da ist unten nen Messingkanal, der von der einen Düse hochführt (Düsenstock )
Miniaturansicht angehängter Grafiken
Klicke auf die Grafik für eine größere Ansicht

Name:	DSC00411.jpg
Hits:	535
Größe:	69,0 KB
ID:	10984   Klicke auf die Grafik für eine größere Ansicht

Name:	DSC00412.jpg
Hits:	542
Größe:	60,4 KB
ID:	10985  
__________________
Bandit 1200
TL1000S
weil nur 6 Zylinder Sinn ergeben
gsmattis ist gerade online   Mit Zitat antworten
Alt 09.07.2011, 10:16:15   #18
Jasmin
Neuer Benutzer
 
Registriert seit: 01.07.2011
Ort: Worms
Beiträge: 7
Baujahr: 1994
Lächeln

JA das teil miene ich! kostet bei www.mikuni-topham.de das stück 21,04€
Jasmin ist offline   Mit Zitat antworten
Alt 09.07.2011, 11:58:43   #19
gsmattis
Stammtisch Hamburg
 
Benutzerbild von gsmattis
 
Registriert seit: 16.03.2008
Ort: Extertal
Alter: 37
Beiträge: 8.813
Baujahr: 1999
Kilometer: 158000
Standard

Kann man die denn überhaupt tauschen? Ich hab das Gefühl, dass dieses Messingteil da fest mit dranhängt

Edit: Das Messingrohr hängt da fest mit dran, geht aber mit nen bisschen Gefühl und Nachdruck mit raus. Da hängt bei mir auch mächtig Schmodder dran
__________________
Bandit 1200
TL1000S
weil nur 6 Zylinder Sinn ergeben
gsmattis ist gerade online   Mit Zitat antworten
Alt 09.07.2011, 21:23:34   #20
Jasmin
Neuer Benutzer
 
Registriert seit: 01.07.2011
Ort: Worms
Beiträge: 7
Baujahr: 1994
Lächeln

ja wenn man ganz leicht vorsichtig mit einem Hammer auch die Düsse
haut dann bekommt man sie raus
Jasmin ist offline   Mit Zitat antworten
Alt 10.07.2011, 07:34:56   #21
gsmattis
Stammtisch Hamburg
 
Benutzerbild von gsmattis
 
Registriert seit: 16.03.2008
Ort: Extertal
Alter: 37
Beiträge: 8.813
Baujahr: 1999
Kilometer: 158000
Standard

Ich hätte jetzt fast geschrieben dass du aufs Gewinde aufpassen musst, aber die kommen ja eh neu
__________________
Bandit 1200
TL1000S
weil nur 6 Zylinder Sinn ergeben
gsmattis ist gerade online   Mit Zitat antworten
Antwort

Lesezeichen


Forumregeln
Es ist dir nicht erlaubt, neue Themen zu verfassen.
Es ist dir nicht erlaubt, auf Beiträge zu antworten.
Es ist dir nicht erlaubt, Anhänge hochzuladen.
Es ist dir nicht erlaubt, deine Beiträge zu bearbeiten.

BB-Code ist an.
Smileys sind an.
[IMG] Code ist aus.
HTML-Code ist aus.

Gehe zu

Ähnliche Themen
Thema Autor Forum Antworten Letzter Beitrag
meine alte GS 500 und meine neue 11er Gixxer bikerday Umbaustories 99 04.05.2013 17:29:19
Meine GS Getriebeschaden Umbaustories 10 19.11.2007 11:26:50
Meine GS 500 E Toby-AC Allgemeines 8 17.09.2005 10:31:48
Meine Susi macht mir Kummer - ihr seid meine letzte Hoffnung Allgemeines 3 06.04.2005 15:55:27
Sind die Vergasernadeln im Vergaser oder ausserhalb? Vergaser - Kraftstoff - Drosseln - Tuning 6 01.05.2004 11:37:03


Alle Zeitangaben in WEZ +1. Es ist jetzt 09:40:09 Uhr.


Powered by vBulletin® Version 3.8.9 (Deutsch)
Copyright ©2000 - 2026, vBulletin Solutions, Inc.