gs-500.de  

Zurück   gs-500.de > Motorrad allgemein > Umbaustories

Hinweise

Antwort
 
Themen-Optionen
Alt 23.11.2024, 14:47:54   #1
Frederik
Neuer Benutzer
 
Registriert seit: 22.11.2024
Ort: Gladbeck
Beiträge: 2
Baujahr: 2002
Standard Ganganzeige eines anderen Modells

Hallo zusammen,
als kleine Spielerei an meiner GS spiele ich mit dem Gedanken mir eine Ganganzeige zusammenzubauen. Dabei habe ich auch schon diverse andere Threads im Forum durchgelesen und einige gute Anleitungen gefunden.
Viele Anleitungen stellen vor, dass man einen Gangsensor eines anderen Modells (zB. Gs 450/550/750) nehmen kann und praktisch per Plug and Play austauschen kann. Soweit, so gut.
Wenn es zum Thema der tatsächlichen Ganganzeige, zB. per LCD Display kommt werden auf Platinen Schaltungen mit Diodengitter ect. gelötet damit die Gänge in einer praktisch selbstgebauten Anzeige dargestellt werden. Da das durchaus machbar, aber recht zeitaufwendig ist frage ich mich nun warum man nicht die passende (gebrauchte) Ganganzeige eines anderen Modells wie einer GS 450/550/750 nimmt. Theoretisch müssten der Gangsensor und die Ganganzeige des selben Modells ja kompatibel miteinander sein und man bräuchte sich nicht umbedingt eine eigene Anzeige zusammenbauen.

Meine Frage ist nun ob das theoretisch möglich ist. Entwerfer ganz stumpf per Plug and Play oder durch kleine Anpassungen für den Einbau an der Gs500, da ich noch nicht genau weiß, wie die Ganganzeige bei diesen anderen Modellen im Kabelbaum angeschlossen wird. Ich Versuch mal im Internet einen Schaltplan von der Gs450 oder so zu finden und freue mich eure Ideen zu dem Thema zu hören.
VG, Frederik
Frederik ist offline   Mit Zitat antworten
Alt 23.11.2024, 20:26:55   #2
AmigaHarry
Erfahrener Benutzer
 
Benutzerbild von AmigaHarry
 
Registriert seit: 13.11.2005
Ort: Perchtoldsdorf
Alter: 64
Beiträge: 5.318
Kilometer: 1.1mio
Standard

Geht theoretisch schon. Die Kabelbelegung ist dabei kein Problem. Alle "richtigen" Anzeigen verlangen ein seperates Signal für jeden Gang.
Nur von welcher Maschine willst du das nehmen? Bei älteren ist jedem Gang ein Lämpchen zugeordnet - also braucht man ein Gehäuse wo man das unterbringen kann (man braucht etwa 6cm x 1cm im Cockpit und natürlich das Abdeckglas mit den Ziffern (siehe Bild).
Neuere haben zwar digital, aber auch hier muss man das wo unterbringen. Weiters haben die meisten neueren Modelle diese Schaltung mit anderen Funktionen in einer (größeren) Platine integriert. Mir ist jetzt auf die Schnelle keine Suzi bekannt, die eine eigene, kleine Platine nur für die Gangschaltung hätte (vielleicht bei einer der alten GSen aus 1980)
Zudem wirst du die nirgends solo bekommen - nur im Zuge der ganzen Amaturen - teurer Spaß!
Billiger ist die Lösung mit eigener, kleiner Platine. Vielleicht gibts auch in den Weiten des Netzes so eine Platine zu kaufen (HEX/BCD/LCD-converter).
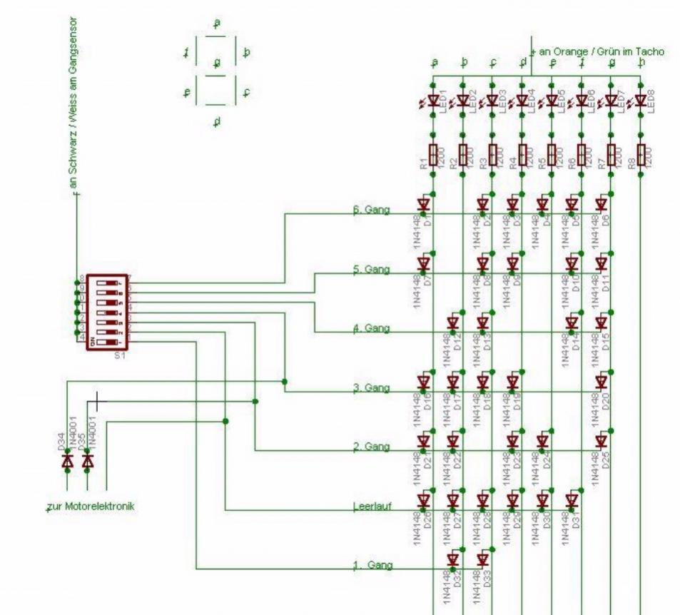
Oder einfacher, mit Diodengitter (siehe Bild Gitter1 und 2).
Miniaturansicht angehängter Grafiken
Klicke auf die Grafik für eine größere Ansicht

Name:	Cockpit.jpg
Hits:	389
Größe:	15,1 KB
ID:	32238   Klicke auf die Grafik für eine größere Ansicht

Name:	Gitter1.jpg
Hits:	359
Größe:	82,7 KB
ID:	32239   Klicke auf die Grafik für eine größere Ansicht

Name:	Gitter2.jpg
Hits:	376
Größe:	42,9 KB
ID:	32240  
AmigaHarry ist offline   Mit Zitat antworten
Alt 23.11.2024, 20:29:44   #3
AmigaHarry
Erfahrener Benutzer
 
Benutzerbild von AmigaHarry
 
Registriert seit: 13.11.2005
Ort: Perchtoldsdorf
Alter: 64
Beiträge: 5.318
Kilometer: 1.1mio
Standard

So schaut das mit HEX/BCD Converter an meiner F aus:
Miniaturansicht angehängter Grafiken
Klicke auf die Grafik für eine größere Ansicht

Name:	Cockpit.JPG
Hits:	424
Größe:	85,9 KB
ID:	32241  
AmigaHarry ist offline   Mit Zitat antworten
Alt 23.11.2024, 22:03:38   #4
Frederik
Neuer Benutzer
 
Registriert seit: 22.11.2024
Ort: Gladbeck
Beiträge: 2
Baujahr: 2002
Standard

Hallo AmigaHarry,
darauf gekommen bin ich da ein Bekannter mal eine alte GS550 geschlachtet hatte und den Gangsensor sowie die Anzeige noch gefunden hatte nachdem ich ihn danach gefragt habe. Ich weiß nicht genau welche Versionen es von dem Motorrad gab, ob es eine 559 M/L/E war, absolut keine Ahnung. Jedoch sieht es für mich so aus als ob dieses Modell ein LCD Display verbaut hatte, anders als es auf jeden Fall bei der 650er der Fall war, da hatte man pro Gang eine kleine Leuchte wie du beschrieben hast. 6 Kontakte plus neutral hat der Sensor auf jeden Fall auch und alle sind mit einem Kabel belegt.
Ich hab die beiden Sachen für nen 5er bekommen, also alleine für den Gangsensor würde das ja schon gehen. Ich schau mal, dass ich hier Bilder von dem Sensor und der Anzeige anhänge, das sieht eigentlich so aus als könnte man es auch gut im Tacho vorne irgendwo verbauen. Ab nächster Woche habe ich jedenfalls wieder Zeit und werde mal schauen ob ich das so zum laufen bekomme, ansonsten baue ich mir in der Winterzeit einen schönen HEX/BCD Converter wie du beschrieben hast
Klicke auf die Grafik für eine größere Ansicht

Name:	IMG_4786.jpg
Hits:	309
Größe:	103,7 KB
ID:	32242

Klicke auf die Grafik für eine größere Ansicht

Name:	IMG_4785.jpg
Hits:	318
Größe:	98,8 KB
ID:	32243
Frederik ist offline   Mit Zitat antworten
Alt 23.11.2024, 23:03:27   #5
AmigaHarry
Erfahrener Benutzer
 
Benutzerbild von AmigaHarry
 
Registriert seit: 13.11.2005
Ort: Perchtoldsdorf
Alter: 64
Beiträge: 5.318
Kilometer: 1.1mio
Standard

Die alten GSen (400-1000ccm) hatten alle eine Ganganzeige mit Digitaler LED-Ziffer - keine LCD, die kam erst später (Ich hatte ja selbst einige dieser Modelle). Es kann sein das da noch Platinen existieren. Wenn der Gangsensor von der Größe unten reinpasst, ist das dann ein Kinderspiel.

Die einzelnen Anschlüsse kann man ausmessen, oder an Hand der Farben identifizieren. Der Ganggeber schaltet auf Masse durch.

Das müsste die Belegung der GS550 sein:
Miniaturansicht angehängter Grafiken
Klicke auf die Grafik für eine größere Ansicht

Name:	Gangschalter.jpg
Hits:	404
Größe:	32,6 KB
ID:	32244   Klicke auf die Grafik für eine größere Ansicht

Name:	Farben.jpg
Hits:	373
Größe:	57,1 KB
ID:	32245  

Geändert von AmigaHarry (24.11.2024 um 10:05:28 Uhr)
AmigaHarry ist offline   Mit Zitat antworten
Alt 24.11.2024, 12:47:51   #6
seife
Erfahrener Benutzer
 
Registriert seit: 28.06.2014
Ort: 02625
Alter: 55
Beiträge: 826
Baujahr: 1994
Kilometer: 46664
Standard

Den sensor (von einer gsx400?) hab ich auch noch da liegen. Allerdings wird das einzige was ich damit machen werde wohl irgendwann mal eine orangene LED im Cockpit für den 6. Gang sein, damit ich aufhöre immer in den 7. schalten zu wollen
Vorteil davon: Ich muss nur ein zusätzliches Kabel in den Kabelbaum integrieren und nicht 6.
seife ist offline   Mit Zitat antworten
Antwort

Lesezeichen

Stichworte
ganganzeige


Forumregeln
Es ist dir nicht erlaubt, neue Themen zu verfassen.
Es ist dir nicht erlaubt, auf Beiträge zu antworten.
Es ist dir nicht erlaubt, Anhänge hochzuladen.
Es ist dir nicht erlaubt, deine Beiträge zu bearbeiten.

BB-Code ist an.
Smileys sind an.
[IMG] Code ist aus.
HTML-Code ist aus.

Gehe zu

Ähnliche Themen
Thema Autor Forum Antworten Letzter Beitrag
Ganganzeige towe Elektrik, Elektronik und Beleuchtung 33 01.12.2019 21:33:49
Ganganzeige Lowsider Elektrik, Elektronik und Beleuchtung 14 07.04.2014 21:52:12
Ganganzeige Tutorial Cosmo Motor, Getriebe, Kettensatz 108 26.01.2011 22:27:52
Ganganzeige Verkleidungen, Anbauteile und Zubehör 20 22.08.2007 20:36:43


Alle Zeitangaben in WEZ +1. Es ist jetzt 17:33:21 Uhr.


Powered by vBulletin® Version 3.8.9 (Deutsch)
Copyright ©2000 - 2026, vBulletin Solutions, Inc.