gs-500.de  

Zurück   gs-500.de > GS500(E/F) > Vergaser - Kraftstoff - Drosseln - Tuning

Hinweise

Antwort
 
Themen-Optionen
Alt 08.03.2011, 20:30:59   #1
Precer
Neuer Benutzer
 
Registriert seit: 03.07.2010
Beiträge: 4
Standard Vergaser verschleiß

Hallo Leute,

nachdem ich bei meinen letzten Fahrten so ein hässliches Ruckeln bei Teillast festgestellt habe, habe ich heute mal in die Vergaser geschaut. Wie befürchtet war eine Düsennadel gebrochen. Ich habe mir das Ganze dann einmal genauer angeschaut und auch die Ursache entdeckt. Die Bohrung, welche die Düsennadel im Gasschieber führt, ist eher eine Ellipse. Ich habe auch die Ursache dafür entdeckt.
In den Vergasern sind weiße Kunststoffteile (Teflon?) eingelassen, welche als Führung für die Gasschieber dienen. Diese Teile sind bei mir derart verschlissen, dass man schon ins Innere schauen kann (siehe Bilder). In meiner Reparaturanleitung mit der Explosionszeichnung der Vergaser sind diese Bauteile nicht bezeichnet.

Hat jemand Erfahrungen, mit diesen Teilen? Ich würde Sie gerne wechseln, habe aber den Eindruck, dass sie eingeklebt sind.

Schon einmal Danke vorab!
Miniaturansicht angehängter Grafiken
Klicke auf die Grafik für eine größere Ansicht

Name:	Bild1.gif
Hits:	1647
Größe:	57,5 KB
ID:	9497   Klicke auf die Grafik für eine größere Ansicht

Name:	Bild2.gif
Hits:	1538
Größe:	28,5 KB
ID:	9498  
Precer ist offline   Mit Zitat antworten
Alt 09.03.2011, 00:12:49   #2
Saugwurmmensch
Public-Relations-Manager
 
Benutzerbild von Saugwurmmensch
 
Registriert seit: 19.07.2004
Ort: Strausberg
Alter: 42
Beiträge: 24.180
Baujahr: 1998
Kilometer: 22000
Standard

Die Schieberführungen bekommst du raus, wenn du die Hauptdüse rausgedreht hast. (der Düsenstock hält die Führung)

Schau dir mal deine Gasschieber an. Oft ist das Loch durch das die Düsennadel geht nichtmehr rund, sondern oval. Das sind Abnutzungsspuren...der eine hat die mehr der andere weniger.
Möglich, dass die Schieberführungen was damit zu tun haben (kannst ja das Spiel vom Schieber in der Führung mal fühlen). Neue/weniger verschlissene Gasschieber wirst du aber trotzdem brauchen.

Die Führungen gibt es afaik nicht einzeln zu kaufen.
__________________
Wer hat noch keinen Organspendeausweis ?

Warning: may contain Verballhornung.
Suzuki - ride the wings of stain !
Saugwurmmensch ist offline   Mit Zitat antworten
Alt 09.03.2011, 07:45:37   #3
Merle
Erfahrener Benutzer
 
Benutzerbild von Merle
 
Registriert seit: 01.08.2009
Ort: Bergisches Land
Alter: 41
Beiträge: 1.258
Baujahr: 1994
Kilometer: 36000
Standard

Zum Verständis. Die Düsennadeln dürfen in der Führung kein Spiel haben?
__________________
Meine Moppeds sind jetzt in einem Alter, sie entscheiden selbstständig ob sie mit Dir eine Ausfahrt machen oder nicht.
Merle ist offline   Mit Zitat antworten
Alt 09.03.2011, 08:48:53   #4
Precer
Neuer Benutzer
 
Registriert seit: 03.07.2010
Beiträge: 4
Standard

Erst mal Danke für die schnellen Antworten!

Ich habe die Befürchtung, dass es mit einem Austausch der Gasschieber nicht getan sein wird, zumal meinem Eindruck nach, die Flanken des Gasschiebers nicht abgenutz sind. Es sieht eher danach aus, als ob der Verschleiß bei den weißen Führungsstücken angefallen ist. Weiß einer von Euch wie dick die Flanken bei neuen Gasschiebern sind? Ich würde gerne überprüfen ob mein Eindruck hinsichtlich der Abnutzung täuscht.

Was die ausgelutschten Bohrungen angeht, wollte ich die Lösung von "Wuestenfuchs" umsetzen (wenn die Flanken der Schieber tatsächlich nicht das Problem sind).
http://forum.gs-500.de/showthread.php?t=20748

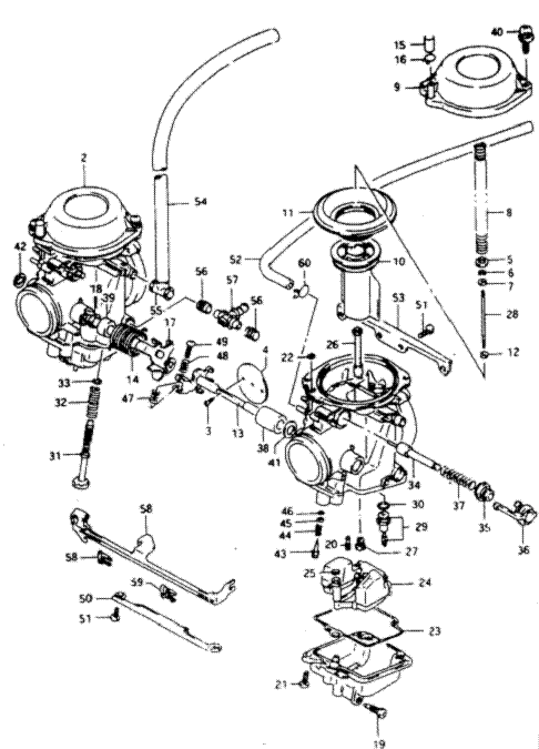
Beim studieren der Explosionszeichnung bin ich schon auf die Idee gekommen, dass man die Hauptdüse (Nr. 27) rausdrehen muss. Hab ich auch gemacht, ich bekomme aber nicht einmal das Gegenstück (Nr. 26) raus. Ich habe Dich aber richtig Verstanden, dass die Nr. 26 einfach nur eingesteckt sein sollte, oder? in dem Fall würde ich mal den Gummihammer einsetzen.

Weiß jemand, ob es diese weißen Führungsteile als Ersatzteil gibt? Hat die schon mal jemand getauscht?
Miniaturansicht angehängter Grafiken
Klicke auf die Grafik für eine größere Ansicht

Name:	Vergaser.gif
Hits:	5018
Größe:	27,2 KB
ID:	9499  
Precer ist offline   Mit Zitat antworten
Alt 09.03.2011, 09:33:01   #5
Merle
Erfahrener Benutzer
 
Benutzerbild von Merle
 
Registriert seit: 01.08.2009
Ort: Bergisches Land
Alter: 41
Beiträge: 1.258
Baujahr: 1994
Kilometer: 36000
Standard

Wenn ich richtig liege....
heißen die Gasschieberführung. Kostet 25,04€ pro Stück und bekommste bei Mikuni direkt.

Ich würde da einfach anrufen. Ich habe da am Montag Teile bestellt und sie waren Dienstag im Briefkasten. Alles auf Rechnung. Ich bin begeistert.

lg

Merle
__________________
Meine Moppeds sind jetzt in einem Alter, sie entscheiden selbstständig ob sie mit Dir eine Ausfahrt machen oder nicht.
Merle ist offline   Mit Zitat antworten
Alt 09.03.2011, 09:38:57   #6
acid
Gast
 
Beiträge: n/a
Standard

Zitat:
Zitat von Merle Beitrag anzeigen
Zum Verständis. Die Düsennadeln dürfen in der Führung kein Spiel haben?
Nein, sonst schließt die Nadel nicht mehr vollständig. Erhöhter Leerlauf wäre die Folge. Sofern die Oberkante der Führung niedriger liegt als die Schwimmernadel, kann zudem noch Sprit auslaufen.
  Mit Zitat antworten
Alt 09.03.2011, 09:45:35   #7
Merle
Erfahrener Benutzer
 
Benutzerbild von Merle
 
Registriert seit: 01.08.2009
Ort: Bergisches Land
Alter: 41
Beiträge: 1.258
Baujahr: 1994
Kilometer: 36000
Standard

Ich mein schon die Düsennadeln. Nicht die Schwimmernadeln.
Oder werf ich da jetzt was zusammen was nicht zusammengehört?
Ich hab hier meinen Vergaser liegen. Den hatt ich erstmal grundgewartet.
Hab da gerade mit den Fingern das schwarze Teilchen hochgeschoben, wo ja die düsennadel drin sitz. (wie heißt das eigentlich? )
da ist mir aufgefallen das meine Nadel schnell aus der Führung rutscht und aufsetzt. Ich hab aber auf der richten Höhe den Nadelklipp.

Merle
__________________
Meine Moppeds sind jetzt in einem Alter, sie entscheiden selbstständig ob sie mit Dir eine Ausfahrt machen oder nicht.

Geändert von Merle (09.03.2011 um 10:11:11 Uhr)
Merle ist offline   Mit Zitat antworten
Alt 09.03.2011, 10:00:18   #8
acid
Gast
 
Beiträge: n/a
Standard

Nein, verwechselst Du nicht. Aber wenn Du eine Flasche mit zwei Löchern oben und unten hast und sie auffüllst, läuft zuerst aus dem unteren Loch Wasser

Das Teil was Du meinst heißt Gasschieber.
  Mit Zitat antworten
Alt 09.03.2011, 10:08:36   #9
Precer
Neuer Benutzer
 
Registriert seit: 03.07.2010
Beiträge: 4
Standard

Das klingt ziemlich sinnvoll!

Danke für den Tip, ich werde mein Glück versuchen und mir wohl neue Gasschieber und Führungen zulegen (das wird Teuer).
Precer ist offline   Mit Zitat antworten
Alt 09.03.2011, 10:12:36   #10
Merle
Erfahrener Benutzer
 
Benutzerbild von Merle
 
Registriert seit: 01.08.2009
Ort: Bergisches Land
Alter: 41
Beiträge: 1.258
Baujahr: 1994
Kilometer: 36000
Standard

ich versteh immer noch Bahnhof ;D Ich glaub ich mach mal ein Foto und male drin rum und zu verdeutlichen was genau meine Frage ist.

Merle
__________________
Meine Moppeds sind jetzt in einem Alter, sie entscheiden selbstständig ob sie mit Dir eine Ausfahrt machen oder nicht.
Merle ist offline   Mit Zitat antworten
Alt 09.03.2011, 10:18:06   #11
Precer
Neuer Benutzer
 
Registriert seit: 03.07.2010
Beiträge: 4
Standard

Für alle die es interessiert,

Mikuni hat leider keine Gasschieber, die Gasschieberführungen gibt es aber noch!
Werde in der nächsten Woche den ganzen Kram zusammenschrauben.
Noch einmal Danke an alle!
Precer ist offline   Mit Zitat antworten
Alt 09.03.2011, 11:19:54   #12
Saugwurmmensch
Public-Relations-Manager
 
Benutzerbild von Saugwurmmensch
 
Registriert seit: 19.07.2004
Ort: Strausberg
Alter: 42
Beiträge: 24.180
Baujahr: 1998
Kilometer: 22000
Standard

Die Gasschieber bekommst du beim Suzukihändler (die Führungen nicht...verrückt ).

Rechne vorher mal durch, ob sich die Reparatur auch lohnt.
Ich weiß, mit einer gebrauchten Vergaserbank kann man sich das selbe Problem einhandeln, aber das ist doch eher selten.
Einen brauchbaren Vergaser bekommt man teilweise schon ab 50€.
__________________
Wer hat noch keinen Organspendeausweis ?

Warning: may contain Verballhornung.
Suzuki - ride the wings of stain !
Saugwurmmensch ist offline   Mit Zitat antworten
Alt 09.03.2011, 12:01:17   #13
klassikfon
Erfahrener Benutzer
 
Benutzerbild von klassikfon
 
Registriert seit: 20.08.2010
Ort: Halle (Saale)
Alter: 49
Beiträge: 1.918
Baujahr: 1992
Kilometer: 33.000
Standard

Ich hätte einen Vergaser, 28Tkm, frisch Ultraschallgereinigt, incl. Schieber aber ohne Membrane und ohne Düsen, Schwimmer, Schwimmerkammern...also nackt...für 25€ incl. Versand. Hab da noch nicht geschaut, wie es um Schieber und Führungen bestellt ist, kann ich aber auf Wunsch gerne tun...
__________________
Vergaser-Ultraschallreinigung für Forenmitglieder:

www.vergaseronkel.de

Vergaser zerlegen:http://forum.gs-500.de/showthread.ph...458#post424458
klassikfon ist offline   Mit Zitat antworten
Alt 09.03.2011, 13:42:57   #14
Merle
Erfahrener Benutzer
 
Benutzerbild von Merle
 
Registriert seit: 01.08.2009
Ort: Bergisches Land
Alter: 41
Beiträge: 1.258
Baujahr: 1994
Kilometer: 36000
Standard

OKay mein Problem hab ich gelöst. Die Explosionszeichnung gab die Lösung. Hatte in der Reihenfolge von Klipp, PLastikplättchen und Düsennadel eine falsche reihenfolge. Jetzt hat die Nadel auch weniger Spiel und sitz besser.

Gedankenknoten gelöst. Schön finde ich aber, das mein Instinkt mir sagte, das ich noch was falsch habe. Gut das ich den so wie er war nicht eingebaut habe

Merle
__________________
Meine Moppeds sind jetzt in einem Alter, sie entscheiden selbstständig ob sie mit Dir eine Ausfahrt machen oder nicht.
Merle ist offline   Mit Zitat antworten
Alt 09.03.2011, 14:01:28   #15
Saugwurmmensch
Public-Relations-Manager
 
Benutzerbild von Saugwurmmensch
 
Registriert seit: 19.07.2004
Ort: Strausberg
Alter: 42
Beiträge: 24.180
Baujahr: 1998
Kilometer: 22000
Standard

Für die Vergasereinstellung lohnt immer ein Blick in die Drossel/Entdrossel-FAQ.
Da sind die Teile alle spezifisch fürs Baujahr abgebildet.
__________________
Wer hat noch keinen Organspendeausweis ?

Warning: may contain Verballhornung.
Suzuki - ride the wings of stain !
Saugwurmmensch ist offline   Mit Zitat antworten
Antwort

Lesezeichen

Stichworte
führrung, gasschieber, vergaser


Forumregeln
Es ist dir nicht erlaubt, neue Themen zu verfassen.
Es ist dir nicht erlaubt, auf Beiträge zu antworten.
Es ist dir nicht erlaubt, Anhänge hochzuladen.
Es ist dir nicht erlaubt, deine Beiträge zu bearbeiten.

BB-Code ist an.
Smileys sind an.
[IMG] Code ist aus.
HTML-Code ist aus.

Gehe zu

Ähnliche Themen
Thema Autor Forum Antworten Letzter Beitrag
selbstgemacht: verschleiß der düsennadelführung beheben wuestenfuchs Vergaser - Kraftstoff - Drosseln - Tuning 15 09.09.2020 11:32:24
BT45 - Verschleiß Autobahn? Oder besser Conti Go? Sirion Räder, Reifen und Bremsen 19 30.07.2010 07:29:48
Verschleiß ( Reifen,Bremsen etc.) Alexo Räder, Reifen und Bremsen 9 10.08.2007 02:24:09
Günstige Verschleiß-/Ersatzteile Allgemeines 13 14.10.2005 17:55:28
Verschleiß grenze! Räder, Reifen und Bremsen 8 30.12.2003 22:52:41


Alle Zeitangaben in WEZ +1. Es ist jetzt 07:24:28 Uhr.


Powered by vBulletin® Version 3.8.9 (Deutsch)
Copyright ©2000 - 2026, vBulletin Solutions, Inc.