gs-500.de  

Zurück   gs-500.de > GS500(E/F) > Vergaser - Kraftstoff - Drosseln - Tuning

Hinweise

Antwort
 
Themen-Optionen
Alt 25.07.2023, 11:54:42   #1
Biker087
Neuer Benutzer
 
Registriert seit: 25.07.2023
Beiträge: 18
Standard GS500F Säuft ab beim Gas geben

Hallo Zusammen,
Bin neu hier und auch direkt ein Problem zu melden.

Ich bin gerade an einer GS500F dran der mehr als 2 Jahre stand. Der Tank war komplett gerostet, wurde gereinigt und versiegelt. Dann wurde der Vergaser ausgebaut und die Schwimmerkammer mit den blöden Schrauben geöffnet und eine Wartung vorgenommen.

Jetzt zum Problem:
Die GS läuft mit Choke und fahren tut die auch wenn man mal etwas rollt und langsam Gas gibt. Aber im Stand läuft die nur mit Choke, schon bei kleinstem Gas geben säuft die ab. Gibt man aber Vollgas, dann hört man Ansauggeräusch und die dreht ganz normal hoch.

Habt ihr mir villeicht tipps was es sein kann? Ich wäre echt dankbar dafür
Biker087 ist offline   Mit Zitat antworten
Alt 25.07.2023, 12:05:37   #2
gsmattis
Stammtisch Hamburg
 
Benutzerbild von gsmattis
 
Registriert seit: 16.03.2008
Ort: Extertal
Alter: 37
Beiträge: 8.808
Baujahr: 1999
Kilometer: 158000
Standard

Da ist der Versager noch nicht richtig sauber. Wende dich am besten an klassikfon, der hilft dir.
__________________
Bandit 1200
TL1000S
weil nur 6 Zylinder Sinn ergeben
gsmattis ist offline   Mit Zitat antworten
Alt 25.07.2023, 12:51:36   #3
Biker087
Neuer Benutzer
 
Registriert seit: 25.07.2023
Beiträge: 18
Standard

Habe mal folgendes probiert.

Luftfilter ausgebaut und motor gestartet. Dabei das Loch des Luftfilterkastens mit der Handfläche zugemacht. Danach läuft das Ding wunderbar und sauft nicht ab auch nicht bei kleineren Gaststößen.
Biker087 ist offline   Mit Zitat antworten
Alt 25.07.2023, 12:59:16   #4
gsmattis
Stammtisch Hamburg
 
Benutzerbild von gsmattis
 
Registriert seit: 16.03.2008
Ort: Extertal
Alter: 37
Beiträge: 8.808
Baujahr: 1999
Kilometer: 158000
Standard

Beim zuhalten bekommt sie kaum Luft, läuft dadurch fett(er). Mit Luftfilter läuft sie also zu mager, was auf verstopfte oder verdreckte Kanäle oder Düsen hindeutet.
__________________
Bandit 1200
TL1000S
weil nur 6 Zylinder Sinn ergeben
gsmattis ist offline   Mit Zitat antworten
Alt 25.07.2023, 16:03:37   #5
Biker087
Neuer Benutzer
 
Registriert seit: 25.07.2023
Beiträge: 18
Standard

Alles klar, danke für die Hilfestellung.
Dann geht die mal zur Reinigung diese Woche
Biker087 ist offline   Mit Zitat antworten
Alt 28.05.2024, 22:22:29   #6
Biker087
Neuer Benutzer
 
Registriert seit: 25.07.2023
Beiträge: 18
Standard

Zitat:
Zitat von gsmattis Beitrag anzeigen
Beim zuhalten bekommt sie kaum Luft, läuft dadurch fett(er). Mit Luftfilter läuft sie also zu mager, was auf verstopfte oder verdreckte Kanäle oder Düsen hindeutet.
Also ich habe den Vergaser jetzt bei klassikfon reinigen lassen. Laut Wiki sollte die Gemischregulierschraube 3 Umdrehungen raus gedreht werden, was ich gemacht habe. Es hat sich nichts geändert an der Situation, sobald man Gas gibt, säuft die ab. Wenn ich die Öffnung am Luftfilter ein wenig zu halte, läuft die Maschine und ich kann normal gas geben.
Biker087 ist offline   Mit Zitat antworten
Alt 28.05.2024, 23:22:07   #7
AmigaHarry
Erfahrener Benutzer
 
Benutzerbild von AmigaHarry
 
Registriert seit: 13.11.2005
Ort: Perchtoldsdorf
Alter: 64
Beiträge: 5.312
Kilometer: 1.1mio
Standard

Dann ist er falsch eingebaut und saugt wo Sprit wo er nicht soll. PAIR und PVLS richtig verschlaucht?
AmigaHarry ist offline   Mit Zitat antworten
Alt 29.05.2024, 05:55:10   #8
berndy
Super-Moderator
 
Benutzerbild von berndy
 
Registriert seit: 16.08.2006
Ort: Schifferstadt/Pfalz
Alter: 63
Beiträge: 10.720
Baujahr: 1995
Kilometer: 66666
Standard

Zitat:
Zitat von Biker087 Beitrag anzeigen
Also ich habe den Vergaser jetzt bei klassikfon reinigen lassen. Laut Wiki sollte die Gemischregulierschraube 3 Umdrehungen raus gedreht werden, was ich gemacht habe. Es hat sich nichts geändert an der Situation, sobald man Gas gibt, säuft die ab. Wenn ich die Öffnung am Luftfilter ein wenig zu halte, läuft die Maschine und ich kann normal gas geben.
Die Symptome deuten eher darauf hin, dass der Motor abmagert. Absaufen bedeutet, dass der Motor überfettet.
Zunächst muss der Motor Betriebstemperatur haben, das sind >80°C. Vorher kann man eigentlich nichts genaues sagen. Einige GSen sind sehr empfindlich, was den Luftfilter anbelangt. Da sollte man unbedingt den richtigen, originalen Luftfilter von Suzuki verwenden.
Wenn ein Motor im Leerlauf nur mit Choke läuft, deutet das darauf hin, dass etwas mit dem Leerlaufsystem nicht stimmt. Zugesetzte Leerlaufdüse/zu kleine Leerlaufdüse. Außerdem darf man bei den Vergasern der GS nicht annehmen, dass bei schlagartigem Gasgeben der Motor auch schlagartig hochdreht. Die Vergaser der GS haben keinen Regelkreis und keine Beschleunigerpumpe, die dafür sorgt, dass das Gemisch beim Gasgeben angereichert wird. Daher magert das Gemisch bei der GS zunächst einmal ab. Das ist um so ausgeprägter je kühler der Motor noch ist.
Ich nehme an, dass irgendwo Luft angesaugt wird, wo sie nicht angesaugt werden soll. Man sollte alle Schläuche (Vergaser/Luftfilter) kontrollieren. Der Drainageschlauch am Luftfilterkasten wird gerne vergessen bzw. das Ventil an dessen Ende geht verloren oder wird entfernt. Manchmal sitzen auch die Gummitüllen zwischen Vergaser und Luftfilterkasten nicht richtig. Einige "Möchtegerntuner" bohren auch Löcher in den Luftfilterkasten.
__________________

Man sollte es so oder so nicht übertreiben.
berndy ist offline   Mit Zitat antworten
Alt 29.05.2024, 07:25:33   #9
AmigaHarry
Erfahrener Benutzer
 
Benutzerbild von AmigaHarry
 
Registriert seit: 13.11.2005
Ort: Perchtoldsdorf
Alter: 64
Beiträge: 5.312
Kilometer: 1.1mio
Standard

Ja, hast recht. Habe irgendwie ausgeblendet, das er beim Lufi-Abdecken besser läuft. Dann zieht er eben wo Luft wo er nicht soll - die Fehlerquellen bleiben dieselben.
An den Lufi glaube ich als erstes einmal nicht - so extrem kann er den Motor nicht beeinflussen - ausser er ist auch falsch montiert.

Der F - Motor reagiert auf die Drosselklappenstellung sehr spontan - er genehmigt sich auf Grund des PVLS keine Gedenksekunde. Wenn er beim Gasgeben sofort abstirbt, kriegt er übers Hauptsystem keinen Sprit bzw. magert komplett ab.
Im Standgas müssen die DK ebenfalls leicht geöffnet sein, damit er die Drehzahl halten kann - das System über die Standgasdüse alleine reicht dazu nicht - beides muss funktionieren (sonst könnte man nie ein Standgas einstellen).
Für die Gasannahme bei DK-Betätigung hat auch die Gemischregulierschraube nur eine untergeordnete Bedeutung. Selbst völlig falsch eingestellt, muss der Motor hochdrehen und nicht absterben. Da stimmt also was Grundsätzliches nicht.

Daher: richtigen Einbau (Verschlauchung) des Vergasers prüfen, sind überhaupt alle Düsen und Oringe (richtig!) eingebaut, ist die Schiebernadel an richtiger Position, sind die Schiebermembranen OK?, usw....
AmigaHarry ist offline   Mit Zitat antworten
Alt 29.05.2024, 08:28:12   #10
Biker087
Neuer Benutzer
 
Registriert seit: 25.07.2023
Beiträge: 18
Standard

Vielen Dank für die Tipps.
Ich habe vor dem einbauen alles geprüft und alle Dichtungen erneuert. Auch die Schwimmernadeln wurden erneuert und abgedichtet.

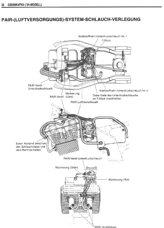
Ich gehe heute Abend erneut ran und prüfe ob alle Schläuche und Verbindungen passen. Leider gibt es auch im Handbuch keine richtige Abbildung der Schlauchführungen.
Biker087 ist offline   Mit Zitat antworten
Alt 29.05.2024, 08:39:54   #11
gsmattis
Stammtisch Hamburg
 
Benutzerbild von gsmattis
 
Registriert seit: 16.03.2008
Ort: Extertal
Alter: 37
Beiträge: 8.808
Baujahr: 1999
Kilometer: 158000
Standard

Zitat:
Zitat von Biker087 Beitrag anzeigen
Leider gibt es auch im Handbuch keine richtige Abbildung der Schlauchführungen.
Dafür aber im Wiki (www.gs-500.info).
__________________
Bandit 1200
TL1000S
weil nur 6 Zylinder Sinn ergeben
gsmattis ist offline   Mit Zitat antworten
Alt 29.05.2024, 10:20:47   #12
AmigaHarry
Erfahrener Benutzer
 
Benutzerbild von AmigaHarry
 
Registriert seit: 13.11.2005
Ort: Perchtoldsdorf
Alter: 64
Beiträge: 5.312
Kilometer: 1.1mio
Standard

Ich weis gar nicht ob das im Wiki alles steht. Aber zur F gibts natürlich auch Unterlagen:
Miniaturansicht angehängter Grafiken
Klicke auf die Grafik für eine größere Ansicht

Name:	AN31.jpg
Hits:	6248
Größe:	60,4 KB
ID:	32079   Klicke auf die Grafik für eine größere Ansicht

Name:	AN32.jpg
Hits:	6073
Größe:	60,9 KB
ID:	32080   Klicke auf die Grafik für eine größere Ansicht

Name:	PistonValveControll.jpg
Hits:	6186
Größe:	93,0 KB
ID:	32081  
AmigaHarry ist offline   Mit Zitat antworten
Alt 29.05.2024, 19:01:02   #13
Biker087
Neuer Benutzer
 
Registriert seit: 25.07.2023
Beiträge: 18
Standard

Perfekt, danke euch.
Ich hatte noch keine Zeit heute, ich hoffe morgen kann ich es mir erneut anschauen.
Biker087 ist offline   Mit Zitat antworten
Alt 20.06.2024, 15:52:02   #14
Biker087
Neuer Benutzer
 
Registriert seit: 25.07.2023
Beiträge: 18
Standard

Also ich habe den Vergaser erneut zerlegt, eingestellt nach Handbuch und jetzt säuft der zwar nicht ab, aber Gas geben funktioniert trotzdem nicht.
Ich habe Mal spaßeshalber die Löcher am Luftfilterbereich zuzughalten, bei einem Vergaser passiert nichts, also keine Auswirkung. Wenn ich es bei dem anderen Vergaser mache, dann säuft der ab.
Kann ich davon ausgehen daß die Leitungen verstopft sind?
Miniaturansicht angehängter Grafiken
Klicke auf die Grafik für eine größere Ansicht

Name:	IMG_2645.jpg
Hits:	5638
Größe:	112,0 KB
ID:	32102  
Biker087 ist offline   Mit Zitat antworten
Alt 20.06.2024, 18:55:16   #15
AmigaHarry
Erfahrener Benutzer
 
Benutzerbild von AmigaHarry
 
Registriert seit: 13.11.2005
Ort: Perchtoldsdorf
Alter: 64
Beiträge: 5.312
Kilometer: 1.1mio
Standard

Kann sein, aber warscheinlicher ist, das der eine Vergaser nicht richtig zusammengebaut wurde. Ich meine, wenn man den Lufi zuhält, kriegt sie keine Luft und muss absaufen. Wenn sich da gar nichts tut, stimmt was nicht. Läuft sie denn überhaupt auf beiden Zylindern? Wenn ja, dann warscheinlich nur bei Standgas. Heisst das was am Hauptsystem nicht passt.
AmigaHarry ist offline   Mit Zitat antworten
Alt 20.06.2024, 20:05:15   #16
Biker087
Neuer Benutzer
 
Registriert seit: 25.07.2023
Beiträge: 18
Standard

Im Stand läuft die normal und gut auf beiden Zylindern.
Ich hatte das Zerlegen auf Video aufgezeichnet und wieder gleich zusammengebaut. Habe noch einmal die Schwimmer eingestellt und heute wieder eingebaut.
Ich habe auch Videos vom Lauf gemacht, die lade ich später hoch wenn ich am Rechner bin.
Biker087 ist offline   Mit Zitat antworten
Alt 20.06.2024, 22:00:32   #17
AmigaHarry
Erfahrener Benutzer
 
Benutzerbild von AmigaHarry
 
Registriert seit: 13.11.2005
Ort: Perchtoldsdorf
Alter: 64
Beiträge: 5.312
Kilometer: 1.1mio
Standard

Wenn du Gas gibst, fällt dann ein Zylinder aus? Oder was passiert dann genau?

Dieses Problem gibts immer dann, wenn am Hauptsystem was falsch ist. Im Standgas wid der Motor ja von der Standgasdüse und den Bypasschrauben (Gemischregulierschrauben) am Leben gehalten. Gibst du Gas muss der Sprit durch die Hauptdüse kommen - und da kommt entweder zuviel oder zuwenig. Das kann viele Ursachen haben: Falsch zusammengebaut, fehlender Oring im Düsenstock, Falschluft, defekte Schieber(membrane), falsch verschlauchter Vergaser, etc. etc.
Vor allem die Verschlauchung genau prüfen (ist ja links und rechts unterschiedlich).
AmigaHarry ist offline   Mit Zitat antworten
Alt 20.06.2024, 22:50:03   #18
Biker087
Neuer Benutzer
 
Registriert seit: 25.07.2023
Beiträge: 18
Standard

Hier mal das Video, das ich aufgenommen habe.

https://drive.google.com/file/d/1MN1...ew?usp=sharing

Morgen werde ich den Vergaser erneut ausbauen und komplett alle Düsen ausbauen und alle Dichtungen usw. erneut kontrollieren. Falschluft wird nicht gezogen, das habe ich mit Bremsenreiniger getestet.

- Falschluft kann ich ausserhalb ausschließen
- Schieber und Membrane sind ok, sind auch nicht verhärtet oder ähnliches
- Verschlauchung habe ich jetzt mehrmals geprüft nach Handbuch und es ist genau so wie es da abgebildet wurde

Was ich alles gemacht habe:
- Tank entrostet und versiegelt
- Am Tank den Sieb getauscht
- Benzinhahn hat Benzin gespuckt, mit Repsatz erneuert
- Benzinschläuche waren porös, getauscht gegen neue Leitungen
- Schwimmernadeln ausgetauscht und eingestellt (13mm nach Handbuch)
- Leerlaufschraube, 3 Umdrehungen raus
- Ultraschallreinigen

Das Ding stand ca. 3 Jahre in der Garage und hat nur 6tkm. Kann der Drosselklappensensor sowas auslösen?
Biker087 ist offline   Mit Zitat antworten
Alt 21.06.2024, 05:49:02   #19
Vinz-Georg
Erfahrener Benutzer
 
Benutzerbild von Vinz-Georg
 
Registriert seit: 06.05.2016
Ort: Potsdam
Alter: 44
Beiträge: 746
Baujahr: 1996
Kilometer: 133000
Standard

Tja, sie magert halt ab wenn du das Gas aufreißt.

Hast du das Ultraschallen bei klassikfon machen lassen oder selber gemacht? Für mich klingt das nach Leerlaufsystem, insbesondere die kleinen Kanäle sind im Vergaser zu.

Das würde auch zur Standuhr mit 6Tkm passen das es zugesetzt ist.
Vinz-Georg ist offline   Mit Zitat antworten
Alt 21.06.2024, 12:12:39   #20
Biker087
Neuer Benutzer
 
Registriert seit: 25.07.2023
Beiträge: 18
Standard

Ja wurde von ihm gemacht.

Ich lasse den Vergaser jetzt erneut reinigen, habe bei mir einen um die Ecke gefunden, der das machen würde. Damit es schneller geht.
Biker087 ist offline   Mit Zitat antworten
Alt 07.07.2024, 14:57:05   #21
Biker087
Neuer Benutzer
 
Registriert seit: 25.07.2023
Beiträge: 18
Standard

Gibt es jemanden in der Umgebung Stuttgart/Ludwigsburg der sich das Ding vielleicht Mal anschauen kann? Ich komme echt nicht mehr weiter und weiß absolut nicht woran es liegt.

Ich habe den Vergaser jetzt nochmal zerlegt und reinigen lassen. Es läuft im Stand super, wenn man Gas gibt, geht nichts mehr. Wenn man allerdings langsam Gas gibt, dann dreht der zumindest hoch. Ich vermute daß es am Unterdruck liegt, denn wenn ich den Luftfilter mit der Hand abdecke läuft es wie es soll und ich kann auch Vollgas geben.

Kann mir vielleicht einer sagen was der TPS und der Magnetventil am Vergaser genau macht im Zusammenspiel? Eventuell wären Mal Spannungen interessant da im Handbuch nichts steht, da könnte ich dann Mal Spannungen prüfen.
Biker087 ist offline   Mit Zitat antworten
Alt 07.07.2024, 18:02:30   #22
AmigaHarry
Erfahrener Benutzer
 
Benutzerbild von AmigaHarry
 
Registriert seit: 13.11.2005
Ort: Perchtoldsdorf
Alter: 64
Beiträge: 5.312
Kilometer: 1.1mio
Standard

Dein Luftfilter könnte auch nicht passen! Da ist die GS extrem empfindlich.

PVLS kann das nicht derart extrem beeinflussen - das verhindert nur das die Schieber bei plötzlichem Gasgeben und dazu unpassender (niedriger) Drehzahl zu schnell hochschnellen. Dazu reduziert es den Unterdruck über der Schiebermembrane geringfügig.
Welches Handbuch hast du? Im Servicemanual von Suzuki ist das vollständig beschrieben.Messen kanst du da wenig, weil das Ventil einfach nur in bestimmten Betriebszuständen schaltet (0 oder 12V), welche du nachstellen müsstest - geht vernünftig aber nur wärend der Fahrt. Du kannst nur prüfen, ob das Ventil schaltet, wenn du 12V anlegst. Ob die MPU richtig arbeitet und Signale ans PVLS sendet, kannst du ohne Testsystem nicht wirklich prüfen.

Aber das PVLS wird kaum an deiner Misere schuld sein:

Aus irgend einem Grund kriegt deine Kiste zu wenig Sprit durch die Hauptdüsen, wenn die Schieber hochgehen, oder sie zieht irgendwo sehr viel Falschluft.
Schau einmalin die offene Airbox (ohne Lufi) und beobachte was die Schieber machen, wenn du gas gibst - flitzen sie nach oben?

Aus Erfahrung ist meistens eine falsche Verschlauchung der Unterdruckanschlüsse, zu niedere Schwimmerstand oder (eher unwarscheinlich) kein ausreichender Durchfluß vom Tank her schuld. Ich hoffe du kannst das wirklich alles ausschließen.
Und ich hoffe der Vergaser Druckentlüftungsschlauch liegt frei oben und ist nirgends angeschlossen....
AmigaHarry ist offline   Mit Zitat antworten
Alt 10.07.2024, 17:32:32   #23
Biker087
Neuer Benutzer
 
Registriert seit: 25.07.2023
Beiträge: 18
Standard

Danke erstmal für die ausführliche Erklärung der Anlage. Nun da ich jetzt mehrfach alles getestet habe, auch zerlegt usw. Besteht der Fehler weiterhin. Habe jetzt Mal testweise den Unterdruckschlauch in die Hand genommen und mit der Atemluft versucht die Luft in den Benzinhahn reinzupumpen ��, da geht nichts durch. Also anderes Werkzeug Luftpumpe elektrisch dran gehalten und da geht auch nichts durch, eher geht der Schlauch ab als das irgendwas durchgeht.
Ich habe ein Reperatursatz gekauft gehabt und alles innerlich ausgetauscht.

Wieviele Druck muss denn da herrschen damit das Ventil öffnet und Sprit mit etwas mehr Druck durchlässt.
Biker087 ist offline   Mit Zitat antworten
Alt 10.07.2024, 17:51:36   #24
berndy
Super-Moderator
 
Benutzerbild von berndy
 
Registriert seit: 16.08.2006
Ort: Schifferstadt/Pfalz
Alter: 63
Beiträge: 10.720
Baujahr: 1995
Kilometer: 66666
Standard

Ähm, der Unterdruckschlauch heißt warum Unterdruckschlauch?

Nicht etwas weil da Überdruck drauf kommt sondern weil da Unterdruck anliegt, den der Motor beim Ansaugtakt produziert.

Wenn man an dem Schlauch saugt sollte der Benzinhahn öffnen.
__________________

Man sollte es so oder so nicht übertreiben.
berndy ist offline   Mit Zitat antworten
Alt 10.07.2024, 18:02:47   #25
Biker087
Neuer Benutzer
 
Registriert seit: 25.07.2023
Beiträge: 18
Standard

Ja ich sauge dran und es macht Klickgeräusche im Inneren wenn ich sauge und loslasse.
Biker087 ist offline   Mit Zitat antworten
Alt 10.07.2024, 18:15:50   #26
berndy
Super-Moderator
 
Benutzerbild von berndy
 
Registriert seit: 16.08.2006
Ort: Schifferstadt/Pfalz
Alter: 63
Beiträge: 10.720
Baujahr: 1995
Kilometer: 66666
Standard

Ja, dann öffnet das Ventil, was aber nicht heißt, dass Benzin fließt. Könnte ja auch durch Schmutz zugesetzt sein.

Ich würde den Schlauch, der vom Benzinhahn zum Vergaser geht, am Vergaser (T-Stück) abziehen, in ein Gefäß stecken, am Unterdruckschlauch saugen und gucken, ob Benzin fließt. Saugen kann man auch mit einer Einwegspritze. Ich denke 10 ccm sollten reichen. Gibts in der Apotheke, manchmal auch im Baumarkt (Kleisterspritze) oder online.
__________________

Man sollte es so oder so nicht übertreiben.
berndy ist offline   Mit Zitat antworten
Alt 10.07.2024, 18:23:33   #27
berndy
Super-Moderator
 
Benutzerbild von berndy
 
Registriert seit: 16.08.2006
Ort: Schifferstadt/Pfalz
Alter: 63
Beiträge: 10.720
Baujahr: 1995
Kilometer: 66666
Standard

Ich habe mir deinen vorletzen Beitrag nochmal durchgelesen, da besteht wohl ein Verständnisproblem. Das Benzin wird einfach von der Schwerkraft vom Tank in die Vergaser befördert. Der Unterdruckbenzinhahn unterstützt den Benzinfluss nicht. Der Unterdruck öffnet nur ein Ventil, durch das das Benzin der Schwerkraft folgend in die Vergaser läuft.

Wenn nicht genug Benzin in die Vergaser kommt, liegt es an einer Verengung, Knick im Benzinschlauch, zusätzlicher Benzinfilter, Schmutz in den Leitungen...

Sehr gerne setzt sich auch nicht ausgehärtete Tankversiegelung in den Benzinleitungen und den Vergasern ab.
__________________

Man sollte es so oder so nicht übertreiben.
berndy ist offline   Mit Zitat antworten
Alt 10.07.2024, 22:54:48   #28
Biker087
Neuer Benutzer
 
Registriert seit: 25.07.2023
Beiträge: 18
Standard

Ich gebe das Ding bald in einer Werkstatt ab. So eine Zicke wie diese Maschine habe ich noch nie gesehen und erlebt. Ist nicht das erste Bike an dem ich geschraubt habe. Es stand halt knapp 3 Jahre in der Garage, aber nach Reinigung usw. sollte es doch mal gehen.

Noch eine Idee was es sein kann? Es kommt einfach kein Sprit, was anderes ist es nicht. Sobald ich die Hand über den Luftfilterkasten lege, läuft das Ding und ich kann bis zum Ende des Drehzahlbandes Gas geben. Also ich habe eine manuelle Vacuumpumpe mit der ich das machen kann. Das teste ich mal morgen aus.


Ich habe schon bei mehreren Ninjas die Motoren zerlegt, repariert und wieder zum laufen gebracht und mit Vergasern der Supersportler hatte ich auch noch nie ein Problem nach Reinigung und neu Bedüsung.
Biker087 ist offline   Mit Zitat antworten
Alt 11.07.2024, 06:05:46   #29
berndy
Super-Moderator
 
Benutzerbild von berndy
 
Registriert seit: 16.08.2006
Ort: Schifferstadt/Pfalz
Alter: 63
Beiträge: 10.720
Baujahr: 1995
Kilometer: 66666
Standard

Ich hab mir dein Video angesehen. Ohne Luftfilter ist es doch klar, dass die beim Gasgeben bis zum "geht nicht mehr" abmagert.

Was erwartest du von einem sehr mager abgestimmten Motor, wenn du den ohne Luftfilter betreibst?

Die GS ist ja auch bekannt dafür, dass sie sehr empfinglich auf falsche Luftfilter reagiert. Das ist ohne dann ja noch schlimmer.

Ohne den richtigen Luftfilter brauchst du da gar nicht herumprobieren.
__________________

Man sollte es so oder so nicht übertreiben.
berndy ist offline   Mit Zitat antworten
Alt 11.07.2024, 09:08:54   #30
AmigaHarry
Erfahrener Benutzer
 
Benutzerbild von AmigaHarry
 
Registriert seit: 13.11.2005
Ort: Perchtoldsdorf
Alter: 64
Beiträge: 5.312
Kilometer: 1.1mio
Standard

Konnte das Video erst jetzt am anderen Rechner sehen (sh.t g..le-drive!!).

Ja, klar - ohne Lufi geht gar nix (aber auch bei keiner anderen Vergasermaschine) - und man hört's ja auch am Klang, das sie abmagert.

Die Kiste hat nichts - bau nur einmal den richtigen (!!) Luftfilter ein.
AmigaHarry ist offline   Mit Zitat antworten
Alt 18.07.2024, 08:54:25   #31
berndy
Super-Moderator
 
Benutzerbild von berndy
 
Registriert seit: 16.08.2006
Ort: Schifferstadt/Pfalz
Alter: 63
Beiträge: 10.720
Baujahr: 1995
Kilometer: 66666
Standard

Es wäre mal schön, wenn sich Biker087 mit einem Sachstand melden würde.

War es der fehlende LuFi oder doch etwas anderes.
__________________

Man sollte es so oder so nicht übertreiben.
berndy ist offline   Mit Zitat antworten
Alt 18.07.2024, 11:09:00   #32
Jim Knopf
Erfahrener Benutzer
 
Benutzerbild von Jim Knopf
 
Registriert seit: 06.12.2010
Ort: 74635 Kupferzell
Alter: 58
Beiträge: 7.388
Baujahr: 1989
Kilometer: 33333
Standard

Zitat:
Zitat von berndy Beitrag anzeigen
Es wäre mal schön, wenn sich Biker087 mit einem Sachstand melden würde
+ 1

Aber was willste erwarten, wenn man sich noch nicht mal vorgestellt hat hier!
__________________
Duracell ist Scheiße
Jim Knopf ist offline   Mit Zitat antworten
Alt 19.07.2024, 16:17:06   #33
DaisyDougs
Benutzer
 
Benutzerbild von DaisyDougs
 
Registriert seit: 05.11.2020
Ort: Braunschweig
Alter: 56
Beiträge: 89
Baujahr: 1969
Kilometer: 113200
Standard

Also ehrlich.

"...nicht das erste Bike an dem ich geschraubt habe"... und wenn ich dann mir mal den Verlauf der Geschichte so ansehe.... ab 07/2023 bastelt man an dieser Maschine"
Wahrscheinlich hat die Maschine mehr Fehler hinein repariert bekommen .....
__________________
YouTube-Kanal
www.daisydougs.de
Mein Fuhrpark: GS500E (wird verkauft), CBF600, GSF600.
DaisyDougs ist offline   Mit Zitat antworten
Alt 20.07.2024, 11:55:09   #34
Biker087
Neuer Benutzer
 
Registriert seit: 25.07.2023
Beiträge: 18
Standard

Zitat:
Zitat von Jim Knopf Beitrag anzeigen
+ 1

Aber was willste erwarten, wenn man sich noch nicht mal vorgestellt hat hier!
Sorry, ich arbeite jeden Tag knapp 16 Stunden, da bleibt nicht viel Zeit zum schrauben. Ich habe den Fehlet gefunden, es war die Hülse falsch herum montiert, daher ging beim Gas geben das Ding aus.

Heute TÜV gemacht und bei der Rückfahrt ist sie dann aus gegangen. Kurz stehen gelassen und dann ging sie wieder an. Werde jetzt den Filter am Tank nochmal anschauen ob die nicht verdreckt ist
Biker087 ist offline   Mit Zitat antworten
Alt 20.07.2024, 12:48:59   #35
Jim Knopf
Erfahrener Benutzer
 
Benutzerbild von Jim Knopf
 
Registriert seit: 06.12.2010
Ort: 74635 Kupferzell
Alter: 58
Beiträge: 7.388
Baujahr: 1989
Kilometer: 33333
Standard

Zitat:
Zitat von Biker087 Beitrag anzeigen
Sorry, ich arbeite jeden Tag knapp 16 Stunden
Geht doch gar nicht lt. Arbeitsrecht!
__________________
Duracell ist Scheiße
Jim Knopf ist offline   Mit Zitat antworten
Alt 20.07.2024, 14:01:41   #36
Biker087
Neuer Benutzer
 
Registriert seit: 25.07.2023
Beiträge: 18
Standard

Zitat:
Zitat von Jim Knopf Beitrag anzeigen
Geht doch gar nicht lt. Arbeitsrecht!
Wen juckt das Arbeitsrecht bei Selbstdtändigkeit.

Habe den Tank nochmal ausgewaschen und da war wieder alles voll. Jetzt werde ich mit Zitronensäure das Ding bis Montag einwirken lassen bis rostio ankommt. Dann den Vergaser wieder zerlegen, reinigen und dann sollte alles wieder laufen
Biker087 ist offline   Mit Zitat antworten
Alt 28.07.2024, 20:39:45   #37
AmigaHarry
Erfahrener Benutzer
 
Benutzerbild von AmigaHarry
 
Registriert seit: 13.11.2005
Ort: Perchtoldsdorf
Alter: 64
Beiträge: 5.312
Kilometer: 1.1mio
Standard

Wenn der Tank so gemütlich vor sich hinrostet, würde ich dem eine Kur mit Kreem-Reinigungs/Versiegelungssystem empfehlen.
AmigaHarry ist offline   Mit Zitat antworten
Alt 29.07.2024, 07:13:25   #38
Biker087
Neuer Benutzer
 
Registriert seit: 25.07.2023
Beiträge: 18
Standard

Habe am Samstag nun den Vergaser mehrmals mit verschiedenen Mitteln gereinigt, entfettet und am Ende mit Salzsäure gereinigt. Komplett frei wird der nicht aber es läuft wenigstens keine rote rotze raus.
Versiegelt habe ich es mit einer Brünierung.
Ich habe noch einen Benzinfilter eingebaut. Das Bike läuft jetzt wieder wie es soll. Ein Tank wird dieses Jahr noch bestellt
Biker087 ist offline   Mit Zitat antworten
Alt 29.07.2024, 07:56:57   #39
Vinz-Georg
Erfahrener Benutzer
 
Benutzerbild von Vinz-Georg
 
Registriert seit: 06.05.2016
Ort: Potsdam
Alter: 44
Beiträge: 746
Baujahr: 1996
Kilometer: 133000
Standard

Du kannst den zusätzlichen Benzinfilter gleich wieder entfernen... Bringt nix und macht nur Ärger da du den Benzinfluss verringerst was bei flotter Fahrt zum stottern des Motors führt...
Vinz-Georg ist offline   Mit Zitat antworten
Alt 29.07.2024, 07:59:07   #40
Biker087
Neuer Benutzer
 
Registriert seit: 25.07.2023
Beiträge: 18
Standard

Der bleibt erstmal drin bis es Probleme macht und wieso sollte es nichts bringen? Es verhindert grobe Partikel die es immer noch gibt.
Biker087 ist offline   Mit Zitat antworten
Alt 29.07.2024, 08:00:06   #41
Vinz-Georg
Erfahrener Benutzer
 
Benutzerbild von Vinz-Georg
 
Registriert seit: 06.05.2016
Ort: Potsdam
Alter: 44
Beiträge: 746
Baujahr: 1996
Kilometer: 133000
Standard

Na dann.
Vinz-Georg ist offline   Mit Zitat antworten
Alt 29.07.2024, 10:06:58   #42
gsmattis
Stammtisch Hamburg
 
Benutzerbild von gsmattis
 
Registriert seit: 16.03.2008
Ort: Extertal
Alter: 37
Beiträge: 8.808
Baujahr: 1999
Kilometer: 158000
Standard

Zitat:
Zitat von Biker087 Beitrag anzeigen
Der bleibt erstmal drin bis es Probleme macht und wieso sollte es nichts bringen? Es verhindert grobe Partikel die es immer noch gibt.
Die groben Partikel, "die es immer noch gibt", können nur aus dem Tank kommen und im Tank ist auch ein Sieb am Benzinhahn. Dann muss man die Ursache beseitigen und nicht die Symptome bekämpfen. Aber mach halt, wie du meinst, bist ja schließlich erwachsen...
__________________
Bandit 1200
TL1000S
weil nur 6 Zylinder Sinn ergeben
gsmattis ist offline   Mit Zitat antworten
Antwort

Lesezeichen


Forumregeln
Es ist dir nicht erlaubt, neue Themen zu verfassen.
Es ist dir nicht erlaubt, auf Beiträge zu antworten.
Es ist dir nicht erlaubt, Anhänge hochzuladen.
Es ist dir nicht erlaubt, deine Beiträge zu bearbeiten.

BB-Code ist an.
Smileys sind an.
[IMG] Code ist aus.
HTML-Code ist aus.

Gehe zu

Ähnliche Themen
Thema Autor Forum Antworten Letzter Beitrag
Geht aus beim Gas geben Teufelchen88 Fehlerdiagnose 8 01.04.2016 06:13:37
Geht beim Gas geben aus Teufelchen88 Fehlerdiagnose 12 02.07.2015 20:47:58
Säuft beim Gas geben ab Teufelchen88 Fehlerdiagnose 1 06.04.2014 18:59:07
Maschine "säuft ab" beim Gas geben Karl Fehlerdiagnose 38 01.03.2011 21:41:02
geht beim gas geben aus Vergaser - Kraftstoff - Drosseln - Tuning 6 23.05.2004 19:12:50


Alle Zeitangaben in WEZ +1. Es ist jetzt 01:46:52 Uhr.


Powered by vBulletin® Version 3.8.9 (Deutsch)
Copyright ©2000 - 2026, vBulletin Solutions, Inc.