gs-500.de  

Zurück   gs-500.de > GS500(E/F) > Vergaser - Kraftstoff - Drosseln - Tuning

Hinweise

Antwort
 
Themen-Optionen
Alt 15.03.2012, 16:14:34   #1
bbg
Neuer Benutzer
 
Registriert seit: 27.02.2012
Ort: Bamberg
Beiträge: 23
Baujahr: 94
Kilometer: 28000
Standard Was ist mit diesem schlauch??

Hallo,

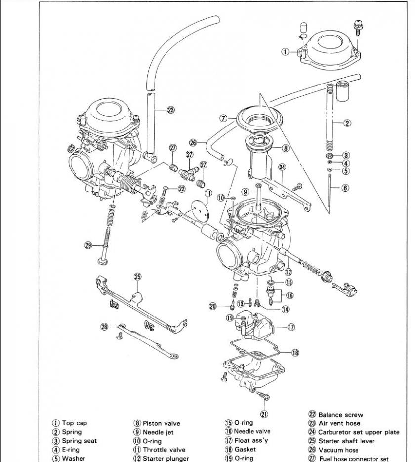
kann mir jemand sagen, wofür dieser schlauch (nummer 23) im bild.
gut ist?

habe dass problem, dass meine gs im unteren drehzahlbereich nicht hochdreht wenn ich diesen schlauch zu halte oder in den unterdruckanschluss vom tank stecke.

manchmal geht sie sogar einfach aus. wenn ich den schlauch offen lasse ist alles gut. ich dachte immer das wäre der unterdruckschlauch und der muss in den tank eingesteckt werden, damit unterdruck erzeugt werden kann..

danke für eure antworten
Miniaturansicht angehängter Grafiken
Klicke auf die Grafik für eine größere Ansicht

Name:	schlacuh.jpg
Hits:	392
Größe:	89,2 KB
ID:	12758  
bbg ist offline   Mit Zitat antworten
Alt 15.03.2012, 16:42:45   #2
unwirschjunior
Neuer Benutzer
 
Benutzerbild von unwirschjunior
 
Registriert seit: 21.04.2011
Ort: Trebur
Beiträge: 9
Baujahr: 1993
Kilometer: 20000
Standard

Das müsste der Entlüftungsschlauch sein und endet irgentwo bei dem Luftfilter/ Batterie im leeren.

Der Unterdruckschlauch ist die "26" und wird an den Benzinhahn angeschlossen.
unwirschjunior ist offline   Mit Zitat antworten
Alt 15.03.2012, 16:46:15   #3
Knotenfrosch
Stammtisch Karlsruhe
 
Benutzerbild von Knotenfrosch
 
Registriert seit: 03.04.2011
Ort: Flensburg
Alter: 48
Beiträge: 855
Baujahr: 95
Kilometer: 33.000
Standard

Ich zitier mal aus den FAQ
Zitat:
Vergaserentlüftung / Referenzdruck (nicht im Bild)
vom oberen T-Stück zwischen den Vergasern über die Airbox nach hinten zwischen Airbox und Batterie; endet dort im Leeren.
Bringt Umgebungsdruck unter die Membran im Vergaser. Dieser hebt gegen den Unterdruck im Vergaserventuri den Schieber an.
__________________
.
Wenn wir aussterben, trinken wir Scotch
und fahren dabei Muscle Cars!


Liste aller Challenges des Foto-Spiels
Knotenfrosch ist offline   Mit Zitat antworten
Alt 15.03.2012, 17:42:09   #4
berndy
Super-Moderator
 
Benutzerbild von berndy
 
Registriert seit: 16.08.2006
Ort: Schifferstadt/Pfalz
Alter: 63
Beiträge: 10.721
Baujahr: 1995
Kilometer: 66666
Standard

Es macht doch überhaupt keinen Sinn im Tank Unterdruck zu erzeugen.

Wenn im Tank Unterdruck herrscht, kann doch gar kein Benzin ausfließen.

Unterdruck gibts im Unterdruckbenzinhahn, aber nur auf der Saugseite und auch nur damit der Hahn öffnet und Benzin, der Schwerkraft folgend, aus dem Tank in die Schwimmerkammern laufen lässt.
__________________

Man sollte es so oder so nicht übertreiben.
berndy ist offline   Mit Zitat antworten
Antwort

Lesezeichen


Forumregeln
Es ist dir nicht erlaubt, neue Themen zu verfassen.
Es ist dir nicht erlaubt, auf Beiträge zu antworten.
Es ist dir nicht erlaubt, Anhänge hochzuladen.
Es ist dir nicht erlaubt, deine Beiträge zu bearbeiten.

BB-Code ist an.
Smileys sind an.
[IMG] Code ist aus.
HTML-Code ist aus.

Gehe zu

Ähnliche Themen
Thema Autor Forum Antworten Letzter Beitrag
Was sagt ihr zu diesem Angebot?? Allgemeines 15 01.11.2005 13:37:47
Wo Für ist bei diesem Moped der 6te Gang da? Motor, Getriebe, Kettensatz 32 17.06.2005 13:05:24
Was haltet ihr von diesem Rücklicht? Elektrik, Elektronik und Beleuchtung 36 27.01.2005 15:59:19
was haltet ihr von diesem angebot:? Allgemeines 19 05.01.2005 22:22:44
Bin Neu hier in diesem Forum... Allgemeines 8 16.01.2004 09:50:52


Alle Zeitangaben in WEZ +1. Es ist jetzt 06:54:09 Uhr.


Powered by vBulletin® Version 3.8.9 (Deutsch)
Copyright ©2000 - 2026, vBulletin Solutions, Inc.