gs-500.de  

Zurück   gs-500.de > GS500(E/F) > Elektrik, Elektronik und Beleuchtung

Hinweise

Antwort
 
Themen-Optionen
Alt 07.06.2019, 16:38:48   #1
Andy123
Neuer Benutzer
 
Registriert seit: 12.05.2019
Beiträge: 19
Standard Schaltplan

Hallo
Suche einen Schaltplan für die GS 500 e Bj. 01 / 99
Gruß Karl
Andy123 ist offline   Mit Zitat antworten
Alt 08.06.2019, 06:15:24   #2
berndy
Super-Moderator
 
Benutzerbild von berndy
 
Registriert seit: 16.08.2006
Ort: Schifferstadt/Pfalz
Alter: 63
Beiträge: 10.720
Baujahr: 1995
Kilometer: 66666
Standard

Da hast du nichts gefunden?

https://www.google.com/search?q=gs50...zFGAGYD97aZhM:
__________________

Man sollte es so oder so nicht übertreiben.
berndy ist offline   Mit Zitat antworten
Alt 08.06.2019, 15:44:28   #3
Andy123
Neuer Benutzer
 
Registriert seit: 12.05.2019
Beiträge: 19
Standard

Hallo Berndy
Daß das bei Google steht habe ich nicht gewußt,vielen dank für deine schnelle Antwort.
Die Gelegenheit dem erfahrenen Berndy eine neue Frage zu stellen muß ich ausnutzen.
Zyl. links Zündfunken i.O. rechts fehlt, Zündspule von li. n. re. gebaut, Funke fehlt.
12V liegt an. Wie würdest du jetzt weiter vorgehen...
Gruß karl
Andy123 ist offline   Mit Zitat antworten
Alt 09.06.2019, 05:22:58   #4
berndy
Super-Moderator
 
Benutzerbild von berndy
 
Registriert seit: 16.08.2006
Ort: Schifferstadt/Pfalz
Alter: 63
Beiträge: 10.720
Baujahr: 1995
Kilometer: 66666
Standard

Nun Google ist eine Suchmaschine. Deren Zweck ist es, alles was im Netz irgendwo zu finden ist zu finden. Man muss nur wissen was man sucht und welche Schlagwörter zum Suchen geeignet sind.

Zu deiner Frage:

Zuerst sollte man auch mal die Zündkerzen testen.

Ist da alles in Ordnung sollte man die Leitungen und Steckverbinder prüfen.

Wenn es die nicht sind, die Zündspulen hast du ja bereits geprüft, bleiben noch die zwei Zündgeberspulen.

Ich würde ganz einfach mal die beiden Zündinduktionsspulen (Zündgeberspulen) durchmessen.

Vermutlich würde man dabei feststellen, dass die für den rechten Zylinder nicht in Ordnung ist.

Du nimmst die Sitzbank und die linke Seitenverkleidung und schraubst den Masseanschluss von der Batterie ab. Dann guckst du, wie das Kabel vom rechten Motordeckel verläuft. Wenn du den Vierfachstecker gefunden hast, trennst du den. Dann brauchst du ein OHM-Meter mit entsprechendem Messbereich. Nun misst du den Widerstand zwischen dem braunen und dem schwarz/blauen Kabel danach zwischen dem grün/weißen und dem schwarz/blauen Kabel.

Bei der Widerstandsmessung sollten die Spulen zwischen 250 und 420 Ohm haben.

Unendlicher Widerstand = Spule gerissen oder Leitung defekt. Geringerer Widerstand = Kurzschluss.

Wie man Kabel auf Durchgang prüft, setze ich voraus.

Die Spulen gibts aber nicht einzeln, du musst entweder die gesamte Zündgeberplatte ersetzen oder eine gute Spule von einer defekten Zündgeberplatte umlöten.
__________________

Man sollte es so oder so nicht übertreiben.
berndy ist offline   Mit Zitat antworten
Alt 09.06.2019, 17:35:18   #5
Andy123
Neuer Benutzer
 
Registriert seit: 12.05.2019
Beiträge: 19
Standard

Hallo
Ich werde Schritt für Schritt alles durchgehen u. melde mich wieder.
Es kann aber etwas dauern.
Karl
Andy123 ist offline   Mit Zitat antworten
Alt 10.06.2019, 16:48:10   #6
Andy123
Neuer Benutzer
 
Registriert seit: 12.05.2019
Beiträge: 19
Standard

Hallo

Kerzen, neu
Leitungen u. Steckverbindungen i.O.
beide Geberspulen 290 Ohm

Gruß K
Andy123 ist offline   Mit Zitat antworten
Alt 10.06.2019, 18:08:33   #7
berndy
Super-Moderator
 
Benutzerbild von berndy
 
Registriert seit: 16.08.2006
Ort: Schifferstadt/Pfalz
Alter: 63
Beiträge: 10.720
Baujahr: 1995
Kilometer: 66666
Standard

Gut.

Hast du mal die Zündkerzen rechts/links getauscht.

Auch ein neues Teil kann defekt sein.

Wenn es das nicht ist, und du immer noch auf einer Seite keinen Funken hast, bleibt nur noch die Verkabelung von der Zündbox bis zur entsprechenden Zündspule.
__________________

Man sollte es so oder so nicht übertreiben.
berndy ist offline   Mit Zitat antworten
Alt 10.06.2019, 19:42:50   #8
Andy123
Neuer Benutzer
 
Registriert seit: 12.05.2019
Beiträge: 19
Standard

Frage, könnte die Zündbox hier eine Rolle spielen ?
die Kerzen hatte ich schon getauscht,
Andy123 ist offline   Mit Zitat antworten
Alt 11.06.2019, 07:52:35   #9
AmigaHarry
Erfahrener Benutzer
 
Benutzerbild von AmigaHarry
 
Registriert seit: 13.11.2005
Ort: Perchtoldsdorf
Alter: 64
Beiträge: 5.313
Kilometer: 1.1mio
Standard

Zitat:
Zitat von Andy123 Beitrag anzeigen
Frage, könnte die Zündbox hier eine Rolle spielen ?
die Kerzen hatte ich schon getauscht,
Zündbox ist sehr unwarscheinlich. Vor allem weil ja auf einer Seite Zündung da ist. Vorher daher Verkabelung (Durchgang!!!) von CDI bis Kerze prüfen.
Hat deine 2 Zündgeberkontakte, oder bereits nur mehr einen (wie die neueren Modelle). Die Zeit wo das geändert wurde ist 1998/99. Wenn sie noch 2 hat, kann es auch an einem Induktionsgeber liegen. Wenn einer defekt ist, kriegt die CDI kein Signal für diesen Zylinder zum Zünden. Die Geber sitzen unter der rechten KW-Abdeckung.
AmigaHarry ist offline   Mit Zitat antworten
Alt 11.06.2019, 14:19:23   #10
Andy123
Neuer Benutzer
 
Registriert seit: 12.05.2019
Beiträge: 19
Standard

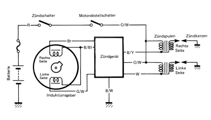
Es sind 2 Geberspulen verbaut, die habe ich direkt gemessen, ca. 295 Ohm
weil die Kabelfarben die Berndy auf dem Vierfachstecker angegeben sind bei mir
nicht passen. Ich habe, Braun, schwarz/weiß, schwarz/grün, weiß.
Von wo nach wo muß ich klinglen ?
Miniaturansicht angehängter Grafiken
Klicke auf die Grafik für eine größere Ansicht

Name:	P1020811.jpg
Hits:	981
Größe:	75,4 KB
ID:	28561   Klicke auf die Grafik für eine größere Ansicht

Name:	P1020804.JPG
Hits:	848
Größe:	86,6 KB
ID:	28562   Klicke auf die Grafik für eine größere Ansicht

Name:	P1020805.JPG
Hits:	813
Größe:	85,8 KB
ID:	28563   Klicke auf die Grafik für eine größere Ansicht

Name:	P1020812.jpg
Hits:	832
Größe:	69,6 KB
ID:	28564  

Geändert von Andy123 (11.06.2019 um 20:04:37 Uhr)
Andy123 ist offline   Mit Zitat antworten
Alt 11.06.2019, 21:45:46   #11
AmigaHarry
Erfahrener Benutzer
 
Benutzerbild von AmigaHarry
 
Registriert seit: 13.11.2005
Ort: Perchtoldsdorf
Alter: 64
Beiträge: 5.313
Kilometer: 1.1mio
Standard

So schaut das aus (soll 250-420 Ohm):
Miniaturansicht angehängter Grafiken
Klicke auf die Grafik für eine größere Ansicht

Name:	PickUP.jpg
Hits:	1319
Größe:	71,5 KB
ID:	28565  
AmigaHarry ist offline   Mit Zitat antworten
Alt 12.06.2019, 09:50:38   #12
Andy123
Neuer Benutzer
 
Registriert seit: 12.05.2019
Beiträge: 19
Standard

Dann nochmal von vorne ...
Andy123 ist offline   Mit Zitat antworten
Alt 12.06.2019, 18:17:28   #13
berndy
Super-Moderator
 
Benutzerbild von berndy
 
Registriert seit: 16.08.2006
Ort: Schifferstadt/Pfalz
Alter: 63
Beiträge: 10.720
Baujahr: 1995
Kilometer: 66666
Standard

Du kannst ja auch direkt an den Spulen den Widerstand messen und anschließend die Verkabelung auf Durchgang prüfen.

Einfach die eine Messspitze an das eine Ende der Spule und die andere Spitze ans andere Ende.
__________________

Man sollte es so oder so nicht übertreiben.
berndy ist offline   Mit Zitat antworten
Alt 13.06.2019, 10:36:50   #14
Andy123
Neuer Benutzer
 
Registriert seit: 12.05.2019
Beiträge: 19
Standard

1. Die Spulen wurden schon direkt gemessen siehe oben.
2. Endlich mal einen Plan mit dem man arbeiten kann.
ich muß ihn nur noch umsetzen, habt bitte etwas Geduld mit mir.
weiter klinglen ...
Andy123 ist offline   Mit Zitat antworten
Alt 14.06.2019, 14:15:50   #15
Andy123
Neuer Benutzer
 
Registriert seit: 12.05.2019
Beiträge: 19
Standard

Allso

Die Kabel von den Zündspulen links: weiß, rechts: schwarz/grün gehen
zum Vierfachstecker u. haben Durchgang.
Die Kabel von der Zündgeberplatte schwarz, braun, grün/weiß, gehen
zum Dreifachstecker u. haben Durchgang, wars das ?
ich hab da einen schlimmen Verdacht, in diesem Jahr kam da eine neue
GEL- Batterie rein ...
Andy123 ist offline   Mit Zitat antworten
Alt 14.06.2019, 16:09:52   #16
berndy
Super-Moderator
 
Benutzerbild von berndy
 
Registriert seit: 16.08.2006
Ort: Schifferstadt/Pfalz
Alter: 63
Beiträge: 10.720
Baujahr: 1995
Kilometer: 66666
Standard

Die Ruhespannung einer Gel-Batterie liegt etwas höher als die einer normalen Nass-Batterie, dafür ist der Innenwiderstand der Gel-Batterie auch etwas höher.

Wenn es Probleme gibt, hängen diese mit dem Laderegler und/oder der Lichtmaschine zusammen, die mit der höheren Spannungslage und dem Innenwiderstand nicht klar kommen. Die Batterie wird nie richtig voll und/oder der Laderegler wird überlastet, was auch die Lichtmaschine in Mitleidenschaft ziehen kann.

Muss aber nicht, kann sein, dass es auch einwandfrei funktioniert.

Wie ist denn die Spannung deiner Batterie? Wenn diese über 12,6 V liegt, wäre das in Ordnung. 12,4 V wäre schwach geladen, darunter leer.

Du kannst auch die Ladespannung bei laufendem Motor messen. Die Spannung sollte über 13,8 V und unter 15 V liegen.
__________________

Man sollte es so oder so nicht übertreiben.
berndy ist offline   Mit Zitat antworten
Alt 14.06.2019, 22:21:42   #17
AmigaHarry
Erfahrener Benutzer
 
Benutzerbild von AmigaHarry
 
Registriert seit: 13.11.2005
Ort: Perchtoldsdorf
Alter: 64
Beiträge: 5.313
Kilometer: 1.1mio
Standard

Zitat:
Zitat von Andy123 Beitrag anzeigen
Allso

Die Kabel von den Zündspulen links: weiß, rechts: schwarz/grün gehen
zum Vierfachstecker u. haben Durchgang.
Die Kabel von der Zündgeberplatte schwarz, braun, grün/weiß, gehen
zum Dreifachstecker u. haben Durchgang, wars das ?
ich hab da einen schlimmen Verdacht, in diesem Jahr kam da eine neue
GEL- Batterie rein ...
Nein, das wars nicht! Welche Ohmwerte? Durchgang sagt genau nichts aus. Wenn die Durchgang mit fast keinen Widerstand haben, sind sie tot. Ich habe dir dazu die Werte für die Pickups im vorigen Post geschrieben.
Noch Zündspulen:
Hochspannungsseite 18kOhm-30kOhm
Niederspannungsseite: 3-6 Ohm
AmigaHarry ist offline   Mit Zitat antworten
Alt 15.06.2019, 17:50:16   #18
berndy
Super-Moderator
 
Benutzerbild von berndy
 
Registriert seit: 16.08.2006
Ort: Schifferstadt/Pfalz
Alter: 63
Beiträge: 10.720
Baujahr: 1995
Kilometer: 66666
Standard

Andy123 hat doch schon geschrieben, dass er die Zündinduktionsspulen direkt an den Anschlüssen gemessen hat und beide 295 Ohm hatten.

Die Verkabelung von den Anschlüssen zu den Steckern und zur Zündbox kann man ja auf Durchgang prüfen um einen Kabelbruch oder kaputten Stecker auszuschließen.
__________________

Man sollte es so oder so nicht übertreiben.
berndy ist offline   Mit Zitat antworten
Alt 16.06.2019, 08:11:55   #19
AmigaHarry
Erfahrener Benutzer
 
Benutzerbild von AmigaHarry
 
Registriert seit: 13.11.2005
Ort: Perchtoldsdorf
Alter: 64
Beiträge: 5.313
Kilometer: 1.1mio
Standard

Ja, schon - nur Durchgang wo durch? Nur die Kabel? Durch die Pickups? Wenn ja wieviel Ohm? Das geht für mich nicht klar hervor. Nach allem was er schreibt, drängt sich stark der Verdacht nach einem defekten Pickup auf.

Den Bereich für die Zündspulen habe ich nur Vollständigkeitshalber, korrespondierend zum Schaltplan mitangegeben.
AmigaHarry ist offline   Mit Zitat antworten
Alt 16.06.2019, 09:06:09   #20
berndy
Super-Moderator
 
Benutzerbild von berndy
 
Registriert seit: 16.08.2006
Ort: Schifferstadt/Pfalz
Alter: 63
Beiträge: 10.720
Baujahr: 1995
Kilometer: 66666
Standard

Das war ja auch meine Vermutung.

Mit der von mir vorgeschlagenen Durchgangsprüfung der Kabel soll ja nur eine Kabelunterbrechung/Kabelbruch/schlechte Verbindung ausgeschlossen werden.

Eine gute Induktionsspule nutzt ja nichts, wenn das Signal nicht weitergeleitet wird.
__________________

Man sollte es so oder so nicht übertreiben.
berndy ist offline   Mit Zitat antworten
Alt 26.06.2019, 17:31:00   #21
Andy123
Neuer Benutzer
 
Registriert seit: 12.05.2019
Beiträge: 19
Standard

Hallo
Bei 38 Grad nehme ich keinen Schraubenzieher in die Hand ...

Gruß Karl
Andy123 ist offline   Mit Zitat antworten
Alt 27.06.2019, 05:42:22   #22
Thom
Gast
 
Beiträge: n/a
Standard

Zitat:
Zitat von Andy123 Beitrag anzeigen
Hallo
Bei 38 Grad nehme ich keinen Schraubenzieher in die Hand ...

Gruß Karl
Du willst ja fahren. Wir haben funktionierende Motorräder...
  Mit Zitat antworten
Alt 21.07.2019, 13:03:39   #23
Andy123
Neuer Benutzer
 
Registriert seit: 12.05.2019
Beiträge: 19
Standard

Hallo
Ich hatte ja schon angekündigt, "ich bin dann mal weg"...
gearbeitet hab ich nicht viel, CDI erneuert, jetzt rechts wieder ein Funke !
Ich hatte mich schon gefreut, aber denkste, der alte Fehler ist noch da.
Ohne Shoke springt der Motor nicht an u. beim Gas geben geht er aus.
Das rechte Auspuffrohr wird nicht heiß, wenn ich den rechten Kerzenstecker
abziehe, ist da keine Reaktsion, beim linken geht sie aus !!
Um Falschluft aus zu schließen hab ich die Ansaugstutzen noch ern.
Gruß Karl
Andy123 ist offline   Mit Zitat antworten
Antwort

Lesezeichen


Forumregeln
Es ist dir nicht erlaubt, neue Themen zu verfassen.
Es ist dir nicht erlaubt, auf Beiträge zu antworten.
Es ist dir nicht erlaubt, Anhänge hochzuladen.
Es ist dir nicht erlaubt, deine Beiträge zu bearbeiten.

BB-Code ist an.
Smileys sind an.
[IMG] Code ist aus.
HTML-Code ist aus.

Gehe zu

Ähnliche Themen
Thema Autor Forum Antworten Letzter Beitrag
Schaltplan Teufelchen88 Elektrik, Elektronik und Beleuchtung 5 21.08.2015 17:07:21
Schaltplan discohuehner Elektrik, Elektronik und Beleuchtung 4 07.07.2011 16:23:39
Schaltplan Mariosuzi2 Elektrik, Elektronik und Beleuchtung 2 12.04.2011 23:00:58
Schaltplan GS BJ 99 ! xantia01 Elektrik, Elektronik und Beleuchtung 10 05.04.2008 21:21:41
SCHALTPLAN!!!!!!!!!!!!!! Elektrik, Elektronik und Beleuchtung 3 22.06.2002 18:08:38


Alle Zeitangaben in WEZ +1. Es ist jetzt 12:15:10 Uhr.


Powered by vBulletin® Version 3.8.9 (Deutsch)
Copyright ©2000 - 2026, vBulletin Solutions, Inc.