gs-500.de  

Zurück   gs-500.de > GS500(E/F) > Elektrik, Elektronik und Beleuchtung

Hinweise

Antwort
 
Themen-Optionen
Alt 05.04.2024, 13:09:43   #1
GS500_Dude
Benutzer
 
Registriert seit: 01.02.2023
Beiträge: 76
Standard Kein Zündfunkte

Hallo,

Ich habe ein Problem mit dem Zündfunken.

Diagnostisches Vorgehen:

Ich habe die CDI gewechselt, doch das Problem besteht immer noch. Der Impulsgeber schickt ein Signal. Bei der CDI hat man ein Kabel mit drei Anschlüssen. Soweit ich weiß, ist da der Impulsgeber dran. Gemessen mit einem Multimeter erhält man dort immer Signale, wenn der Anlasser die Kurbelwelle dreht.

Also schließe ich den Impulsgeber und die CDI aus.

An der Zündspule selber hängen zwei Kabel vom Elektrikbaum. Die habe ich gemessen. Wenn ich das Multimeter auf Volt stelle, kommt da immer ein Signal an, sobald die Kurbelwelle durch den Anlasser dreht.

Wenn ich aber auf Ohm umstelle, dann erhalte ich keinen Nennenswerten Widerstand (siehe Bild).

Allerdings frage ich mich, wie wahrscheinlich es ist, dass beide Zündspulen gleichzeitig kaputt gehen.

Würdet ihr mir anhand von den Bildern zustimmen, dass die Zündspule kaputt ist ?
Miniaturansicht angehängter Grafiken
Klicke auf die Grafik für eine größere Ansicht

Name:	20240405_135745.jpg
Hits:	1228
Größe:	112,8 KB
ID:	32020   Klicke auf die Grafik für eine größere Ansicht

Name:	20240405_135758.jpg
Hits:	1234
Größe:	101,5 KB
ID:	32021  
GS500_Dude ist offline   Mit Zitat antworten
Alt 05.04.2024, 17:32:16   #2
seife
Erfahrener Benutzer
 
Registriert seit: 28.06.2014
Ort: 02625
Alter: 54
Beiträge: 826
Baujahr: 1994
Kilometer: 46664
Standard

Nein. Die Zündspule ist gleichstrommäßig auf der Primärseite fast ein Kurzschluss (wenige Ohm).
Da du (warum auch immer?) im 2kOhm Meßbereich misst, misst dein Messgerät da "irgendwas zwischen Null und 10 Ohm" (anzeige: 4, aber die Genauigkeit wird mindestens +-5 digits sein), das sagt nicht, daß die Zündspule kaputt ist.

Und wieder mal bestätigt sich das alte Sprichwort: "wer misst, misst Mist"
seife ist offline   Mit Zitat antworten
Alt 05.04.2024, 17:43:01   #3
GS500_Dude
Benutzer
 
Registriert seit: 01.02.2023
Beiträge: 76
Standard

Wenn ich das Multimeter auf die kleinste verfügbare Ohm-Stufe (also die 200) stelle, dann höre ich da immer so ein Piep-Geräusch und mir wird ein Wert von 4,7 angezeigt.

Morgen mache ich die Sekundärspule. Nur müsste das Problem ja an den Zündspulen liegen, denn die bekommen einen Input, liefern aber keinen Zündfunken ab. Gibt es denn noch andere Fehlerquellen ?
GS500_Dude ist offline   Mit Zitat antworten
Alt 05.04.2024, 19:42:23   #4
berndy
Super-Moderator
 
Benutzerbild von berndy
 
Registriert seit: 16.08.2006
Ort: Schifferstadt/Pfalz
Alter: 63
Beiträge: 10.720
Baujahr: 1995
Kilometer: 66666
Standard

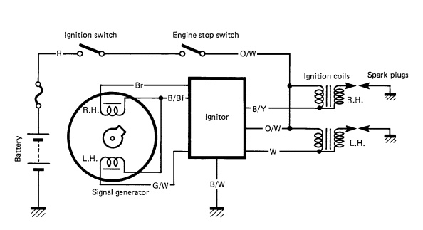
Jo, sollte man mal in der Anleitung des Messgerätes nachlesen. Ich kann mir denken, dass das Piepen anzeigt, dass Durchgang besteht, also nur wenige Ohm Widerstand vorhanden sind. Die Primärwicklung hat 3 - 6 Ohm. Würde also passen. Beide Wicklungen, also Primär- und Sekundär-, haben den +Anschluss (orange/weiß) gemeinsam. Die Sekundärwicklung misst du über den Steckkontakt auf den des orange/weiße Kabel gesteckt ist und über den Kerzenstecker. Sollten 18 - 30 Kilo-Ohm sein.

Weitere Fehlerquellen können sein: Zündkabel, Kerzenstecker, Kerzen.

Wenn ich mich recht erinnere (kann mich aber auch irren), sind die Kerzenstecker dafür vorgesehen, dass diese Zündkerzenmuttern (https://www.google.com/search?q=z%C3...t=gws-wiz-serp) verwendet werden. Fehlen die, hat die Kerze keinen richtigen Kontakt im Kerzenstecker. Seit einiger Zeit werden die Kerzen nur noch ohne die Muttern verkauft, die muss man nun extra kaufen, wenn man welche braucht.

Die Zündkabel kann man tauschen. Normalerweise haben die Zündspulen wie auch die Kerzenstecker Gewindedorne, auf die man die Seele der Zündkabel aufschrauben kann. Manchmal gammelt die Kupferseele einfach weg. Deswegen, wenn du die Sekundärwicklung misst und keinen Wert erhälst,. versuch es ohne Zündkabel. Danach Zündkabel und Stecker getrennt auf Durchgang prüfen.
__________________

Man sollte es so oder so nicht übertreiben.
berndy ist offline   Mit Zitat antworten
Alt 05.04.2024, 19:54:57   #5
AmigaHarry
Erfahrener Benutzer
 
Benutzerbild von AmigaHarry
 
Registriert seit: 13.11.2005
Ort: Perchtoldsdorf
Alter: 64
Beiträge: 5.311
Kilometer: 1.1mio
Standard

Die Zündspulen müssen auf der Primärseite 3-6 Ohm haben und 18-30 kOhm auf der Sekundärseite haben.
Es darf nirgends einen Durchgang auf Masse geben.

Andere Fehler: Wenn kein sauberer Puls vom Pickup kommt, kann es sein das der Puls zur Spule ebenfalls nicht passt (zu kleine Ampltude). Das betrifft aber nur die neuen mikroprozessorgesteuerten Zündungen seit der K4 und teilweise schon ab der K3.
K.A.was du für ein BJ hast.....

Sonst kann beim alten System nicht wirklich was sein, wenn du einen Puls in ausreichender Stärke misst.
Beim neuen System gibts leider einiges was problematisch sein kann. Welches hast du also?

Das es aber beide Spulen betrifft ist trotzdem ziemlich "ungewöhnlich". Warum hast du die CDI gewechselt (Idente Type/BJ?)

Bild 1: Altes System, Bild 2: Neues System
Miniaturansicht angehängter Grafiken
Klicke auf die Grafik für eine größere Ansicht

Name:	Ignit_old.jpg
Hits:	1206
Größe:	37,9 KB
ID:	32024   Klicke auf die Grafik für eine größere Ansicht

Name:	ignit_new.jpg
Hits:	1200
Größe:	69,4 KB
ID:	32025  

Geändert von AmigaHarry (05.04.2024 um 22:02:35 Uhr)
AmigaHarry ist offline   Mit Zitat antworten
Alt 05.04.2024, 20:11:25   #6
berndy
Super-Moderator
 
Benutzerbild von berndy
 
Registriert seit: 16.08.2006
Ort: Schifferstadt/Pfalz
Alter: 63
Beiträge: 10.720
Baujahr: 1995
Kilometer: 66666
Standard

Harry, auf der Sekundärwicklung sind es Kilo-Ohm.
__________________

Man sollte es so oder so nicht übertreiben.
berndy ist offline   Mit Zitat antworten
Alt 05.04.2024, 22:02:54   #7
AmigaHarry
Erfahrener Benutzer
 
Benutzerbild von AmigaHarry
 
Registriert seit: 13.11.2005
Ort: Perchtoldsdorf
Alter: 64
Beiträge: 5.311
Kilometer: 1.1mio
Standard

Ja, zu schnell geschrieben - habs ausgebessert - Danke!
AmigaHarry ist offline   Mit Zitat antworten
Alt 06.04.2024, 09:07:39   #8
GS500_Dude
Benutzer
 
Registriert seit: 01.02.2023
Beiträge: 76
Standard

Ich habe das Baujahr 2001. Die CDI habe ich gewechselt, weil ich mir nicht vorstellen konnte, dass beide Zündspulen gleichzeitig kaputt gehen können. Der Impulsgeber liefert ja ein Signal ab, was man mit einem Multimeter bei laufender Kurbelwelle im Anlassvorgang auch sehen kann. Also bin ich davon ausgegangen, dass es an der CDI liegt.
GS500_Dude ist offline   Mit Zitat antworten
Alt 06.04.2024, 11:33:34   #9
AmigaHarry
Erfahrener Benutzer
 
Benutzerbild von AmigaHarry
 
Registriert seit: 13.11.2005
Ort: Perchtoldsdorf
Alter: 64
Beiträge: 5.311
Kilometer: 1.1mio
Standard

Deine sollte demnach noch das alte System mit 2 Pickups haben - d.h. pro KW-Umdrehung 2 Pulse. Ob beide Pulse da sind kannst du aber nur mit Oszilloskop oder ggf. mit Frequenzzähler sehen.
Aber vorerst egal - kann nicht viel sein. Wenn du dann auch noch Signale von der CDI zur Zündspule messen kannst und die Spulen auch OK sind, muss es funken. Es sei denn das Kabel/Kerzenschuh oder Kerze kaputt sind. Miss überall den Durchgang.

Ist die alte CDI wirklich kaputt? Hast du das gemessen?
AmigaHarry ist offline   Mit Zitat antworten
Alt 06.04.2024, 11:54:39   #10
GS500_Dude
Benutzer
 
Registriert seit: 01.02.2023
Beiträge: 76
Standard

Ich habe versucht, das zu messen. Da ich aber Anfänger bin, dürften die Ergebnisse nichts wert sein. Ich habe ja schon eine zweite CDI versucht, aber das Problem besteht immer noch.

Dann habe ich auch eine komplett neue Zündkerze verwendet, aber ohne Zündfunken.

Im Anhang ist der Versuch einer Messung der Sekundärspule. Egal, welche Ohm-Einstellung ich verwende, das Ergebnis ist immer 0. Auch wenn ich die Kontakte der inneren Spule verwende, habe ich immer noch keinen Widerstand (sollte logisch sein, aber ich habe es probiert).
Miniaturansicht angehängter Grafiken
Klicke auf die Grafik für eine größere Ansicht

Name:	Sekundärspule.jpg
Hits:	1185
Größe:	112,8 KB
ID:	32027  
GS500_Dude ist offline   Mit Zitat antworten
Alt 06.04.2024, 12:02:48   #11
GS500_Dude
Benutzer
 
Registriert seit: 01.02.2023
Beiträge: 76
Standard

P.S.: Was ist das am Impulsgeber eigentlich für ein Ding hier ? Eine Art Kondensator ?

Es könnte sein, dass ich die GS einmal anlassen wollte, ohne dass dieses Kabel dran war. Kann das dafür sorgen, dass die Zündspulen durchbrennen ?

(Das Bild ist 90 Grad gedreht)
Miniaturansicht angehängter Grafiken
Klicke auf die Grafik für eine größere Ansicht

Name:	20240406_125910[1].jpg
Hits:	1211
Größe:	105,0 KB
ID:	32028  
GS500_Dude ist offline   Mit Zitat antworten
Alt 06.04.2024, 18:49:19   #12
AmigaHarry
Erfahrener Benutzer
 
Benutzerbild von AmigaHarry
 
Registriert seit: 13.11.2005
Ort: Perchtoldsdorf
Alter: 64
Beiträge: 5.311
Kilometer: 1.1mio
Standard

Das ist der Ölduckschalter.

Bitte halte dich beim Messen (Signalgeber) genau nach den Kabelfarben im Bild.

Zündspule:
Ich habe keine Spule hier liegen und kann dir daher nicht sagen, ob du am Bild überhaupt auf Masse bist. Allerdings müssten die Kontakte mit + und - bezeichnet sein.
Wenn du dir nicht sicher bist, vielleicht kann dir wer helfen.

Solltest du tatsächlich keinen Widerstand messen ist der Spulendraht kurzgeschlossen - dann kommt natürlich nichts raus. (Aber selbst dann sollte ein geringer Widerstand (Milliohm) da sein...)
Miniaturansicht angehängter Grafiken
Klicke auf die Grafik für eine größere Ansicht

Name:	Ignit_Signal_check.jpg
Hits:	1234
Größe:	56,8 KB
ID:	32029  
AmigaHarry ist offline   Mit Zitat antworten
Alt 06.04.2024, 20:11:44   #13
berndy
Super-Moderator
 
Benutzerbild von berndy
 
Registriert seit: 16.08.2006
Ort: Schifferstadt/Pfalz
Alter: 63
Beiträge: 10.720
Baujahr: 1995
Kilometer: 66666
Standard

Bei diesem Messaufbau bin ich mir nicht sicher, ob da überhaupt ein richtiger Kontakt an den Messspitzen vorhanden ist.

Sind die Kontaktstellen sauber? Mal mit feinem Schleifpapier abgezogen?
__________________

Man sollte es so oder so nicht übertreiben.
berndy ist offline   Mit Zitat antworten
Alt 06.04.2024, 20:17:23   #14
berndy
Super-Moderator
 
Benutzerbild von berndy
 
Registriert seit: 16.08.2006
Ort: Schifferstadt/Pfalz
Alter: 63
Beiträge: 10.720
Baujahr: 1995
Kilometer: 66666
Standard

An diesem Anschraubpunkt kannst du auch nichts messen. Da wird die Zündspule festgeschraubt. Du hast zwei Kontaktfahnen. Daran misst du die Primärwicklung. Eine davon ist der Plus-Kontakt zwischen diesem und dem Anschluss für das Zündkabel misst du die Sekundärwicklung.

Einfach die beiden Kontaktfahnen ausprobieren. Kann nichts passieren, wenn du den falschen erwischst, dann zeigt dein Messgerät halt nichts an.

Ja, Anfänger, merkt man.
__________________

Man sollte es so oder so nicht übertreiben.
berndy ist offline   Mit Zitat antworten
Alt 06.04.2024, 22:09:15   #15
AmigaHarry
Erfahrener Benutzer
 
Benutzerbild von AmigaHarry
 
Registriert seit: 13.11.2005
Ort: Perchtoldsdorf
Alter: 64
Beiträge: 5.311
Kilometer: 1.1mio
Standard

Zitat:
Zitat von berndy Beitrag anzeigen
An diesem Anschraubpunkt kannst du auch nichts messen. .....
Ha! du hast die besseren Augen!
AmigaHarry ist offline   Mit Zitat antworten
Alt 07.04.2024, 07:00:43   #16
berndy
Super-Moderator
 
Benutzerbild von berndy
 
Registriert seit: 16.08.2006
Ort: Schifferstadt/Pfalz
Alter: 63
Beiträge: 10.720
Baujahr: 1995
Kilometer: 66666
Standard

Musste auch mehrmals gucken. Irgendwann bin ich drauf gekommen: 3 Anschlüsse? Die Zündspule hat doch nur zwei, ach das ist der 2. Anschraubpunkt ...
__________________

Man sollte es so oder so nicht übertreiben.
berndy ist offline   Mit Zitat antworten
Alt 07.04.2024, 10:27:46   #17
GS500_Dude
Benutzer
 
Registriert seit: 01.02.2023
Beiträge: 76
Standard

Ich beziehe mich auf den Beitrag des Nutzers "berndy", der Folgendes in einem anderen Thread geschrieben hat:

"Die Primärwicklung soll 3 - 6 Ohm und die Sekundärwicklung 18 - 30 Kilo-Ohm haben."

Quelle: https://forum.gs-500.de/showthread.php?t=15254

Ich habe nun - warum auch immer - an der Sekundärwicklung ca. 16 KOhm gemessen (siehe Anhang). Da meine Werte aus dem Normbereich herausfallen, frage ich mich, ob das Problem mit dem Zündfunken nicht doch an der Spule liegen könnte.
Miniaturansicht angehängter Grafiken
Klicke auf die Grafik für eine größere Ansicht

Name:	20240407_112245[1].jpg
Hits:	1216
Größe:	110,8 KB
ID:	32038   Klicke auf die Grafik für eine größere Ansicht

Name:	20240407_112323[1].jpg
Hits:	1178
Größe:	112,7 KB
ID:	32039  
GS500_Dude ist offline   Mit Zitat antworten
Alt 07.04.2024, 15:23:13   #18
berndy
Super-Moderator
 
Benutzerbild von berndy
 
Registriert seit: 16.08.2006
Ort: Schifferstadt/Pfalz
Alter: 63
Beiträge: 10.720
Baujahr: 1995
Kilometer: 66666
Standard

Wie genau ist denn dein Messgerät? Welche Toleranz hat es?

Wie ist denn der Wert an der zweiten Zündspule? Wenn die genau den selben Wert hat, liegt es vll. am Messgerät.

Hast du die Zündkabel und die Kerzenstecker auch mal auf Durchgang bzw. Widerstand geprüft? Und die Messung der Sekundärspule auch mal mit installiertem Zündkabel und Kerzenstecker gemacht. Vll. ergibt das ja 18 kΩ.

Edit: Ich habe mal im Netz geguckt, das Ferrex Messgerät ist eines der billigen, könnte sein, dass es nicht so ganz genau misst.
__________________

Man sollte es so oder so nicht übertreiben.

Geändert von berndy (07.04.2024 um 15:48:23 Uhr)
berndy ist offline   Mit Zitat antworten
Alt 07.04.2024, 16:08:38   #19
berndy
Super-Moderator
 
Benutzerbild von berndy
 
Registriert seit: 16.08.2006
Ort: Schifferstadt/Pfalz
Alter: 63
Beiträge: 10.720
Baujahr: 1995
Kilometer: 66666
Standard

Zitat:
Zitat von GS500_Dude Beitrag anzeigen
Ich beziehe mich auf den Beitrag des Nutzers "berndy", der Folgendes in einem anderen Thread geschrieben hat:

"Die Primärwicklung soll 3 - 6 Ohm und die Sekundärwicklung 18 - 30 Kilo-Ohm haben."

Quelle: https://forum.gs-500.de/showthread.php?t=15254

Ich habe nun - warum auch immer - an der Sekundärwicklung ca. 16 KOhm gemessen (siehe Anhang). Da meine Werte aus dem Normbereich herausfallen, frage ich mich, ob das Problem mit dem Zündfunken nicht doch an der Spule liegen könnte.

Ach schau mal einer an, damals habe ich dasselbe geschrieben wie jetzt. Werden die Werte wohl damals schon so im Werkstatthandbuch gestanden haben. Übrigens haben AmigaHarry und ich das in diesem Thread auch schon 2mal geschrieben. Dazu kommt noch die relativ ausführliche Anleitung zum Messen der Sekundärspule von AmigaHarry und mir #04 und #05 in diesem Thread. Was mich doch etwas nachdenklich werden lässt: Liest GS500_Dude eigentlich aufmerksam was wir schreiben?
__________________

Man sollte es so oder so nicht übertreiben.
berndy ist offline   Mit Zitat antworten
Alt 08.04.2024, 10:25:52   #20
GS500_Dude
Benutzer
 
Registriert seit: 01.02.2023
Beiträge: 76
Standard

Danke für die Beiträge.

Ich habe jetzt versucht, die Sekundärspule mit dem Multimeter zu messen. Ergebnis:

Es schlägt kurz aus, aber nach einer Sekunde steht wieder 0 drauf. Wenn ich nun das Multimeter so einstelle, dass es piept, wenn beide Elektroden einen Kontakt haben und ich die Elektroden an das Zündkabel an sich halte, kommt keine Reaktion zustande - es wird weiterhin 0 angezeigt.

Kann es sein, dass das Kabel ausgetauscht werden muss ?

Ich habe gelesen, dass man die Sekundärwicklung ohne Zündkabel misst. Deswegen habe ich eventuell ein paar Beiträge nicht ernst genug genommen. Da der Widerstand ohne Zündkabel bei 16 KOhm liegt, dürfte das bedeuten, dass die Sekundärwicklung nicht mehr stark genug ist, richtig ?

Geändert von GS500_Dude (08.04.2024 um 10:42:25 Uhr)
GS500_Dude ist offline   Mit Zitat antworten
Alt 08.04.2024, 11:38:22   #21
AmigaHarry
Erfahrener Benutzer
 
Benutzerbild von AmigaHarry
 
Registriert seit: 13.11.2005
Ort: Perchtoldsdorf
Alter: 64
Beiträge: 5.311
Kilometer: 1.1mio
Standard

WO hast du jetzt genau gemessen? Masse auf Zündkerzenkabel?
Wenn dein Messgerät da kurz ausschlägt und dann nichts mehr misst, hat dein Messgerät ein Problem - eine Spule ist ja kein Kondensator. Mit der Diodenmeßstellung kannst du gar nichts messen - die zeigt nur was an (piept), wenn es widerstandsfreien (fast) Durchgang gibt - ist also hier in KOhm vollkommen fehl am Platz.

Ist möglicherweise die Batterie deines Messgerätes am Ende?

Bisher ist aus all deinen Messungen keine Aussage möglich.
Ich würde vorschlagen das du jemanden, der Messerfahrung hat, zu Rate ziehst.
AmigaHarry ist offline   Mit Zitat antworten
Alt 08.04.2024, 11:58:05   #22
berndy
Super-Moderator
 
Benutzerbild von berndy
 
Registriert seit: 16.08.2006
Ort: Schifferstadt/Pfalz
Alter: 63
Beiträge: 10.720
Baujahr: 1995
Kilometer: 66666
Standard

@GS500_Dude Wenn du das Zündkabel lose, ohne Stecker und Zündspule hast, sollte es Durchgang oder einen geringen Widerstand haben. Guck mal die Kabelenden an, wenn die Kuperseele schwarz verfärbt ist, ist die Seele oxidiert und nicht mehr zu gebrauchen. Es kann auch vorkommen, dass die einzelnen Drähte der Kupferseele beim An-/Abschrauben abreißen. Dann brauchst du auch ein neues Kabel. Zündkabel gibts als Meterware im Auto-/Motorradzubehör. Nur der Außendurchmesser sollte passen.

Parallel solltest du mal nach deinem Messgerät gucken. Eventuell ist die Batterie, so wie AmigaHarry geschrieben hat, am Ende. Dann zeigen die Dinger auch nicht mehr genau an. Zur Widerstandsmessung schickt das Gerät einen geringen Strom durch das zu messende Bauteil. Schwache Batterie = schlechte Messung.
__________________

Man sollte es so oder so nicht übertreiben.
berndy ist offline   Mit Zitat antworten
Alt 09.04.2024, 15:56:52   #23
GS500_Dude
Benutzer
 
Registriert seit: 01.02.2023
Beiträge: 76
Standard

Ich kann mir gut vorstellen, dass das Multimeter mittlerweile defekt ist. Die 7 Segmentanzeige zeigt manchmal bestimmte Segmente nicht mehr an.

Gemessen habe ich zuerst nur an den Kontakten der Zündspule an sich. Dann habe ich auch das Kabel mit und ohne Zündkerze gemessen. Im Kabel scheint ein Wackelkontakt zu sein. Wenn man die Zündkerzen oft an und absteckt, wie ich, dann dürften die 20 Jahre alten Stecker durch sein.

Übrigens war einer der Zündkontakte im Impulsgeber marode. Ich habe daher den ganzen Impulsgeber mit Epoxitharz verstärkt. War das eine schlechte Idee (siehe Bild) ?
Miniaturansicht angehängter Grafiken
Klicke auf die Grafik für eine größere Ansicht

Name:	20240409_165041[1].jpg
Hits:	1240
Größe:	110,8 KB
ID:	32041  

Geändert von GS500_Dude (09.04.2024 um 16:23:36 Uhr)
GS500_Dude ist offline   Mit Zitat antworten
Alt 09.04.2024, 16:38:08   #24
berndy
Super-Moderator
 
Benutzerbild von berndy
 
Registriert seit: 16.08.2006
Ort: Schifferstadt/Pfalz
Alter: 63
Beiträge: 10.720
Baujahr: 1995
Kilometer: 66666
Standard

Also beim besten Willen, so vergammelt wie das aussieht, wundert es mich nicht, dass da nix funkt. Das wird so nichts. Vorher hätte man eine defekte Induktionsspule auslöten und ersetzen können. Jetzt nicht mehr.

Versuch mal die Zündgeberplatte als gebrauchtes Ersatzteil zu bekommen. Ersetze die Zündkabel und Kerzenstecker und probiert das dann nochmal.

Und bevor du etwas selbst bastelst, vorher fragen, begleitet von aussagekräftigen Bildern und einer genauen Beschreibung, was du vorhast.
__________________

Man sollte es so oder so nicht übertreiben.
berndy ist offline   Mit Zitat antworten
Alt 09.04.2024, 18:04:15   #25
Jim Knopf
Erfahrener Benutzer
 
Benutzerbild von Jim Knopf
 
Registriert seit: 06.12.2010
Ort: 74635 Kupferzell
Alter: 58
Beiträge: 7.387
Baujahr: 1989
Kilometer: 33333
Standard

Hab ich da
Miniaturansicht angehängter Grafiken
Klicke auf die Grafik für eine größere Ansicht

Name:	20240409_190304.jpg
Hits:	1208
Größe:	107,4 KB
ID:	32042  
__________________
Duracell ist Scheiße
Jim Knopf ist offline   Mit Zitat antworten
Alt 09.04.2024, 21:24:25   #26
AmigaHarry
Erfahrener Benutzer
 
Benutzerbild von AmigaHarry
 
Registriert seit: 13.11.2005
Ort: Perchtoldsdorf
Alter: 64
Beiträge: 5.311
Kilometer: 1.1mio
Standard

Zitat:
Zitat von GS500_Dude Beitrag anzeigen
......

Übrigens war einer der Zündkontakte im Impulsgeber marode. Ich habe daher den ganzen Impulsgeber mit Epoxitharz verstärkt. War das eine schlechte Idee (siehe Bild) ?
DAS Ding hat's definitiv hinter sich...... da wundert mich nichts mehr. Da passt ja nicht einmal mehr der Spalt zum Rotor.
Unbedingt neu geben (berndy hats schon gesagt).
AmigaHarry ist offline   Mit Zitat antworten
Alt 10.04.2024, 08:46:55   #27
GS500_Dude
Benutzer
 
Registriert seit: 01.02.2023
Beiträge: 76
Standard

JimKnopf: Wie viel verlangst du denn dafür ?

Ich habe eingesehen, dass die alte nichts mehr bringt. Mein Epoxitharz hält scheinbar nur Temperaturen bis 90 Grad aus, das Öl scheint aber manchmal darüber hinaus zu kommen.

Wenn wir gerade dabei sind, würde ich auch gerne die Zündspulen noch mal machen. Meine haben ja zu wenige Ohm. Kann man die denn auch ohne Impulsgeber / CDI auslösen ? So könnte ich mich darum schon einmal kümmern, bis ich eine passende Zündplatte aufgetrieben habe. Für mich geht die Saison im Mai los, daher habe ich keine Zeit mehr zu verlieren.

Im Übrigen scheint es sehr schwer zu sein, passende Zündspulen aufzutreiben. Die Seiten für Ersatzteile haben kaum welche anzubieten. Würde es so eine universal-Zündspule, wie die hier auch tun ?

https://www.ebay.de/itm/363465880714...SABEgJuU_D_BwE
GS500_Dude ist offline   Mit Zitat antworten
Alt 10.04.2024, 09:46:48   #28
Jim Knopf
Erfahrener Benutzer
 
Benutzerbild von Jim Knopf
 
Registriert seit: 06.12.2010
Ort: 74635 Kupferzell
Alter: 58
Beiträge: 7.387
Baujahr: 1989
Kilometer: 33333
Standard

Zitat:
Zitat von GS500_Dude Beitrag anzeigen
JimKnopf: Wie viel verlangst du denn dafür ?
Hast ne PN
__________________
Duracell ist Scheiße

Geändert von Jim Knopf (10.04.2024 um 15:42:50 Uhr)
Jim Knopf ist offline   Mit Zitat antworten
Alt 10.04.2024, 14:44:58   #29
berndy
Super-Moderator
 
Benutzerbild von berndy
 
Registriert seit: 16.08.2006
Ort: Schifferstadt/Pfalz
Alter: 63
Beiträge: 10.720
Baujahr: 1995
Kilometer: 66666
Standard

Zitat:
Zitat von GS500_Dude Beitrag anzeigen
JimKnopf: Wie viel verlangst du denn dafür ?

Ich habe eingesehen, dass die alte nichts mehr bringt. Mein Epoxitharz hält scheinbar nur Temperaturen bis 90 Grad aus, das Öl scheint aber manchmal darüber hinaus zu kommen.

Wenn wir gerade dabei sind, würde ich auch gerne die Zündspulen noch mal machen. Meine haben ja zu wenige Ohm. Kann man die denn auch ohne Impulsgeber / CDI auslösen ? So könnte ich mich darum schon einmal kümmern, bis ich eine passende Zündplatte aufgetrieben habe. Für mich geht die Saison im Mai los, daher habe ich keine Zeit mehr zu verlieren.

Im Übrigen scheint es sehr schwer zu sein, passende Zündspulen aufzutreiben. Die Seiten für Ersatzteile haben kaum welche anzubieten. Würde es so eine universal-Zündspule, wie die hier auch tun ?

https://www.ebay.de/itm/363465880714...SABEgJuU_D_BwE
Ja, kann man. Primärspule Masse-anschluss an -Pol der Batterie klemmen. Zündkerze in Zündkerzensrecker stecken (Voraussetzung, dass Zündkabel und Kerzenstecker in Ordnung sind, Zündkerzengewinde an Masse (-Pol der Batterie) anschließen, danach die Plus-Leitung der Zündspule auf Plus der Batterie halten und abziehen. Dabei auf die Zündkerze achten, es sollte an den Elektroden ein Funke überspringen. Das o.g. ist genau das, was eine Unterbrecherzündung oder die CDI macht. Spannung in der Primärwicklung schlagartig ausschalten dabei wird eine Hochspannung in der Sekundärwicklung induziert.
__________________

Man sollte es so oder so nicht übertreiben.
berndy ist offline   Mit Zitat antworten
Alt 10.04.2024, 14:52:57   #30
AmigaHarry
Erfahrener Benutzer
 
Benutzerbild von AmigaHarry
 
Registriert seit: 13.11.2005
Ort: Perchtoldsdorf
Alter: 64
Beiträge: 5.311
Kilometer: 1.1mio
Standard

Zitat:
Zitat von GS500_Dude Beitrag anzeigen
JimKnopf: Wie viel verlangst du denn dafür ?

I....
Im Übrigen scheint es sehr schwer zu sein, passende Zündspulen aufzutreiben. Die Seiten für Ersatzteile haben kaum welche anzubieten. Würde es so eine universal-Zündspule, wie die hier auch tun ?
Mit dem Messgerät werden die Ohmwerte verfälscht sein - lass das noch jemanden anderen messen! Ich denke, das die warscheinlich OK sind.

Du kannst jede Spule nehmen, die diese Ohm-Werte aufweist. Bei der Spule, die du verlinkt hast, stehen die kompatiblen Suzuki-Ersatzteilnummern (unten).

Hier kannst du vergleichen, ob die zur GS500 passt. (33410-01D00), wobei die ersten 5 Ziffern schlagend sind - die hinteren berschreiben die Bauform. Elektrisch sollte sie also passen.
AmigaHarry ist offline   Mit Zitat antworten
Alt 15.04.2024, 12:57:01   #31
GS500_Dude
Benutzer
 
Registriert seit: 01.02.2023
Beiträge: 76
Standard

Es sind mit dem Multimeter folgende Ergebnisse zustande gekommen. Ich habe alles gemessen ohne Lichtmaschine oder Gleichrichter wegen dem Beitrag von dem Nuter "AmigaHarry":


"Bitte genau lesen und nachdenken: Natürlich läuft die GS auch rein von der Batterie. Aber der Gleichrichter/Regler hat durchaus einen essentiellen Einfluss auf die CDI - nämlich dann, wenn er die Oberschwingungen der LiMa durchlässt. Darauf reagiert Elektronik, die auf reinen Gleichstrom ausgerichtet ist, nun einmal ungut. Zum Test könnte er jetzt den Gleichrichter samt Lima vom Bordnetz trennen um dessen Einfluss komplett auszuschließen. Wenn die CDI dann funkt, hat er den Übeltäter gefunden. Wenn nicht könnte der defekte Gleichrichter auch die CDI gehimmelt haben - was zwar sehr selten vorkommt, aber es kommt halt vor.....
@Schniesen: Wenn du das testest wird sie vermutlich, wenn überhaupt nur mit einer zusätzlichen starken Batterie (Auto) anspringen. Aber im Grunde brauchst du nur testen ob ein Funke da ist. "


https://forum.gs-500.de/showthread.php?t=36749


Werte:

Batterie : ca. 12,3 Volt

Zündspule: Das Orange Y-Kabel hat zum Plus - Pol der Batterie eine Spannung von 11,3 Volt

Batterie Plus Pol mit Kühlrippen vom Zylinder: 12,3 Volt

Demenstsprechend dürfte die Sekundärspule ja auch einen geschlossenen Stromkreis haben.

CDI: Das Orange-Weiße Kabel ist mit dem Plus-Pol der Zündspule verbunden und die anderen mit dem Minus-Pol.

Versuch I: Zündung AN:

Hier ist die schwarze Multimeter-Elektrode stets mit dem - Pol der Batterie verbunden.

Wenn man die rote Elektrode auf das Orange-Weiße Kabel oder das Weiße oder das Schwarz-Gelbe gibt, dann erhält man wieder 11,3 Volt. Bei dem Schwarz-Weißen Kabel kommt gar kein Strom zustande.

Versuch II: Zündung AUS:

Hier ist die schwarze Multimeter-Elektrode stets mit dem + Pol der Batterie verbunden.

Wenn man die rote Elektrode auf das Orange-Weiße Kabel oder das Weiße oder das Schwarz-Gelbe gibt, dann erhält man wieder 11,3 Volt. Bei dem Schwarz-Weißen Kabel gibt es 12,4 Volt.

Ich frage micht gerade, ob diese Werte bei der CDI normal sind.

Geändert von GS500_Dude (15.04.2024 um 13:08:04 Uhr)
GS500_Dude ist offline   Mit Zitat antworten
Alt 15.04.2024, 13:21:50   #32
GS500_Dude
Benutzer
 
Registriert seit: 01.02.2023
Beiträge: 76
Standard

Ich habe eben die CDI komplett abgesteckt. Wenn man nun das Schwarz- Weisse Kabel mit der schwarzen Multimeter - Elektrode verbindet, dann hat die rote Elektrode zu allen anderen einen Kontakt und misst ca. 11,8 Volt. Ist das normal ?
GS500_Dude ist offline   Mit Zitat antworten
Alt 15.04.2024, 16:27:31   #33
berndy
Super-Moderator
 
Benutzerbild von berndy
 
Registriert seit: 16.08.2006
Ort: Schifferstadt/Pfalz
Alter: 63
Beiträge: 10.720
Baujahr: 1995
Kilometer: 66666
Standard

Schwarz/weiß ist Masse. Ja, sollte normal sein.

Du verzettelst dich.

Mach eins nach dem anderen. Immer zuerst eine Fehlerquelle ausschließen, dann sich der nächsten widmen.

Hast du jetzt eine andere Zündgeberplatte verbaut?

Haben die Zündkabel Durchgang?

Hast du mal versucht den Zündspulen einen Funken zu entlocken?

Lief denn der Motor bei dir überhaupt mal?
__________________

Man sollte es so oder so nicht übertreiben.
berndy ist offline   Mit Zitat antworten
Alt 15.04.2024, 18:15:14   #34
GS500_Dude
Benutzer
 
Registriert seit: 01.02.2023
Beiträge: 76
Standard

Ja, ich habe eine neue Zündgeberplatte verbaut.

Gerade eben habe ich an der linken Zündspule das weiße Kabel abgenommen und ein neues Kabel drangemacht, das ich direkt mit dem Minuspol der Batterie verbunden habe. Dabei ist dann ein gut sichtbarer Zündfunke entstanden, der auch noch hörbar war.

Ich glaube daher, dass an den Zündkerzen, den Zündkabeln und der Zündspule alles in Ordnung sein sollte.

Die Kabel von der Zündspule hin zur CDI habe ich auch getestet. Das orange Kabel ist ein Y-Kabel, wie auf dem Kabeldiagramm. Alle anderen haben auch Durchgang. Weiterhin habe ich die Stecker mit WD-40 eingesprüht.

Der Motor hat letztes Jahr funktioniert. Im Winter war ich damit beschäftigt, eine Inspektion durchzuführen. Ich habe dabei das Öl und die meisten Filter gewechselt. Seit dem kriege ich keinen Zündfunken mehr.

Ich habe ja die CDI im Verdacht, aber die scheint ja recht stabil zu sein. Die habe ich aber schon mal ausgetauscht, was aber auch nichts gebracht hat.

Hier dürfte irgendein blöder Anfängerfehler vorliegen, nur ich weiß nicht wo ...
GS500_Dude ist offline   Mit Zitat antworten
Alt 15.04.2024, 18:42:16   #35
berndy
Super-Moderator
 
Benutzerbild von berndy
 
Registriert seit: 16.08.2006
Ort: Schifferstadt/Pfalz
Alter: 63
Beiträge: 10.720
Baujahr: 1995
Kilometer: 66666
Standard

Bei der Gs gibts doch nur zwei Filter, Öl und Luft. Welche Filter willst du denn noch tauschen?

Jetzt müsste man genau wissen, was du bei deiner Inspektion gemacht hast. Hast du irgendwelche Kabel bei deiner Inspektion entfernt, abgezogen ...?
__________________

Man sollte es so oder so nicht übertreiben.
berndy ist offline   Mit Zitat antworten
Alt 15.04.2024, 19:10:59   #36
GS500_Dude
Benutzer
 
Registriert seit: 01.02.2023
Beiträge: 76
Standard

Meine GS 500 hat zusätzlich noch einen Standard-KFZ-Benzinfilter, weil ich festgestellt habe, dass das Netz im Tank nicht vorhanden war. Ich habe meine gebraucht gekauft. Das Kraftstoffsystem hat so aber ein paar Tausend Kilometer gut funktioniert.

Ich habe außerdem alles protokolliert:

# Inspektionen Protokoll

# 2023 sowie davor

Bis März '23:

- Tank entrostet
- Schläuche erneuert
- Schlauchklemmen angebracht
- Dichtmasse an Tankdeckel und an Benzinhahn 1 angebracht
- Benzinhahn 2 an der Verschraubung teilweise abgebrochen, konnte aber mit Muttern eingeklemmt und fixiert werden
- Kettenspray auf Kette
- Batterie mehrfach aufgeladen
- Benzinfilter installiert

Bis 25.05.2023:

- Sturzschäden behoben:
- Linke Heckverkleidung, Getriebe eingerastet, Kupplung auseinandergenommen und zusammengesetzt,
Lenker ersetzt, linker Spiegel ersetzt
-Folgeschäden:
- Durch zu hohes Drehmoment ist in der Kurbelwelle eine Schraube abgerissen, versuche diese zu kleben
- Durch zu hohes Drehmoment ist die rechteste Schraube bei dem Deckel von dem Kurbelwellengehäuse abgerissen. Diese muss noch herausgenommen
und ersetzt werden.

Danach:

- Zündimpulsgeber angeschweißt, muss noch überarbeitet werden
- Benzinhahn vorverlegt
- Vergaser synchronisiert
- Lenkererhöhung
- Ventilspiel kontrolliert

Bis 29.11.2023

- Zündimpulsgeber stabilisiert mit drei Elektroden, die hingeschweißt wurden

Bis 06.03.2024

- Hinterrad:
- Zur intensiven Reinigung komplett zerlegt und mit Petroleum gereinigt, sowie neu eingefettet
- Bremsscheibenschraube beschädigt, daher keine Schraubensicherung bei einer Schraube
- Zahnrad-Schraubenhalterung beschädigt, aber Schraube trotzdem festgezogen ⇒ Wie oft hält es die Halterung noch aus ?
- Offenes Kugellager durch geschlossenes ersetzt, da das Fett alt gewirkt hat
- Luftfilter und Ölfilter erneuert
- Bremsflüssigkeit erneuert und Keramikpaste aufgetragen; dabei Bremsen zerlegt und mit Petroleum und Bremsenreiniger gesäubert
- Zylinderkopfschraube ersetzt und Keramikpaste aufgetragen
- Bei Achse Schraubensicherung aufgetragen und nach Gefühl festgezogen
- Standard-Knochen verbaut, um das Heck in die normale Position zu bewegen
- Fett in der gesamten Schwinge erneuert, nachdem alle Achsen mit Petroleum gereinigt wurden
- Kette neu eingefettet, davor mit Petroleum gereinigt
- Öl abgelassen
- Zündkontakt zur Reparatur mit Epoxidharz entfernt
- Hilfstank aus Trinkflasche im Herstellungsprozess
- Zündimpulsgeber durch Schweißgerät verstärkt
- Als Konsequenz die Kupplung zerlegt und von Staub gereinigt

Bis 07.04.2024

- Pickup von Zündimpulsgeber mit Epoxitharz verstärkt
- CDI getauscht, da alte CDI aber doch in Ordnung war, wurde die alte wieder verwendet
- Bei Zündspulen hatte die Primärwicklung ca. 4 KOhm, die Sekundärwicklung ca. 16 KOhm

Bis 13.04.2024

# Kupplung

- Versuch, diese neu einzustellen
- Die Kupplung greift nun gut, aber das Hinterrad läuft auch bei losgelassenem Hebel mit
- Es gibt also noch zuviel Kontakt

# Zündsystem

- neue Zündplatte eingebaut; diese scheint harmonisch zu funktionieren (siehe Video):

[00096(1).mp4](https://prod-files-secure.s3.us-west...9/00096(1).mp4)

- neue Zündspule eingebaut
- Immer noch kein Funke
- Lichtmaschine geöffnet und optisch inspiziert; sieht brauchbar aus:

![20240413_144130[1].jpg](https://prod-files-secure.s3.us-west...13_1441301.jpg)

- Gleichrichter ausgesteckt, aber immer noch kein Zündfunke
- Bei dem Versuch, den Gleichrichter kurzzuschließen ist die Sicherung durchgebrannt
- Hintergrund: Es hätte sein können, dass der Stromkreis geschlossen werden muss
- Es gibt einen Kontakt zwischen den Kühlrippen und dem Pluspol der Batterie; nach dem Multimeter lieg so die Standard-Spannung von ca. 12,4 Volt an

- Nach Austausch der Sicherung sind folgende Werte mit dem Multimeter entstanden:

- Batterie : ca. 12,3 Volt
- Zündspule: Das Orange Y-Kabel hat zum Plus - Pol der Batterie eine Spannung von 11,3 Volt
- Batterie Plus Pol mit Kühlrippen vom Zylinder: 12,3 Volt

Demenstsprechend dürfte die Sekundärspule einen geschlossenen Stromkreis haben.

- CD angestecktI: Das Orange-Weiße Kabel ist mit dem Plus-Pol der Zündspule verbunden und die anderen mit dem Minus-Pol.
- Versuch I: Zündung AN:
- Hier ist die schwarze Multimeter-Elektrode stets mit dem - Pol der Batterie verbunden.
- Wenn man die rote Elektrode auf das Orange-Weiße Kabel oder das Weiße
oder das Schwarz-Gelbe gibt, dann erhält man wieder 11,3 Volt. Bei dem
Schwarz-Weißen Kabel kommt gar kein Strom zustande.
- Versuch II: Zündung AUS:
- Hier ist die schwarze Multimeter-Elektrode stets mit dem + Pol der Batterie verbunden.
- Wenn man die rote Elektrode auf das Orange-Weiße Kabel oder das Weiße
oder das Schwarz-Gelbe gibt, dann erhält man wieder 11,3 Volt. Bei dem
Schwarz-Weißen Kabel gibt es 12,4 Volt.
- CDI komplett abgesteckt:
- Wenn man nun das Schwarz- Weisse Kabel mit der schwarzen Multimeter - Elektrode verbindet, dann hat die rote Elektrode zu allen anderen einen Kontakt und misst ca. 11,8 Volt

- alte und neue Zündspulen direkt getestet
- Das orange Kabel vom Kabelkanal am Pluspol, ein weiteres Zusatzkabel, das mit dem Minuspol der Batterie verbunden wurde, wurde am Minuspol der Zündspule befestigt
- Die Zündkerze wurde in den Stecker gegeben und an die Kühlrippen gehalten
- Ergebnis: Beide Spulen haben Funken erzeugt; die neuen Spulen haben einen stärkeren Funken erzeugt

# Geplantes Vorgehen

- Mit neuem Multimeter Folgendes prüfen
- Durchgang der Leitungen
- Impulsgeber
- Output der CDI
- Lichtmaschine:
- Direkter Zwei - Phasen - Output
- Ausgang des Gleichrichters


Im Anhang gibt es ein Bild von der Lichtmaschine. Ich würde gerne als nächstes mit einem Osizlloskop den Input und den Output der CDI machen. Aber das dauert noch, bis meins geliefert wurde.
Miniaturansicht angehängter Grafiken
Klicke auf die Grafik für eine größere Ansicht

Name:	Lichtmaschine.jpg
Hits:	1249
Größe:	115,3 KB
ID:	32051  
GS500_Dude ist offline   Mit Zitat antworten
Alt 16.04.2024, 04:43:06   #37
berndy
Super-Moderator
 
Benutzerbild von berndy
 
Registriert seit: 16.08.2006
Ort: Schifferstadt/Pfalz
Alter: 63
Beiträge: 10.720
Baujahr: 1995
Kilometer: 66666
Standard

Oh Mann, da sind einige Sachen, die man so besser nicht macht.

Petroleum hat an einer Bremsanlage nichts zu suchen, auch nicht zum Reinigen.

Du machst immer neue Baustellen auf. Das meinte ich mit: Du verzettelst dich". Wozu hast du die Lima auseinandergebaut? Die hat jetzt vorrangig nichts mit deinem Zündungsproblem zu tun. Und durch draufgucken stellt man nicht fest ob sie funktioniert, da muss man einfach nur messen.

Bist du dir sicher, dass du weißt, was du tust? Ich erinnere da einfach nur an die Anlenkung des Federbeins und die Fragen dazu, das Messen der Zündspulen ...

Den Rotor der Zündung auf dem Kurbelwellenstumpf anzuschweißen, ist keine gute Idee. Wenn du die Schraube abgerissen hast, muss man das abgebrochene Stück entfernen. Wenn man das selbst nicht kann, bringt man das in eine Werkstatt. Ein halbwegs fähiger Mechaniker sollte das zerstörungsfrei hinbekommen. Wenn da dran herumgeschweißt wurde, wirds nicht mehr ganz so einfach sein.

Ich befürchte, mit deinen unsachgemäßen Reparaturversuchen hast du mehr kaputt gemacht als gut.

Am besten bringst du deine GS in eine Werkstatt um den Murks an der Kurbelwelle und die abgerissene Gehäuseschraube reparieren zu lassen. Aber, das wird vermutlich teuer. Lass dir besser mal einen Kostenvoranschlag machen. Wenn die Kurbelwelle ausgebaut werden muss, kannst du das vergessen. Dann such besser einen gebrauchten Motor.

Nachdem das in Ordnung gebracht ist, kann man dann weiter nach dem Fehler suchen. Wobei ich denke, dass damit schon ein Großteil der Probleme beseitigt ist.

Es war wahrscheinlich einfach nur ein Kontaktproblem irgendwo im Kabelbaum durch Feuchtigkeit und Korrosion. Jetzt hast du ein vielfach größeres Problem daraus gemacht.

Und hör bitte auf irgendetwas planlos zu zerlegen und kaputt zu "reparieren".
__________________

Man sollte es so oder so nicht übertreiben.
berndy ist offline   Mit Zitat antworten
Alt 16.04.2024, 06:19:35   #38
Jim Knopf
Erfahrener Benutzer
 
Benutzerbild von Jim Knopf
 
Registriert seit: 06.12.2010
Ort: 74635 Kupferzell
Alter: 58
Beiträge: 7.387
Baujahr: 1989
Kilometer: 33333
Standard

Berndy lass ihn machen. Wird ja eh nix!
__________________
Duracell ist Scheiße
Jim Knopf ist offline   Mit Zitat antworten
Alt 16.04.2024, 09:20:30   #39
Vinz-Georg
Erfahrener Benutzer
 
Benutzerbild von Vinz-Georg
 
Registriert seit: 06.05.2016
Ort: Potsdam
Alter: 44
Beiträge: 746
Baujahr: 1996
Kilometer: 133000
Standard

Zitat:
Zitat von Jim Knopf Beitrag anzeigen
Berndy lass ihn machen. Wird ja eh nix!
+1

Ist wohl besser wenn die Kiste niemals wieder im Straßenverkehr bewegt wird...
Vinz-Georg ist offline   Mit Zitat antworten
Alt 16.04.2024, 09:40:41   #40
Jim Knopf
Erfahrener Benutzer
 
Benutzerbild von Jim Knopf
 
Registriert seit: 06.12.2010
Ort: 74635 Kupferzell
Alter: 58
Beiträge: 7.387
Baujahr: 1989
Kilometer: 33333
Standard

Zitat:
Zitat von Vinz-Georg Beitrag anzeigen
+1

Ist wohl besser wenn die Kiste niemals wieder im Straßenverkehr bewegt wird...

So sieht es aus. ++1
__________________
Duracell ist Scheiße
Jim Knopf ist offline   Mit Zitat antworten
Alt 16.04.2024, 11:06:42   #41
AmigaHarry
Erfahrener Benutzer
 
Benutzerbild von AmigaHarry
 
Registriert seit: 13.11.2005
Ort: Perchtoldsdorf
Alter: 64
Beiträge: 5.311
Kilometer: 1.1mio
Standard

Du meine Güte! Die wird ja totrepariert! An der KW schweissen - eine der absoluten Todsünden! Hoffentlich ist sie jetzt nicht verzogen - dann ist sowieso Sense und die bewegt sich nur mehr auf den Schrottplatz.

Aber auch alles andere: Vielleicht gut gemeint, aber mangels grundlegender Kentnisse komplett daneben gegangen - Schade.

Falls da noch weitergearbeitet wird: Bitte UNBEDINGT jemanden der sich auskennt zu Hilfe holen - oder Werkstatt!
AmigaHarry ist offline   Mit Zitat antworten
Alt 16.04.2024, 12:15:23   #42
GS500_Dude
Benutzer
 
Registriert seit: 01.02.2023
Beiträge: 76
Standard

Ich habe mal den Impulsgeber als Audio aufgenommen.

https://www.dropbox.com/scl/fi/skig0...=7cdm48g5&dl=0


Den Versuchsaufbau gibt es als Bild. Demenstprechend sollte der und das zugehörige Kabel funktionieren. Leider kann man hier keine Audio-Dateien hochladen.

Was ist an dem geschweißten Impulsgeber schlecht ? Die hat genau damit ein paar tausend Kilometer gemacht. Daran wird es nicht liegen. Die Bremsen funktionieren, das habe ich im Montageständer mehrfach geprüft. Wenn ich die zum laufen bekommen, werden die Bremsen auf Waldwegen nochmal ausführlich getestet.
Miniaturansicht angehängter Grafiken
Klicke auf die Grafik für eine größere Ansicht

Name:	Audio_Zündplatte.jpg
Hits:	1228
Größe:	102,9 KB
ID:	32052  
GS500_Dude ist offline   Mit Zitat antworten
Alt 16.04.2024, 13:29:31   #43
Jim Knopf
Erfahrener Benutzer
 
Benutzerbild von Jim Knopf
 
Registriert seit: 06.12.2010
Ort: 74635 Kupferzell
Alter: 58
Beiträge: 7.387
Baujahr: 1989
Kilometer: 33333
Standard

Zitat:
Zitat von GS500_Dude Beitrag anzeigen
Wenn ich die zum laufen bekommen, werden die Bremsen auf Waldwegen nochmal ausführlich getestet.
André bist du das?
__________________
Duracell ist Scheiße
Jim Knopf ist offline   Mit Zitat antworten
Alt 16.04.2024, 14:37:11   #44
berndy
Super-Moderator
 
Benutzerbild von berndy
 
Registriert seit: 16.08.2006
Ort: Schifferstadt/Pfalz
Alter: 63
Beiträge: 10.720
Baujahr: 1995
Kilometer: 66666
Standard

Zitat:
Zitat von GS500_Dude Beitrag anzeigen
Ich habe mal den Impulsgeber als Audio aufgenommen.

https://www.dropbox.com/scl/fi/skig0...=7cdm48g5&dl=0


Den Versuchsaufbau gibt es als Bild. Demenstprechend sollte der und das zugehörige Kabel funktionieren. Leider kann man hier keine Audio-Dateien hochladen.

Was ist an dem geschweißten Impulsgeber schlecht ? Die hat genau damit ein paar tausend Kilometer gemacht. Daran wird es nicht liegen. Die Bremsen funktionieren, das habe ich im Montageständer mehrfach geprüft. Wenn ich die zum laufen bekommen, werden die Bremsen auf Waldwegen nochmal ausführlich getestet.
Einfach alles. Es wird schon einen Grund haben, warum Suzuki das nicht geschweißt hat und warum da eine Schraube ist, an der man den Motor zum Ventile einstellen drehen soll. Außerdem kann sich beim Schweißen das Material verziehen, egal mit welcher Methode man schweißt. Sogar Profi-Schweißer können es nicht verhindern, dass sich das Material verzieht.

Lass die abgerissenen Schrauben vernünftig reparieren.

Die Bremsscheiben werden beim Bremsen ziemlich heiß, dehnen sich aus und ziehen sich zusammen. Wenn die Verschraubung ungleichmäßig ist, könnte sich die Bremsscheibe verziehen.

GS500_Dude dein Gemurkse möchte ich nicht weiter unterstützen.
__________________

Man sollte es so oder so nicht übertreiben.
berndy ist offline   Mit Zitat antworten
Alt 16.04.2024, 14:48:20   #45
gsmattis
Stammtisch Hamburg
 
Benutzerbild von gsmattis
 
Registriert seit: 16.03.2008
Ort: Extertal
Alter: 36
Beiträge: 8.808
Baujahr: 1999
Kilometer: 158000
Standard

Ich finde, dass der Thread hier beendet werden sollte, bevor noch irgendwer unbeteiligtes zu Schaden kommt.
__________________
Bandit 1200
TL1000S
weil nur 6 Zylinder Sinn ergeben
gsmattis ist offline   Mit Zitat antworten
Alt 16.04.2024, 15:10:33   #46
GS500_Dude
Benutzer
 
Registriert seit: 01.02.2023
Beiträge: 76
Standard

Ich kann mir ja einen Termin bei dem TÜV geben lassen. Der schaut sich dann das ganze an und sagt mir ob es passt.

Was soll an so eine Bremsverschraubung schon groß schiefgehen ? Da sind ja nur zwei ganz dicke Schrauben dran. Es gibt im Internet mehrere Tutorials, die einem erklären, wie man so eine Bremse öffnet, reinigt und wieder zusammenbaut.

Außerdem war das gar nicht das Thema. Das Thema war der Zündfunke. Bitte helft mir da weiter ...
GS500_Dude ist offline   Mit Zitat antworten
Alt 16.04.2024, 15:31:58   #47
Jim Knopf
Erfahrener Benutzer
 
Benutzerbild von Jim Knopf
 
Registriert seit: 06.12.2010
Ort: 74635 Kupferzell
Alter: 58
Beiträge: 7.387
Baujahr: 1989
Kilometer: 33333
Standard

Bau nen kompletten unverbastelten neuen Kabelbaum ein und schon sollte es gehen!

Hab ich noch da
__________________
Duracell ist Scheiße
Jim Knopf ist offline   Mit Zitat antworten
Alt 16.04.2024, 15:33:52   #48
Kay73
Erfahrener Benutzer
 
Registriert seit: 18.10.2014
Ort: 18184 Roggentin (bei HRO)
Alter: 52
Beiträge: 1.564
Baujahr: 1993
Kilometer: 100Mm+
Standard

.....Wer alles kann, kann nichts richtig.
Kay73 ist offline   Mit Zitat antworten
Alt 16.04.2024, 17:32:37   #49
AmigaHarry
Erfahrener Benutzer
 
Benutzerbild von AmigaHarry
 
Registriert seit: 13.11.2005
Ort: Perchtoldsdorf
Alter: 64
Beiträge: 5.311
Kilometer: 1.1mio
Standard

Zitat:
Zitat von GS500_Dude Beitrag anzeigen
Ich habe mal den Impulsgeber als Audio aufgenommen.

https://www.dropbox.com/scl/fi/skig0...=7cdm48g5&dl=0


Den Versuchsaufbau gibt es als Bild. Demenstprechend sollte der und das zugehörige Kabel funktionieren. Leider kann man hier keine Audio-Dateien hochladen.
.........
Du brauchst das alles nicht! Miss einfach einmal alle Komponenten so wie im ServiceManual oder hier in den FAQ beschrieben durch. Wenn diese Werte passen, sind die Teile OK - Punkt! Wenn nicht: Neu geben.
Dafür ist es nicht notwendig alles zu zerlegen. Externe Funktionstests der Zündung sagen ohne einen Revolution-Tester gar nichts aus, da es nur statische Zustände anzeigt.

Wenns dann nicht geht, liegts an defekten Leitungen oder Steckerkontakten. Auch die kannst du ganz einfach messen.
Sollte dann ein Zündfunke an den Kerzen da sein, aber die Kiste trotzdem nicht anspringen, hast du möglicherweise den Geber falsch angeschweisst. Position und vor allem Spalt zu Hallspulen müssen exakt passen. Sonst kommt kein definierter Puls (Form und Amplitudenhöhe) und die CDI kann das nicht richtig erkennen.

Noch ein Wort zum Schweissen:
Eine KW ist ein Präzisionsteil - genauestens in in Geometrie und Abmessungen gefertigt und penibelst ausgewuchtet. Der kleinste Fehler hier führt zu (meist hochfrequenten) Vibrationen und mit der Zeit zur Zerstörung der Gleitlager. KW sind in einem aufwendigen Verfahren spannungsfrei geglüht und oberflächengehärtet. Was glaubst du wohl, was eine partielle Erwärmung wie schweissen da anrichten kann? Um das zu verstehen braucht man kein Metallurge zu sein.
Manchmal müssen defekte Lagerflächen aufgeschweisst werden (meist mit Plasmaauftrag) - dazu muss aber die ganze KW aufgeheizt werden, damit sie sich nicht verzieht. Ich kann dir sagen, ich habe dabei schon Blut geschwitzt....und auch auch schon welche endgültig geschrottet.

Zum Rest sage ich gar nichts.

Geändert von AmigaHarry (16.04.2024 um 22:12:42 Uhr)
AmigaHarry ist offline   Mit Zitat antworten
Alt 16.04.2024, 19:45:41   #50
seife
Erfahrener Benutzer
 
Registriert seit: 28.06.2014
Ort: 02625
Alter: 54
Beiträge: 826
Baujahr: 1994
Kilometer: 46664
Standard

Zitat:
Zitat von Jim Knopf Beitrag anzeigen
André bist du das?
Oder Toni?
seife ist offline   Mit Zitat antworten
Antwort

Lesezeichen


Forumregeln
Es ist dir nicht erlaubt, neue Themen zu verfassen.
Es ist dir nicht erlaubt, auf Beiträge zu antworten.
Es ist dir nicht erlaubt, Anhänge hochzuladen.
Es ist dir nicht erlaubt, deine Beiträge zu bearbeiten.

BB-Code ist an.
Smileys sind an.
[IMG] Code ist aus.
HTML-Code ist aus.

Gehe zu

Ähnliche Themen
Thema Autor Forum Antworten Letzter Beitrag
Kein Zündfunke - kein Fahrspaß Jonnie Fehlerdiagnose 1 10.08.2019 16:26:22
Kein Öl ?!?! Dissl Motor, Getriebe, Kettensatz 25 13.05.2012 12:27:57
Nach Kurzschluss kein Starter mehr und kein Blinker viper2035 Elektrik, Elektronik und Beleuchtung 5 06.03.2012 22:52:14
Start Probleme mit der Susi. Kein Licht, keine Hupe kein gar nichts. Wolfsterror Fehlerdiagnose 6 20.04.2011 18:48:21
Nimmt kein Gas WES VR Fehlerdiagnose 3 21.06.2008 22:14:14


Alle Zeitangaben in WEZ +1. Es ist jetzt 22:58:07 Uhr.


Powered by vBulletin® Version 3.8.9 (Deutsch)
Copyright ©2000 - 2026, vBulletin Solutions, Inc.