gs-500.de  

Zurück   gs-500.de > GS500(E/F) > Vergaser - Kraftstoff - Drosseln - Tuning

Hinweise

Antwort
 
Themen-Optionen
Alt 24.03.2006, 18:31:03   #1
Nova328
Benutzer
 
Registriert seit: 21.03.2006
Beiträge: 41
Standard Entdrosselung: Beide Löcher pro Gasschieber zu machen??

Hallo,
bitte lyncht mich nicht, habe nix zu dem Thema über die Suche gefunden.
Muss ich bei Entdrosselung, beide Löcher pro Gasschieber - also das auf der Flachen und das auf der Halbrunden - schließen?
Habe eine Anleitung, jedoch wird dort , soweit ich das eindeutig erkennen kann, nur das Loch auf der Halbrunden geschlossen.
Danke für Eure Hilfe!
__________________
Suzuki GS500e (GM51B) 97er Bauhjahr
mit SITO-Auspuff
Nova328 ist offline   Mit Zitat antworten
Alt 24.03.2006, 18:38:45   #2
MarkusN
Gast
 
Beiträge: n/a
Standard

Ich meine, es sei nicht normal, dass du auf beiden Seiten ein Loch hast (ändert aber nicht viel an der Drosselung.) Jedenfalls muss der Schieber gegenüber der Kammer unter der Membrane dicht sein, also beide Löcher zu machen.
  Mit Zitat antworten
Alt 24.03.2006, 18:39:50   #3
Nova328
Benutzer
 
Registriert seit: 21.03.2006
Beiträge: 41
Standard

Ok, dann mach ich mich jetzt mal ans Kleben!
Danke für die schnelle Hilfe.
__________________
Suzuki GS500e (GM51B) 97er Bauhjahr
mit SITO-Auspuff
Nova328 ist offline   Mit Zitat antworten
Alt 24.03.2006, 18:46:31   #4
schnörksl
Gast
 
Beiträge: n/a
Standard

Ich weiß nicht wie's bei der 97er GS ist, bei meiner 2001er waren an beiden SEiten Löcher zuzukleben, kann mich allerdings nicht erinnern, dass eine Seite des Gasschiebers flach war.
Noch'n Tipp: bevor du zu kleben anfängst, die stelle mit schmiergelpapier (oder wie heißt das, argh, mein Hirn) aufrauen. Ich hab zusätzlich noch kunstvoll innen folie hingepappt, damit der Kleber nicht nach innen läuft und man den wieder rauskratzen muss. Ausserdem: geduldig warten und das Zugeklebte nicht in Betrieb nehmen bevor s nicht wirklich richtig hält.

Und ach ja:
Zitat:
lüncht
AAAAHHHHH! Es heißt "lynchen"!
  Mit Zitat antworten
Alt 24.03.2006, 20:43:07   #5
Nova328
Benutzer
 
Registriert seit: 21.03.2006
Beiträge: 41
Standard

schnörksel, hab mit einer dünnen rundpfeile die innenseiten der löcher angeraut

und mein beitrag ist schon editiert... ich lern hier ja mehr, als ich selber will

ich hoffe mal, mittwoch kann ich endlich zum tüvmann fahren
__________________
Suzuki GS500e (GM51B) 97er Bauhjahr
mit SITO-Auspuff
Nova328 ist offline   Mit Zitat antworten
Alt 25.03.2006, 20:42:39   #6
Gast
 
Beiträge: n/a
Standard

Zitat:
Zitat von schnörksl
... Ich hab zusätzlich noch kunstvoll innen folie hingepappt, damit der Kleber nicht nach innen läuft...
Ich habe einen 12 oder 14 Eisenbohrer genommen und diesen leicht eingefettet, damit der Kleber nicht an dem Bohrer haften bleibt.
  Mit Zitat antworten
Alt 25.03.2006, 20:45:59   #7
Gast
 
Beiträge: n/a
Standard

Hier noch mal einen anderen Beitrag von mir, wir hatten beide die gleiche Frage und haben es beide ins Forum gestellt )

http://www.gs-500.de/phpBB2/viewtopi...t=16642#251244
  Mit Zitat antworten
Alt 26.03.2006, 18:55:05   #8
Nova328
Benutzer
 
Registriert seit: 21.03.2006
Beiträge: 41
Standard

So, ich hab nun alles so wie in der PDF-Anleitung entdrosselt.
Die Löcher im Gasschieber sind zu
Die Klemmringe sitzt in der MItte (3.Kerbe) der Vergasernadeln,
Die kleine Metallscheibe ander Vergasernadel ist auch weg
Die Federn über den Nadeln sind getauscht,
Die Düsen sind ersetzt worden
Die Benzinschauben unten am Vergaser sind komplett zu und 2 Umdrehungen rausgedreht (im Uhrzeigersinn zugedreht)

So nun hab ich folgendes Problem:
Ich kann die Maschine starten und auch im Leerlauf normal Gas geben, zumindest meistens, manchmal dreht er.
Ich kann nur anfahren, wenn die Drehzahl mehr als 4000U/min beträgt.
Im zweiten Gang gehts schon besser.
Jedoch fühlt es sich an, als ob mein Tank grade leer wird/ist, wenn ich Gas gebe - er brauch immer ein bisschen um auf Touren zu kommen, aber dann dreht er auch hoch.
Außerdem hab ich einmal bemerkt, das der Vergaser ein wenig geschlagen hat, als ich am Fas gezogen habe - ist aber dfnach nicht mehr passiert. Dies geschah im Leerlauf.
Nun weiss ich leider nicht mehr weiter.
Soll ich evtl die Benzinzufuhr an den Schrauben ein wenig erhöhen?
Bringt das was?
__________________
Suzuki GS500e (GM51B) 97er Bauhjahr
mit SITO-Auspuff
Nova328 ist offline   Mit Zitat antworten
Alt 26.03.2006, 19:27:00   #9
MarkusN
Gast
 
Beiträge: n/a
Standard

Vergaserpatschen und zögerliches Hochdrehen sind beides Anzeichen für mageres Gemisch. Übrprüf mal den Schwimmerstand (dazu musst Du sie nicht aufmachen: Improvisiertes U-Rohr aus klarem Schlauch auf den Ablassnippel und Ablass öffnen. Benzinspiegel sollte etwa auf Höhe der Trennebene der Schwimmerkammer liegen.) Verharzter Vergaser kann auch die Ursache sein.

Zu den 4000/min beim Anfahren: Wieviel Erfahrung hast Du mit der Maschine? Weil, ein bisschen Drehzahl beim Einkuppeln mag die GS schon, und wenn Du da etwas grob zur Sache gehst kann's schon sein dass Du die 4k brauchst um sie nicht abzuwürgen.
  Mit Zitat antworten
Alt 26.03.2006, 20:20:07   #10
Nova328
Benutzer
 
Registriert seit: 21.03.2006
Beiträge: 41
Standard

Also ich hab bis jetzt ca 8000 km in 2 Jahren mit der Maschine.
Ein wenig kenne ich se ja. Sowas hatte ich wenn, dann nur annähernd bei kaltem Motor.

Also locker einkuppeln geht zZ nicht so gut, weil ich bei weniger als 4000 U/min keine Leistung bekomme. Wie gesagt, es fühlt sich bei höheren Gängen an, als ob er keinen Sprit mehr hat, wenn ich aufdrehe.
Kannst du mir sagen, wo genau der Ablassnippel sitzt und wie ich den Ablass aufmache?

Und ein wenig positiv darf ich doch denken : ('')
Der Auspuff macht nun mehr Sound, und den besseren Anzug spürt man auch
__________________
Suzuki GS500e (GM51B) 97er Bauhjahr
mit SITO-Auspuff
Nova328 ist offline   Mit Zitat antworten
Alt 26.03.2006, 22:15:52   #11
MarkusN
Gast
 
Beiträge: n/a
Standard

http://www.gs-500.de/modules/mx_smar...cm&pic_id=6780
Hier siehst Du den Ablassnippel und die zugehörige Schraube; ist am unteren Bildrand.

Also mit 8000 km unter dem Sattel können wir schon davon ausgehen, das Du Deine Maschine kennst und den Anzug beurteilen kannst.

Ist sie länger gestanden diesen Winter?
  Mit Zitat antworten
Alt 26.03.2006, 22:50:45   #12
Nova328
Benutzer
 
Registriert seit: 21.03.2006
Beiträge: 41
Standard

Danke für das tolle Bild Markus,
meine Maschine stand seit ca November still. Dieses Jahr gings ja ziemlich spät los, weil der Winter sooo lange dauerte. Hab die Maschine 1 mal während der Pause gestartet.

Muss mir morgen dann ersma nen Schlauch besorgen ^^
__________________
Suzuki GS500e (GM51B) 97er Bauhjahr
mit SITO-Auspuff
Nova328 ist offline   Mit Zitat antworten
Alt 26.03.2006, 23:03:08   #13
MarkusN
Gast
 
Beiträge: n/a
Standard

Danke für die Blumen, aber das Bild ist nicht von mir. Habe ich mittels Suche gefunden.

Wenn sie den Winter über ohne Konservierung gestanden hat, ist evtl. der Vergaser verharzt. Das ist ein häufiger Grund wenn der Motor zu mager läuft. Zunächst mal mit Vergaserreiniger versuchen (Zusatz im Tank). Oft reicht das aber nicht, -> gründliche Reinigung (z.B. Ultraschall) nötig.
  Mit Zitat antworten
Alt 27.03.2006, 10:17:35   #14
Nova328
Benutzer
 
Registriert seit: 21.03.2006
Beiträge: 41
Standard


Vergaser reinigen lassen würde mich aber bestimmt einiges Kosten?!
Naja ich werd heute abend erstmal das mit dem schlauch testen... mal sehen was dabei zu Stande kommt
__________________
Suzuki GS500e (GM51B) 97er Bauhjahr
mit SITO-Auspuff
Nova328 ist offline   Mit Zitat antworten
Alt 27.03.2006, 11:57:29   #15
knut
Erfahrener Benutzer
 
Benutzerbild von knut
 
Registriert seit: 29.07.2003
Ort: Menden (Sauerland)
Beiträge: 3.058
Standard

Zitat:
Zitat von Nova328
Vergaser reinigen lassen würde mich aber bestimmt einiges Kosten?!
ultraschallreinigen hat mich (mit selbst auseinandernehmen) letztes jahr 15 euro gekostet. nur so als richtwert
__________________
alle trinken cola - nur nicht knut, der trinkt blut ...

member of: grillrockers-essen
knut ist offline   Mit Zitat antworten
Alt 27.03.2006, 12:29:51   #16
Nova328
Benutzer
 
Registriert seit: 21.03.2006
Beiträge: 41
Standard

alles klar, das klingt wunderbar
hab schon mit 50 oder mehr gerechnet
aber ich shcau heute abend auch erstmal nach wie es mit dem Schwimmer steht.
__________________
Suzuki GS500e (GM51B) 97er Bauhjahr
mit SITO-Auspuff
Nova328 ist offline   Mit Zitat antworten
Alt 27.03.2006, 16:02:06   #17
Gast
 
Beiträge: n/a
Standard

Hi,

probier mal ob du die Probleme nach dem Entdrosseln auch dann hast, wenn du die Benzinstellung auf Reserve stellst. Weil wenn nicht, dann hast du eventuell beim zusammenbauen die Schläuche vertauscht.

Siehe hier mal : http://www.gs-500.de/phpBB2/viewtopi...hlight=#199659

Dann habe ich die Mischregulierungsschraube nicht angefasst, weil wenn man sich die Drossel Anleitung genau durch liest, dann verstehe ich es so das die Einstellung unverändert bleibt. Vom Werk gedrosselt ...reindrehen und zwei Drehungen raus....beim entdrosseln....das gleiche, und da meine vorher gedrosselt war habe ich es so gelassen. Und läuft gut! Morgen habe ich den TÜV Termin-> Freu!

Bis dann
Yadi
  Mit Zitat antworten
Alt 29.03.2006, 08:53:12   #18
Nova328
Benutzer
 
Registriert seit: 21.03.2006
Beiträge: 41
Standard

Markus,
also auf Reserve läuft er wie auf On. Beides ist nicht gut.
Der Schwimmer scheint nicht verharzt - an den Ablassnippeln ist genug Druck drauf. Das Benzin steigt auf die gewünschte Höhe.
Hab nochmal versucht die Benzinschrauben unten am Vergaser noch ein wenig zu öffnen jedoch, passiert es immer wieder, dass ich kein Gas kriege, wenn ich ziehe.
Habe 2, 3 und 4 Umdrehungen (erst ganz zu drehen) ausprobiert, jedoch hilft das gar nicht.

Der Motor säuft eigentlich immer ab, wenn ich am Gas ziehe, sobald er ein wenig warm wird. Ich bin so traurig
Heute sollte ich eigentlich den TÜV machen... jedoch wird das wohl nix.
__________________
Suzuki GS500e (GM51B) 97er Bauhjahr
mit SITO-Auspuff
Nova328 ist offline   Mit Zitat antworten
Alt 29.03.2006, 09:12:53   #19
MarkusN
Gast
 
Beiträge: n/a
Standard

Mir fällt gerade auf, dass wir das noch gar nicht überprüft haben:
Hast Du alle Änderungen gemacht, die zum Entdrosseln nötig sind?

Löcher zu
Andere Federn
Düsennadel auf die richtige Höhe
Andere Hauptdüse

Weiss die Werte im Moment nicht auswendig. Irgendwo gibt es ain PDF das das Thema Entrosseln von 89 .. 00 behandelt.

An der Leerlaufgemischschraube würde ich nicht zuviel drehen. Die beeinflusst sowieso v.a. den untersten Drehzahlbereich.
  Mit Zitat antworten
Alt 29.03.2006, 09:58:23   #20
ZRX-Man
Stammtisch München
 
Benutzerbild von ZRX-Man
 
Registriert seit: 01.01.2006
Ort: Frauenvils bei Taufkirchen
Alter: 60
Beiträge: 1.566
Baujahr: 1999
Kilometer: 110000
Standard

@MarkusN:

Laut einem seiner ersten Postings ist alle gemacht....
Sind die Gaser synchronisiert? Kenne die GS ja nicht so gut, aber sollten die Düsen nicht nur auf das Entdrosseln, sondern auch auf den Auspuff abgestimmt sein?

@Nova:

Letzte Frage:
Spritschlauch abgeknickt => sauber verlegen, Benzihnhahn verharzt => zu wenig Durchlass im Lastbetrieb???

Edit: Wie läuft sie auf Stellung "PRI" (falls vorhanden)?
__________________
Wenn es was für alle ist, ist es nichts für mich!
Greetz,
der Horst
ZRX-Man ist offline   Mit Zitat antworten
Alt 29.03.2006, 12:13:13   #21
Gast
 
Beiträge: n/a
Standard

Hi Markus,

ja Schade viel fällt mir leider dazu auch nicht mehr ein, evt. noch ein zwei Gedanken:

1. evt. falsche Düsen ausgehändigt bekommen, schau mal mit der Lupe drauf ob da 11,50 drauf steht?
2. Mess mal die Federlänge genau nach, einfach nur um alles Ausschliessen zu können.
3. Hast du auf die beiden sehr kleinen O-Ringe aufgepasst, oben am Vergaserdeckel, beim öffnen verliert man die schon mal. Zwei winzige Gummiringe.
4. Die Feststellschraube für den Gaszug kannst du am Vergaser zu 3/4 reindrehen.
5. Es gibt bei der GS zwei unterscheidliche Benzinhäne wo auch die Schläuche dann anders angeschlossen werden!

hm ja schade, evt hat ja heir noch jemand den Richtigen Tip

Yadi
  Mit Zitat antworten
Alt 29.03.2006, 21:46:47   #22
Nova328
Benutzer
 
Registriert seit: 21.03.2006
Beiträge: 41
Standard

Vielen Dank für die vielen Antworten,

also ich habe alle nötigen Teile getauscht, bzw Löcher verschlossen.

Die PRI Stellung sorgt nur dafür, dass der Motor keinen Sprit mehr bekommt.
Auch die Schläuche sollten alle gut verlegt sein.
Auf die kleinen Dichtungsringe oben am Vergaser habe ich sher aufgepasst, die sind auch drin.

Synchronisiert habe ich nicht - ich glaube das hat bei Yadi auch ohne geklappt?!

Ich werde mich am Sonntag mal dran setzen und nochmal alles auseinandernehmen. Mal sehen ob ich noch irgendwas übersehen habe.
__________________
Suzuki GS500e (GM51B) 97er Bauhjahr
mit SITO-Auspuff
Nova328 ist offline   Mit Zitat antworten
Alt 29.03.2006, 22:42:29   #23
Gast
 
Beiträge: n/a
Standard

Zitat:
Zitat von Nova328
...Synchronisiert habe ich nicht - ich glaube das hat bei Yadi auch ohne geklappt?!...
Also ich bin heute, nach der ganzen Entdrosselungsgeschichte und der gestrigen TÜV abnahme und der heutigen Anmeldung, damit endlich etliche km durch die Stadt gefahren und ich muß sagen das sie sehr gut gelaufen ist. Läuft ruhig, keine Aussetzer, zieht gut an usw. Morgen fahre ich damit über die Autobahn und dann übergebe ich sie meiner Frau.

Ich bin der hausinterne TÜV

Und ich habe sie nicht Synchroinisiert!

Mit der "Pri" Geschichte, damit müsste man doch was anfangen können ich kann blos jetzt nicht mehr klar denken, ich schau mal in meine Bücher.

Bis dann
Yadi
  Mit Zitat antworten
Alt 30.03.2006, 18:45:54   #24
Nova328
Benutzer
 
Registriert seit: 21.03.2006
Beiträge: 41
Standard

mhhh, also wenn die PRI Stellung laufen lassen sollte, scheints, als ob ich doch einen Schlauch eingeklemmt habe :\ oder sehe ich das falsch?
Die Schläuche sollten auch richtig angeschlossen sein...

Naja Sonntag nimm ich nochmal alles unter die Lupe, mal sehen was sich ergibt... morgen hab ich noch ne Klausur :\
__________________
Suzuki GS500e (GM51B) 97er Bauhjahr
mit SITO-Auspuff
Nova328 ist offline   Mit Zitat antworten
Alt 04.03.2019, 21:18:59   #25
Joh
Benutzer
 
Benutzerbild von Joh
 
Registriert seit: 24.02.2019
Alter: 41
Beiträge: 34
Baujahr: 2001
Kilometer: 30000
Standard

Zitat:
Zitat von Nova328 Beitrag anzeigen
Ok, dann mach ich mich jetzt mal ans Kleben!
Danke für die schnelle Hilfe.
Bitte lüncht mich nicht für das rausholen dieses UrUralt Themas.
@Nova328: Womit hast du es geklebt? Hab heute mit nem Typ von UHU telefoniert, der hat mir das empfohlen wenn die Klebestelle etwas flexibel bleiben soll

https://www.bueroshop24.de/uhu-plus-...kaAiNpEALw_wcB

oder wenn es hart werden soll:
https://www.amazon.de/UHU-45960-Epox...ponentenkleber

und das:
https://www.amazon.de/UHU-46720-Repa.../dp/B00CSRXRS0

Frage 2:
Also tatsächlich beide Löcher?
Miniaturansicht angehängter Grafiken
Klicke auf die Grafik für eine größere Ansicht

Name:	20190304_211509.jpg
Hits:	1600
Größe:	46,0 KB
ID:	28305   Klicke auf die Grafik für eine größere Ansicht

Name:	20190304_211522.jpg
Hits:	1379
Größe:	48,2 KB
ID:	28306  
Joh ist offline   Mit Zitat antworten
Alt 05.03.2019, 04:36:53   #26
gsmattis
Stammtisch Hamburg
 
Benutzerbild von gsmattis
 
Registriert seit: 16.03.2008
Ort: Extertal
Alter: 36
Beiträge: 8.808
Baujahr: 1999
Kilometer: 158000
Standard

Zur Drosselung durfte da nur ein Loch rein, also ja, natürlich beide Löcher schließen. Steht auch weiter oben so drin.
Nova wird dir allerdings nicht mehr antworten, denn er/sie war 2013 zuletzt online.
__________________
Bandit 1200
TL1000S
weil nur 6 Zylinder Sinn ergeben
gsmattis ist offline   Mit Zitat antworten
Alt 05.03.2019, 17:46:09   #27
AmigaHarry
Erfahrener Benutzer
 
Benutzerbild von AmigaHarry
 
Registriert seit: 13.11.2005
Ort: Perchtoldsdorf
Alter: 64
Beiträge: 5.311
Kilometer: 1.1mio
Standard

In den Schiebern sind schon 2 Löcher ab Werk drinnen. Diese Drosselmethode scheint Suzuki so um die Jahrtausendwende begonnen zu haben (frühestens ab 1997/98 lt. meinen Unterlagen - hängt von der Region ab). Beispielsweise sind alle K4 und ff so gedrosselt. Der ungedrosselte Schieber hat keine Löcher. Hauptdüsen und ggf. Nadelposition muss ebenfalls angepasst werden.
AmigaHarry ist offline   Mit Zitat antworten
Alt 06.03.2019, 13:46:09   #28
Joh
Benutzer
 
Benutzerbild von Joh
 
Registriert seit: 24.02.2019
Alter: 41
Beiträge: 34
Baujahr: 2001
Kilometer: 30000
Standard

So weit, so gut, danke!
Löcher sind verschlossen.
Nun aber noch die Frage:
http://forum.gs-500.de/showthread.php?t=10261
hier steht:
Zitat:
Anleitung für die Baujahre 2001 - 2004

Die neueren Modelle sind über die Hauptdüsen und die Gasschieber auf die 34PS gedrosselt!

Entdrosseln:
1.) 2 neue Schieber (haben keine Löcher "in Fahrtrichtung", desweiteren weichen sie geometrisch etwas ab - allerdings nur sehr wenig - im Zehntelbereich, könnte daher auch die normale Fertigungstoleranz sein.....)

2.). 2 Neue Hauptdüsen: #130 [statt #135 (>=K4) bzw. #115 (K1-K3)]
Bei K1-K3 muss noch die Nadel auf die 3. Raststufe gesetzt werden und u.U. muss noch die Gemischregulierung abgestimmt werden (2 5/8 Umdrehungen raus statt 2 Umdrehungen)......

Das wars! Damit hat die GS ab 2001 45PS und ab 2004 48PS
in der Drossel FAQ/pdf steht aber:
Zitat:
Baujahr 2001
Vergasertyp: Mikuni BSR34SS
Laut vorliegendem Gutachten gilt dieses Gutachten ab der Fahrgestellnummer BK311100-100001 bis BK311100-101651. Es werden nur die Gasschieber getauscht, Düsen und Clipse bleiben wie sie sind.
was ist denn jetzt richtig?
Mein Gutachten sagt auch nur Schieber.
Ich teste heute Abend erstmal nur die Änderung mit den geschlossenen Löchern.

Nun die eigentliche Frage; falls ich doch noch an den Schrauben was ändern muss:
Laut FAQ müsste mein Baujahr bzw. nach Fahrgestellnummer der Mikuni BSR34SS verbaut sein.
Ich lese an meinem aber nur 01DG L0X2.

Kurzum: Kann jemand anhand der Fotos sagen
- Hab ich tatsächlich den BSR34SS?
Wo sitzten:
- die Gemischregulierschrauben
- Abgleichschrauben zum Synchronisieren.
- Anschlüsse für die Schläuche zum Synchronisieren.
Ich hoffe das passt thematisch noch halbwegs in diesen Thread.
Miniaturansicht angehängter Grafiken
Klicke auf die Grafik für eine größere Ansicht

Name:	20190306_061733.jpg
Hits:	1115
Größe:	102,8 KB
ID:	28307   Klicke auf die Grafik für eine größere Ansicht

Name:	20190306_062056.jpg
Hits:	1146
Größe:	83,1 KB
ID:	28308   Klicke auf die Grafik für eine größere Ansicht

Name:	20190306_062125.jpg
Hits:	1635
Größe:	103,1 KB
ID:	28309  
Joh ist offline   Mit Zitat antworten
Alt 06.03.2019, 18:58:11   #29
AmigaHarry
Erfahrener Benutzer
 
Benutzerbild von AmigaHarry
 
Registriert seit: 13.11.2005
Ort: Perchtoldsdorf
Alter: 64
Beiträge: 5.311
Kilometer: 1.1mio
Standard

Der 01DG ist ein BSR34SS.
Anbei die technischen Daten. Entdrosselt muss (sollte) auf die Daten des 01DE werden - zumindest lt. Tabelle - d.h. deine Hauptdüsen sollten schon passen. Allerdings schweigt sich dazu die Dokumentation bei den Bj 2000-2003 aus - vor allem welcher LuFi zu verwenden ist: 01D00 oder 01D50 - was hast du jetzt eingebaut? Theoretisch müsste da momentan noch der 01D00 drinnen sein.
Du wirst es probieren müssen.
Miniaturansicht angehängter Grafiken
Klicke auf die Grafik für eine größere Ansicht

Name:	Vergaser.jpg
Hits:	1427
Größe:	45,4 KB
ID:	28312  
AmigaHarry ist offline   Mit Zitat antworten
Alt 06.03.2019, 19:10:15   #30
AmigaHarry
Erfahrener Benutzer
 
Benutzerbild von AmigaHarry
 
Registriert seit: 13.11.2005
Ort: Perchtoldsdorf
Alter: 64
Beiträge: 5.311
Kilometer: 1.1mio
Standard

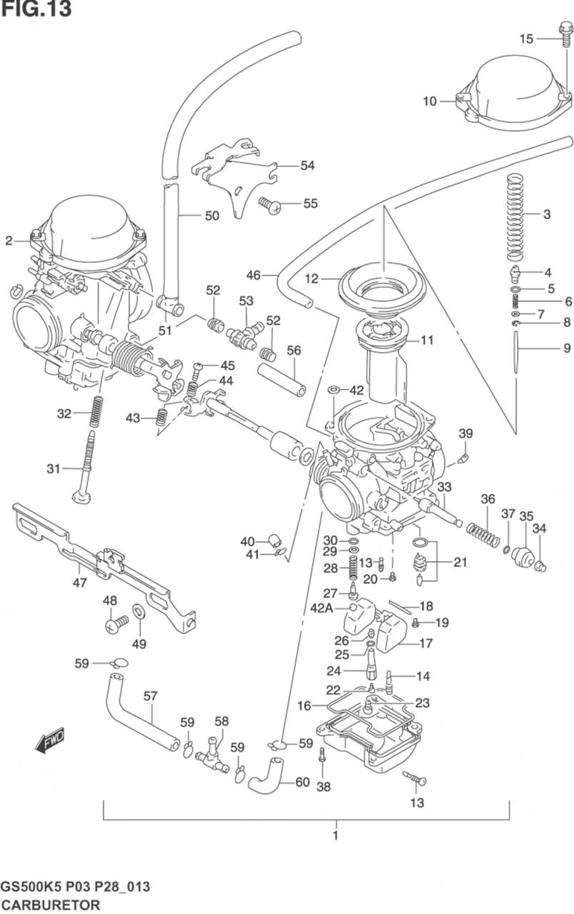
Gilt für BSR34SS:

Vergasersynchronisieren = Schraube 43

Anschluss Unterdruck = 40 bzw. steckt bereits der Schlauch für den Benzinhahn bei einem Vergaser drauf

Gemischregulierschraube = 27
Miniaturansicht angehängter Grafiken
Klicke auf die Grafik für eine größere Ansicht

Name:	CarburatorK3.jpg
Hits:	1070
Größe:	97,7 KB
ID:	28313  
AmigaHarry ist offline   Mit Zitat antworten
Alt 07.03.2019, 08:38:02   #31
Joh
Benutzer
 
Benutzerbild von Joh
 
Registriert seit: 24.02.2019
Alter: 41
Beiträge: 34
Baujahr: 2001
Kilometer: 30000
Standard

Danke!
Also wenn ich auf den 01DE umbaue -> Düsen und Nadel könnte bleiben, nur die Mischschraube müsste gedreht also noch eine weitere / andere Vorgehensweise.
Ich denke ich werd das Ding zum Wochenende soweit fertig haben, dass ich mal eine Testfahrt machen kann. Hab bisher nur im Leerlauf getestet ob es "rund" läuft mit den geklebten Schiebern. Heute kommt mein Reifen hoffentlich und morgen die Kettenmontage dann werd ich erstmal ne Test-Runde machen. Vielleicht ist es ja damit getan ohne weitere Veränderungen.
Wenn alles gut läuft kann ich dann davon ausgehen, dass das Entdrosseln korrekt geklappt hat oder kann es sein, dass z.B. das Gemisch trotzdem nicht korrekt ist und erst auf Dauer irgendwann Probleme macht?
LuFi: 01D50 (Letzte 0 schlecht zu erkennen - müsste aber 0 sein)
Bez. unten: 13780-05A00.

Das Synchronisieren verschieb ich auch erstmal auf nächste Woche...
Joh ist offline   Mit Zitat antworten
Alt 07.03.2019, 10:26:13   #32
AmigaHarry
Erfahrener Benutzer
 
Benutzerbild von AmigaHarry
 
Registriert seit: 13.11.2005
Ort: Perchtoldsdorf
Alter: 64
Beiträge: 5.311
Kilometer: 1.1mio
Standard

Wenn die Entdrosselung nicht passt, wird die Kiste nur in irgendeinem Bereich schlechter gehen (z.B. Drehzahlloch, oder nicht volle Power). Kaputtmachen kannst du deswegen nichts. Ist halt nur blöd, weil vielleicht nochmals die Vergaser raus müssen. Synchronisieren hat nur Einfluss auf das Standgas und bis ca. 2000rpm - danach sind die Klappen schon zu weit offen und jeglicher Unterschied zwischen den Zylindern relativiert sich.....
Bei Lastwechselreaktionen sind fast immer ein falscher Lufi oder eine zu niedere (zu mager) Düsennadelposition verantwortlich (sofern keine Falschluft vorliegt, wovon ich ausgehe).
AmigaHarry ist offline   Mit Zitat antworten
Alt 25.03.2019, 09:25:17   #33
Joh
Benutzer
 
Benutzerbild von Joh
 
Registriert seit: 24.02.2019
Alter: 41
Beiträge: 34
Baujahr: 2001
Kilometer: 30000
Standard

So, endlich alles wieder fit.. Kette neu, Reifen drauf, Drossel raus und Testfahrt.
Dann die Ernüchterung. Top Speed ist 160 (5. Gang 9000 U/min. Im 6. kommt nix mehr) Vor der Entdrosselung Top Speed 150). Das Entdrosseln war irgendwie nicht sooo der Brüller. Ich bin jetzt einige Wochen nicht gefahren daher ist der gefühlte Vergleich ob sie im Anzug besser ist etwas schwierig.
Ich bilde mir schon ein, dass es etwas zügiger voran geht aber bin etwas irritiert wegen der Endgeschwindigkeit.
Aufgrund der Tatsache dass so viele unterschiedliche Aussagen gibt was bei der Entdrosselung gemacht werden muss.
Was wäre taktisch der beste nächste Schritt?
- Gemischschraube doch drehen obwohl eigentlich nicht erforderlich?
- Hauptdüse ändern obwohl eigentlich nicht erforderlich?
- Nadel doch anders einhängen obwohl eigentlich nicht erforderlich?
- Luftfilter ersetzen? (Ich hab den 01D50 bzw. 13780-05A00)
Die Kiste läuft schön sauber in jedem Drehzahlbereich.
Hab ich mir zu viel erhofft? Es sind ja auch nur 12PS mehr...
Was denkt ihr so?

Edit: Top Speed ist mir eigentlich egal ich möchte nur sicher sein, dass mit dem Entdrosseln alles richtig geklappt hat und Top Speed schien mir das beste Indiz dafür zu sein weil man es so anhand einer Zahl messen kann.
Joh ist offline   Mit Zitat antworten
Alt 25.03.2019, 11:52:59   #34
3y3joe
Erfahrener Benutzer
 
Registriert seit: 31.08.2015
Ort: Sinsheim
Beiträge: 894
Baujahr: 1993
Kilometer: 105000
Standard

LL Gemisch: nein, ich wiederhole es nochmal ausdrücklich, das LL Gemisch hat mit der Leistung bei Vollast fast nichts zu tun, kleiner 1 % würde ich mal sagen.
Stimmt dein Schwimmerkammerniveau?
Ist der LUfi sauber und hast Du den richtigen drin?
Was sind 12 PS mehr, wieviel sollte sie jetzt haben? 46 ?
Dann ist Tacho 160 etwas dürftig
3y3joe ist offline   Mit Zitat antworten
Alt 25.03.2019, 12:16:19   #35
Saugwurmmensch
Public-Relations-Manager
 
Benutzerbild von Saugwurmmensch
 
Registriert seit: 19.07.2004
Ort: Strausberg
Alter: 42
Beiträge: 24.180
Baujahr: 1998
Kilometer: 22000
Standard

Läuft sie im Stand ruhig und sinkt die Drehzahl zügig?
Sprüh mal bei laufendem Motor Vergaser und Umgebung mit Bremsenreiniger ab um auf Falschluft zu prüfen.
__________________
Wer hat noch keinen Organspendeausweis ?

Warning: may contain Verballhornung.
Suzuki - ride the wings of stain !
Saugwurmmensch ist offline   Mit Zitat antworten
Alt 25.03.2019, 13:21:03   #36
Joh
Benutzer
 
Benutzerbild von Joh
 
Registriert seit: 24.02.2019
Alter: 41
Beiträge: 34
Baujahr: 2001
Kilometer: 30000
Standard

Zitat:
Zitat von 3y3joe Beitrag anzeigen
LL Gemisch: nein, ich wiederhole es nochmal ausdrücklich, das LL Gemisch hat mit der Leistung bei Vollast fast nichts zu tun, kleiner 1 % würde ich mal sagen.
Stimmt dein Schwimmerkammerniveau?
Ist der LUfi sauber und hast Du den richtigen drin?
Was sind 12 PS mehr, wieviel sollte sie jetzt haben? 46 ?
Dann ist Tacho 160 etwas dürftig
Ok, danke dann ist die LL-Schraube als Fehler schon mal raus.
Ob der Lufi der richtige ist, weiß ich ja grad nicht.. Gibt gegensätzliche Meinungen zu dem Soll-Zustand.
Ich hätte bei fehlender Endgeschwindigkeit auch eher die HD verantwortlich gemacht. Auf den Durchzug hat die ja eher wenig Auswirkung, oder?
Ja genau, 46PS muss sie jetzt haben. Laut Gutachten VMax 170 kmh. reel ist aber wohl 180 für die offene eher gängig.
Schwimmkammerniveau müsste ich dann checken bzw. mich erst einlesen. Dadurch das ich ja nur die Gasschieber zugemacht hab war ja kein Ausbau des Vergasers bisher nötig.

Zitat:
Zitat von Saugwurmmensch Beitrag anzeigen
Läuft sie im Stand ruhig und sinkt die Drehzahl zügig?
Sprüh mal bei laufendem Motor Vergaser und Umgebung mit Bremsenreiniger ab um auf Falschluft zu prüfen.
Ok, dass probier ich auch nochmal – würde mich aber wundern. Läuft ruhig im Stand und sinkt zügig.
Alles in allem nach der Entdrossellung läuft der Motor sauber wie gehabt und zieht auch schön konstant durch.
Nur Vmax ist auffällig "wenig" und daher die Befürchtung das "nicht die vollen 12 PS tatsächlich anliegen"

Frage an die Profis hier somit:
Was ist hauptsächlich für Vmax verantwortlich? HD? Luftfilter? oder Nadelposition? -> dumme Frage: Nadelposition = Bestimmung Schwimmkammerniveau?
Joh ist offline   Mit Zitat antworten
Alt 25.03.2019, 14:03:53   #37
3y3joe
Erfahrener Benutzer
 
Registriert seit: 31.08.2015
Ort: Sinsheim
Beiträge: 894
Baujahr: 1993
Kilometer: 105000
Standard

Nein die Nadelposition bestimmt das Gemisch für den Teillast.
Und wenn Du sagst sie zieht gut durch und Dir fehlt nur oben Leistung, dann würde ich auch beim Schwimmerkammerniveau anfangen und beim Luftfilter.
Zum Luftfilter kann Dir der gsmattis was erzählen, bzw check doch mal den link in seiner Signatur.
Schwimmerkammerniveau: Die Höhe des Spritstands in der Schwimmerkammer, die ist massgeblich für das Gemisch verantwortlich , in allen drei Teilbereichen.
Du stellst das Moped möglichst eben auf den Hauptständer, stellst den Benzinhahn auf PRI, steckst ein kleines durchsichtiges PVC Schläuchchen auf den Ablassnippel unten am Schwimmerkammerdeckel und öffnest die Ablassschraube daneben.
Den Schlauch biegst Du nach oben. Dann siehst Du jetzt am Schlauch deine Benzinstandhöhe, diese sollte auf Höhe der Schwimmerkammerdichtung sein , wenn ich mich recht erinnere, +/- 1 mm.
Das kannst Du für die beiden Versager einzeln machen.

Aber Saugwurschmenschs Idee bitte nicht vergessen.
Das Kerzenbild kann auch u.U. aussagekräftig sein, dazu musst Du 5 Minuten Vollgas auf der AB fahren, dann 500 m vor dem Parkplatz die Kupplung ziehen , Motor aus, und die Mühle ausrollen lassen.
Dann die Kerzen ausschrauen und fotografieren.

Aber zuerst checks Du das mit der Falschluft, dem LuFi und dem Schwimmerkammerniveau, so würde ich vorgehen. Teste und berichte!
3y3joe ist offline   Mit Zitat antworten
Alt 25.03.2019, 16:06:28   #38
Joh
Benutzer
 
Benutzerbild von Joh
 
Registriert seit: 24.02.2019
Alter: 41
Beiträge: 34
Baujahr: 2001
Kilometer: 30000
Standard

Jungs ihr seid die Besten.
Regenwetter ist immer suboptimal und AB nicht in der Nähe aber ich wurschtel mich mal durch. Ich mach mal meine Hausaufgaben und meld mich dann.
Joh ist offline   Mit Zitat antworten
Alt 27.03.2019, 11:02:11   #39
Joh
Benutzer
 
Benutzerbild von Joh
 
Registriert seit: 24.02.2019
Alter: 41
Beiträge: 34
Baujahr: 2001
Kilometer: 30000
Standard

So, da bin ich wieder.
- Falschluft ausgeschlossen, auf Bremsenreiniger reagiert sie absolut unbeeindruckt.
- Schwimmerkammer: Hier ist tatsächlich auffällig, dass die linke Kammer anscheinend nicht voll genug ist. (Verunsichernd ist nur jeweils die Luftblase aber sie ist rechts auch, und da ist der Füllstand ok.) -> Wie den Füllstand ändern? Alle Anleitungen die ich dazu finde sind für Modelle älteren Baujahrs mit anderen Vergasern. (Und ich raff zudem die Beschreibung nicht) Evtl. doch die Nadeln auf eine anderen Ring umhängen?
- Lufi schmutzig. Hab beim verschließen der Gasschieber nicht drauf geachtet. Jetzt dann die spannende Frage: WELCHER ist der richtige neue?

Hier steht: http://forum.gs-500.de/showthread.php?t=10261
"Achtet auch drauf, dass je nach Baujahr auch ein Luftfiltertausch dazugehört, auch wenn der im Gutachten nicht aufgeführt ist.
Für gedrosselte Modelle ist das Typ 01D00, für ungedrosselte 01D50 (für die Baujahre 1996 bis 2003).
Die Modelle von 89-95 und ab 2004 fahren offen wie gedrosselt den 01D00.
Leider unterscheiden viele Onlineshops nicht zwischen diesen Filtertypen."

Komischerweise hab ich schon den 01D50 obwohl ich bis jetzt ja gedrosselt unterwgs war. Die freundliche Beratung von Suzuki wo ich auch das Gutachten her habe sagte mir auch, dass für die entdrosselte die 01D50 (bzw. jetzt 01D51 als Nachfolgemodell) richtig wäre, ABER anhand 2 unterschiedlicher Unterlagen die ihr vorlagen gab es auch die Variante, dass die 01D00 richtig wäre.
Miniaturansicht angehängter Grafiken
Klicke auf die Grafik für eine größere Ansicht

Name:	20190326_191450.jpg
Hits:	1100
Größe:	103,2 KB
ID:	28343   Klicke auf die Grafik für eine größere Ansicht

Name:	20190326_191735.jpg
Hits:	1764
Größe:	103,1 KB
ID:	28344   Klicke auf die Grafik für eine größere Ansicht

Name:	20190326_194227.jpg
Hits:	1163
Größe:	109,6 KB
ID:	28345   Klicke auf die Grafik für eine größere Ansicht

Name:	20190327_110442.jpg
Hits:	1266
Größe:	100,7 KB
ID:	28346   Klicke auf die Grafik für eine größere Ansicht

Name:	20190327_110506.jpg
Hits:	1130
Größe:	68,9 KB
ID:	28347  


Geändert von Joh (27.03.2019 um 11:15:49 Uhr) Grund: Edit: Fotos angehängt
Joh ist offline   Mit Zitat antworten
Alt 27.03.2019, 12:24:48   #40
3y3joe
Erfahrener Benutzer
 
Registriert seit: 31.08.2015
Ort: Sinsheim
Beiträge: 894
Baujahr: 1993
Kilometer: 105000
Standard

Ich greife mal die Frage nach dem Schwimmerstand auf, für LuFi gibts hier andere Experten

Die Luftblase ist nicht schlimm, sie verändert den hydrostatischen Druck nicht, die Anzeige stimmt deswegen.
Verändern tust Du den Schwimmerstand, in dem Du die Blechzunge verbiegst mit welcher der Schwimmer mit seinem Gelenk verbuden ist.
Dadurch wird dann das Schwimmerkammerventil etwas früher oder später geschlossen. Der Schwimmer taucht ja immer gleich tief ein.
Den Schwimmerkammerdeckel brauchst Du zum erneuten Messen nach dem biegen, nicht jedesmal festschrauben, es reicht den mit der Hand anzudrücken während Du kontrollierst. Festschrauben tust Du ihn wieder wenn der Stand stimmt.
Das ganze geht einfacher wie es sich hier liest
Das wirst Du gut hinbekommen, denke ich.
3y3joe ist offline   Mit Zitat antworten
Alt 27.03.2019, 13:56:32   #41
AmigaHarry
Erfahrener Benutzer
 
Benutzerbild von AmigaHarry
 
Registriert seit: 13.11.2005
Ort: Perchtoldsdorf
Alter: 64
Beiträge: 5.311
Kilometer: 1.1mio
Standard

So wie der Filter aussieht ist es ein Wunder das da noch was durch geht. Kein Wunder das die Kiste im oberen Bereich überfettet und keine Leistung hat.
AmigaHarry ist offline   Mit Zitat antworten
Alt 27.03.2019, 14:22:36   #42
3y3joe
Erfahrener Benutzer
 
Registriert seit: 31.08.2015
Ort: Sinsheim
Beiträge: 894
Baujahr: 1993
Kilometer: 105000
Standard

Ja so würde ich das auch beurteilen.
Und wenn ein sauberer Filter drin ist, dann sollte auch das Schwimmerkammerniveau stimmen, sonst wird sie auf dem einen Zylinder zu mager. Aber der Kollege hat ja schon zum Rundumschlag ausgeholt, das wird schon werden.

Ich habe übrigens bei 77tkm noch den ersten LuFI drin, und das obwohl ich etliche staubige Pisten im Balkan gefahren bin.
Mit Spüli und Ultraschall lies sich der immer wieder schön reinigen.
Und die Durchgängigkeit des LuFi lässt sich schön unter einem laufenden Wasserhahn überprüfen. Ist er zu, dann steht das Wasser bis oben weil es nicht richtig durch die Filtermatte ablaufen kann. Bei sauberem Filter (nach Ultraschall)
stand es bei mir dann nur noch 1-2 cm hoch. Kann man auch mal spasseshalber mit dem alten und dem neuen Filter zum Vergleich machen.
3y3joe ist offline   Mit Zitat antworten
Alt 27.03.2019, 16:10:49   #43
Vinz-Georg
Erfahrener Benutzer
 
Benutzerbild von Vinz-Georg
 
Registriert seit: 06.05.2016
Ort: Potsdam
Alter: 44
Beiträge: 745
Baujahr: 1996
Kilometer: 133000
Standard

Oder einen Dauerluftfilter verbauen .
Vinz-Georg ist gerade online   Mit Zitat antworten
Alt 27.03.2019, 16:11:38   #44
Joh
Benutzer
 
Benutzerbild von Joh
 
Registriert seit: 24.02.2019
Alter: 41
Beiträge: 34
Baujahr: 2001
Kilometer: 30000
Standard

Zitat:
Zitat von 3y3joe Beitrag anzeigen
Ja so würde ich das auch beurteilen.
Und wenn ein sauberer Filter drin ist, dann sollte auch das Schwimmerkammerniveau stimmen, sonst wird sie auf dem einen Zylinder zu mager. Aber der Kollege hat ja schon zum Rundumschlag ausgeholt, das wird schon werden.

Ich habe übrigens bei 77tkm noch den ersten LuFI drin, und das obwohl ich etliche staubige Pisten im Balkan gefahren bin.
Mit Spüli und Ultraschall lies sich der immer wieder schön reinigen.
Und die Durchgängigkeit des LuFi lässt sich schön unter einem laufenden Wasserhahn überprüfen. Ist er zu, dann steht das Wasser bis oben weil es nicht richtig durch die Filtermatte ablaufen kann. Bei sauberem Filter (nach Ultraschall)
stand es bei mir dann nur noch 1-2 cm hoch. Kann man auch mal spasseshalber mit dem alten und dem neuen Filter zum Vergleich machen.
Den "normalen" Luftfilter "einfach" mit Wasser reinigen?? Oder hast du ein speziellen Dauerfilter drin? Solang ich nicht sicher weiß welcher mein richtiger ist könnte ich es dann so nochmal als Zwischenlösung testen..

Ich werde nachher mal das mit der Schwimmkammer in Angriff nehmen. Ich hoffe der Vergaser kann dazu eingebaut bleiben.

Solang ich dazu lerne macht es ja auch Spaß Bisher bin ich jedenfalls mit der Maschine zufrieden und es lässt sich ja auch tatsächlich alles irgendwie selbst machen

Zitat:
Zitat von Vinz-Georg Beitrag anzeigen
Oder einen Dauerluftfilter verbauen .
Darauf reagieren die ja angeblich so zickig und ich will mir nicht ne neue Baustelle aufmachen...
Joh ist offline   Mit Zitat antworten
Alt 27.03.2019, 16:19:54   #45
3y3joe
Erfahrener Benutzer
 
Registriert seit: 31.08.2015
Ort: Sinsheim
Beiträge: 894
Baujahr: 1993
Kilometer: 105000
Standard

Mit Wasser, Spüli und im Ultraschallbad, das hat prima funktioniert.
War danach beschädigungsfrei sauber.
War damals ne Notlösung , weil er verdeckt war wie sau und ich keien neuen zur Hand hatte. Und funktionierte so gut, dass ich es immer wieder so machen werde

Wenn kein Ultraschalbad zur Hand, dann heisses Wasser mit Spüli in ne Schüssel und den Lufi drin baden, danach mit klarem Wasser spülen. Druckluft hilft auch.
Kannst ja unter dem Wasserhahn den vorher/nachher Test machen.

Darf auch feucht eingebaut werden, das kann der Motor ab.
Meiner kriegt demnächst mehr Wasser ab
3y3joe ist offline   Mit Zitat antworten
Alt 27.03.2019, 16:46:28   #46
gsmattis
Stammtisch Hamburg
 
Benutzerbild von gsmattis
 
Registriert seit: 16.03.2008
Ort: Extertal
Alter: 36
Beiträge: 8.808
Baujahr: 1999
Kilometer: 158000
Standard

Zitat:
Zitat von Joh Beitrag anzeigen
Solang ich nicht sicher weiß welcher mein richtiger ist
Du hast die Textstelle doch schon selbst zitiert. Noch genauer geht es nicht. Der mit Rohr ist der richtige.
__________________
Bandit 1200
TL1000S
weil nur 6 Zylinder Sinn ergeben
gsmattis ist offline   Mit Zitat antworten
Alt 28.03.2019, 07:32:27   #47
Vinz-Georg
Erfahrener Benutzer
 
Benutzerbild von Vinz-Georg
 
Registriert seit: 06.05.2016
Ort: Potsdam
Alter: 44
Beiträge: 745
Baujahr: 1996
Kilometer: 133000
Standard

Wegen Dauerluftfilter:
Zitat:
Zitat von Joh Beitrag anzeigen
Darauf reagieren die ja angeblich so zickig und ich will mir nicht ne neue Baustelle aufmachen...
Ich habe ja einen verbaut und fahre fast jeden Tag Motorrad bei Wind und Wetter. Ich konnte keine Zickerei feststellen und schneller als 160km/h kann ich damit auch fahren. Es lohnt sich halt wenn man viele Kilometer macht. Einmal im Jahr das Ding reinigen -> Fertig!

Zumindestens solltest du den Filter deiner GS in die Tonne hauen und einen originalen bei Suzuki kaufen. Der funktioniert auf jeden Fall!
Vinz-Georg ist gerade online   Mit Zitat antworten
Alt 02.04.2019, 07:27:09   #48
Joh
Benutzer
 
Benutzerbild von Joh
 
Registriert seit: 24.02.2019
Alter: 41
Beiträge: 34
Baujahr: 2001
Kilometer: 30000
Standard

Zitat:
Zitat von 3y3joe Beitrag anzeigen

Aber zuerst checks Du das mit der Falschluft, dem LuFi und dem Schwimmerkammerniveau, so würde ich vorgehen. Teste und berichte!
Hier mal mein Bericht / Tagebuch. Achtung es folgt ein langer Text:
Die Schwimmerkammer hat mich echt Nerven gekostet. Zuerst im eingebauten Zustand versucht - keine Chance - Schrauben zu fest. Also alles zerlegt, Vergaser soweit ausgebaut, dass ich ihn seitlich drehen und Schrauben lösen hätte können; wären sie nicht so fast das man eher den Schraubenkopf kaputt nudelt.
Vorerst frustriert aufgegeben und es mit dem gereinigten Luftfilter zu versuchen und ein Foto von den Kerzen zu machen. Alles wieder zusammengebaut.

Während der Probefahrt ist mir folgendes aufgefallen:
Zuerst beim Losfahren stockte das Ding immer bei 5 bis 6 tausend. Da dachte ich schon jetzt ist irgendwas falsch oder kaputt oder nicht richtig angeschlossen und so weiter. Umgestellt auf PRI. Dann gefahren dann war das Stottern weg. Nach einiger Zeit dann wieder den Benzinhahn auf "ON" und es blieb (vorerst) unverändert ohne stottern.
Soweit so (fast) gut.
- Vom Gefühl her stell ich mir den Durchzug mit 46 PS aber anders vor... mal sehen...
- Weiter gings zum Top Speed Test. Unverändert max. 160. Konnte leider streckenbedingt nicht 5 Min. am Stück Vollgas fahren hab aber den größten Teil der Strecke immer voll beschleunigt und zum Schluss dann nach dem Vmax den Zündkerzentest gemacht. Fotos anbei.
Was sagen die Fachleute zum Brennbild?

Weitere Auffälligkeiten:
Irgendwann dann als ich um 120 war und kurvenbedingt vom Gas gegangen bin und nachher wieder aufdrehen wollte kam erst mal eine Sekunde lang nichts. Das ging paar mal so hin und her.
Musste dann doch auf PRI umstellen dann ging es wieder. Hab ich plötzlich den Fehler "GS geht nach Vollgasfahrt aus"? Warum jetzt?

Also in Summe:
- hat sich Vmax nicht geändert
- zieht jetzt gefühlt nicht besser durch, (es gibt aber kein richtiges Loch) Leistungshoch ist bei ca. 8000-9500.

Wenn ich mir die Drehmomentkurve mal so ansehe ist es aber wohl normal dass ich bis 6000 kein merkbaren Unterschied vor / nach der Entdrosselung spüre.
Ich lass das mal paar Tage ruhen und gehe dann mal unvoreingenommen entspannt ne Runde cruisen. Muss vielleicht einfach mal mein Subjektives Empfinden für 46PS neu kalibrieren.
---------------------------------------------------------------------------------------------------------------------------
Paar Tage Pause.

In der Zwischenzeit den Filter im Ultraschallbad gereinigt. Ist nochmal einiges sauberer geworden. Los gehts zur Probefahrt. Aber: Maschine will trotz Shoke nicht richtig warmlaufen. Mit PRI geht es wunderbar, über On geht sie aus.

Ok, fahr ich halt über PRI. Geb der Dame ordentlich Zunder. Vom Empfinden hab ich mich festgelegt, dass sie sauber durchbeschleunigt und die Entdrosselung soweit ok ist.
Nur: Vmax weiterhin unverändert. Ich glaube schon, dass ein neuer Filter zwar besser wäre aber das kann nicht der (Haupt) Fehler sein.
Mittlerweile frag ich mich schon langsam ob der Aufwand für die letzten 10 kmh die ich eh so gut wie nie fahre es überhaupt wert ist.

Also:
- Was sagt ihr zu den Kerzen? Ist ein falsches Gemisch zu erkennen?
- Was ist plötzlich mit dem Benzinhahn auf "On" los? Alle Schläuche stecken korrekt und keine Knicke.
- Was könnte noch Schuld sein am fehlenden Vmax?
Miniaturansicht angehängter Grafiken
Klicke auf die Grafik für eine größere Ansicht

Name:	Links 1.jpg
Hits:	1022
Größe:	59,6 KB
ID:	28362   Klicke auf die Grafik für eine größere Ansicht

Name:	Links 2.jpg
Hits:	977
Größe:	59,9 KB
ID:	28363   Klicke auf die Grafik für eine größere Ansicht

Name:	Rechts 1.jpg
Hits:	958
Größe:	59,4 KB
ID:	28364   Klicke auf die Grafik für eine größere Ansicht

Name:	Rechts 2.jpg
Hits:	955
Größe:	62,2 KB
ID:	28365   Klicke auf die Grafik für eine größere Ansicht

Name:	drehmoment.jpg
Hits:	1110
Größe:	109,3 KB
ID:	28366  


Geändert von Joh (02.04.2019 um 07:35:23 Uhr) Grund: Bilder hinzugefügt
Joh ist offline   Mit Zitat antworten
Alt 02.04.2019, 08:54:08   #49
AmigaHarry
Erfahrener Benutzer
 
Benutzerbild von AmigaHarry
 
Registriert seit: 13.11.2005
Ort: Perchtoldsdorf
Alter: 64
Beiträge: 5.311
Kilometer: 1.1mio
Standard

Da scheints mehrere Probleme zu geben:

1. Dein Benzinhahn hat das typische GS-Leiden und macht bei Absacken des Vakuums bei höheren Drehzahlen zu. Da hilft nur neuer Hahn oder die Methode mit den Wurmschrauben (Madenschrauben in der Vakuumleitung, http://forum.gs-500.de/showthread.ph...=madenschraube ). Auf PRI zu fahren kann problematisch werden, wenn die Schwimmernadelventile nicht perfekt schließen und du beim Abstellen nicht wieder auf ON umschaltest - da rinnt dir sonst der Sprit im Stillstand über die Vergaser und Brennraum ins Motoröl - nicht gut.

2. Deine Luftfilter passt nicht - kauf einen neuen originalen von Suzuki. Die GS ist EXTREM empfindlich was die LuFis betrifft.

3. Wenn die Lastwechselreaktion mit dem neuen LuFi und funktionierendem Benzinhahn nicht weggeht, dann die Düsennadel um eine Kerbe höher hängen und testen. Derzeit scheint sie beim Wieder-Gasgeben zu stark abzumagern und der Motor setzt dadurch erst zeitverzögert ein. Das Kerzenbild ist schon OK.

Die Kiste muss entdrosselt in gebückter Haltung deutlich über 160 gehen (lt. Tacho sollte sie sogar 180 gehen, was dann wahrscheinlich so um die 175 sein werden)
AmigaHarry ist offline   Mit Zitat antworten
Alt 02.04.2019, 10:46:49   #50
3y3joe
Erfahrener Benutzer
 
Registriert seit: 31.08.2015
Ort: Sinsheim
Beiträge: 894
Baujahr: 1993
Kilometer: 105000
Standard

Zitat:
Zitat von Joh Beitrag anzeigen
Hier mal mein Bericht / Tagebuch. Achtung es folgt ein langer Text:
Die Schwimmerkammer hat mich echt Nerven gekostet. Zuerst im eingebauten Zustand versucht - keine Chance - Schrauben zu fest. Also alles zerlegt, Vergaser soweit ausgebaut, dass ich ihn seitlich drehen und Schrauben lösen hätte können; wären sie nicht so fast das man eher den Schraubenkopf kaputt nudelt.
Vorerst frustriert aufgegeben und es mit dem gereinigten Luftfilter zu versuchen und ein Foto von den Kerzen zu machen. Alles wieder zusammengebaut.

Während der Probefahrt ist mir folgendes aufgefallen:
Zuerst beim Losfahren stockte das Ding immer bei 5 bis 6 tausend. Da dachte ich schon jetzt ist irgendwas falsch oder kaputt oder nicht richtig angeschlossen und so weiter. Umgestellt auf PRI. Dann gefahren dann war das Stottern weg. Nach einiger Zeit dann wieder den Benzinhahn auf "ON" und es blieb (vorerst) unverändert ohne stottern.
Soweit so (fast) gut.
- Vom Gefühl her stell ich mir den Durchzug mit 46 PS aber anders vor... mal sehen...
- Weiter gings zum Top Speed Test. Unverändert max. 160. Konnte leider streckenbedingt nicht 5 Min. am Stück Vollgas fahren hab aber den größten Teil der Strecke immer voll beschleunigt und zum Schluss dann nach dem Vmax den Zündkerzentest gemacht. Fotos anbei.
Was sagen die Fachleute zum Brennbild?

Weitere Auffälligkeiten:
Irgendwann dann als ich um 120 war und kurvenbedingt vom Gas gegangen bin und nachher wieder aufdrehen wollte kam erst mal eine Sekunde lang nichts. Das ging paar mal so hin und her.
Musste dann doch auf PRI umstellen dann ging es wieder. Hab ich plötzlich den Fehler "GS geht nach Vollgasfahrt aus"? Warum jetzt?

Also in Summe:
- hat sich Vmax nicht geändert
- zieht jetzt gefühlt nicht besser durch, (es gibt aber kein richtiges Loch) Leistungshoch ist bei ca. 8000-9500.

Wenn ich mir die Drehmomentkurve mal so ansehe ist es aber wohl normal dass ich bis 6000 kein merkbaren Unterschied vor / nach der Entdrosselung spüre.
Ich lass das mal paar Tage ruhen und gehe dann mal unvoreingenommen entspannt ne Runde cruisen. Muss vielleicht einfach mal mein Subjektives Empfinden für 46PS neu kalibrieren.
---------------------------------------------------------------------------------------------------------------------------
Paar Tage Pause.

In der Zwischenzeit den Filter im Ultraschallbad gereinigt. Ist nochmal einiges sauberer geworden. Los gehts zur Probefahrt. Aber: Maschine will trotz Shoke nicht richtig warmlaufen. Mit PRI geht es wunderbar, über On geht sie aus.

Ok, fahr ich halt über PRI. Geb der Dame ordentlich Zunder. Vom Empfinden hab ich mich festgelegt, dass sie sauber durchbeschleunigt und die Entdrosselung soweit ok ist.
Nur: Vmax weiterhin unverändert. Ich glaube schon, dass ein neuer Filter zwar besser wäre aber das kann nicht der (Haupt) Fehler sein.
Mittlerweile frag ich mich schon langsam ob der Aufwand für die letzten 10 kmh die ich eh so gut wie nie fahre es überhaupt wert ist.

Also:
- Was sagt ihr zu den Kerzen? Ist ein falsches Gemisch zu erkennen?
- Was ist plötzlich mit dem Benzinhahn auf "On" los? Alle Schläuche stecken korrekt und keine Knicke.
- Was könnte noch Schuld sein am fehlenden Vmax?
Kerzen sehen gut aus, zumindest die Mittelelektrode, also das "aktuelle" Kerzenbild. Aussenrum sieht es aber so aus als ob sie mal in der Vergangenheit zu fett war.... kann mich aber auch täuschen...
V-max...ich habs gestern mal probiert auf nem relativ freien Stück Landstrasse.... da ist meine mit Windschild allerdings, auch nur auf 160 gekommen....hätte ich noch 1-2 km Strecke gehabt wären es wohl 165-170 geworden....früher, flach liegend, hatte ich auch schon mal 180 auf dem Tacho gesehen.

Was deine Schrauben an der Schwimmerkammer angeht... da bist Du nicht der erste der die rund dreht....aber mit der Grip-Zange kriegt man die meist auf bevor gebohrt werden muss.
Und dann gleich Schrauben mit nem Inbuskopf reinmachen!
3y3joe ist offline   Mit Zitat antworten
Antwort

Lesezeichen


Forumregeln
Es ist dir nicht erlaubt, neue Themen zu verfassen.
Es ist dir nicht erlaubt, auf Beiträge zu antworten.
Es ist dir nicht erlaubt, Anhänge hochzuladen.
Es ist dir nicht erlaubt, deine Beiträge zu bearbeiten.

BB-Code ist an.
Smileys sind an.
[IMG] Code ist aus.
HTML-Code ist aus.

Gehe zu

Ähnliche Themen
Thema Autor Forum Antworten Letzter Beitrag
beide Bremskolben zurückstellen... burns Räder, Reifen und Bremsen 37 25.08.2010 16:51:21
Gasschieber -> Löscher schliessen -> Eins oder beide ? Vergaser - Kraftstoff - Drosseln - Tuning 10 25.03.2006 20:02:54
beide Düsennadeln durchgebrochen!? Bomberman Vergaser - Kraftstoff - Drosseln - Tuning 4 17.10.2005 21:35:10
Löcher zu machen: Gemisch neu einstellen??? PatrickR Vergaser - Kraftstoff - Drosseln - Tuning 10 12.07.2005 12:03:24
Beide Vergaser Unterdruckschlauchanschluss? Fehlerdiagnose 3 02.06.2003 20:33:56


Alle Zeitangaben in WEZ +1. Es ist jetzt 09:27:27 Uhr.


Powered by vBulletin® Version 3.8.9 (Deutsch)
Copyright ©2000 - 2025, vBulletin Solutions, Inc.